Запчасти Komatsu D21A-8E0ПОЛ (ДЛЯ КАБИНА ROPS)(№9-) КАБИНА ОПЕРАТОРА И СИСТЕМА УПРАВЛЕНИЯ

Схема запчастей Komatsu D21A-8E0 - ПОЛ (ДЛЯ КАБИНА ROPS)(№9-) КАБИНА ОПЕРАТОРА И СИСТЕМА УПРАВЛЕНИЯ
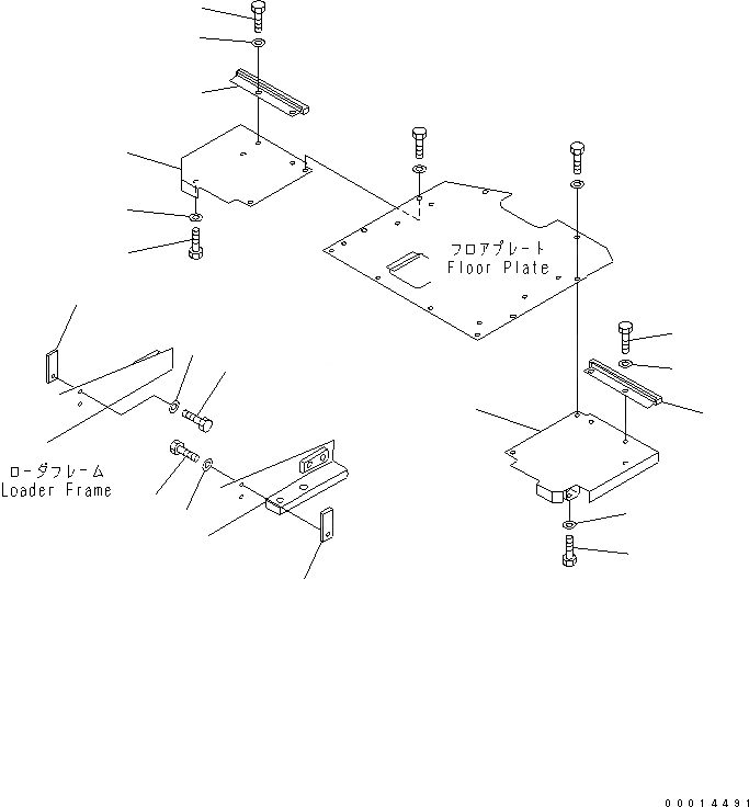
1
2
3
3
4
4
5
6
7
7
8
8
9
10
11
11
12
12
FIT
1:1
100%

Артикул

Название

Примечание

Количество

1

104-54-53510

FENDER,L.H.

SN: 90001-UP

1шт.

2

104-54-53520

FENDER,R.H.

SN: 90001-UP

1шт.

3

01010-81025

BOLT

SN: 90001-UP

4шт.

4

01643-31032

WASHER

SN: 90001-UP

4шт.

5

103-54-23160

PLATE,R.H.

SN: 90001-UP

1шт.

6

103-54-53160

PLATE,L.H.

SN: 90001-UP

1шт.

7

01010-81030

BOLT

SN: 90001-UP

2шт.

8

01643-31032

WASHER

SN: 90001-UP

2шт.

9

104-54-53450

COVER,L.H.

SN: 90001-UP

1шт.

10

104-54-53460

COVER,R.H.

SN: 90001-UP

1шт.

11

01010-81025

BOLT

SN: 90001-UP

4шт.

12

01643-31032

WASHER

SN: 90001-UP

4шт.

Выбрано товаров: 0