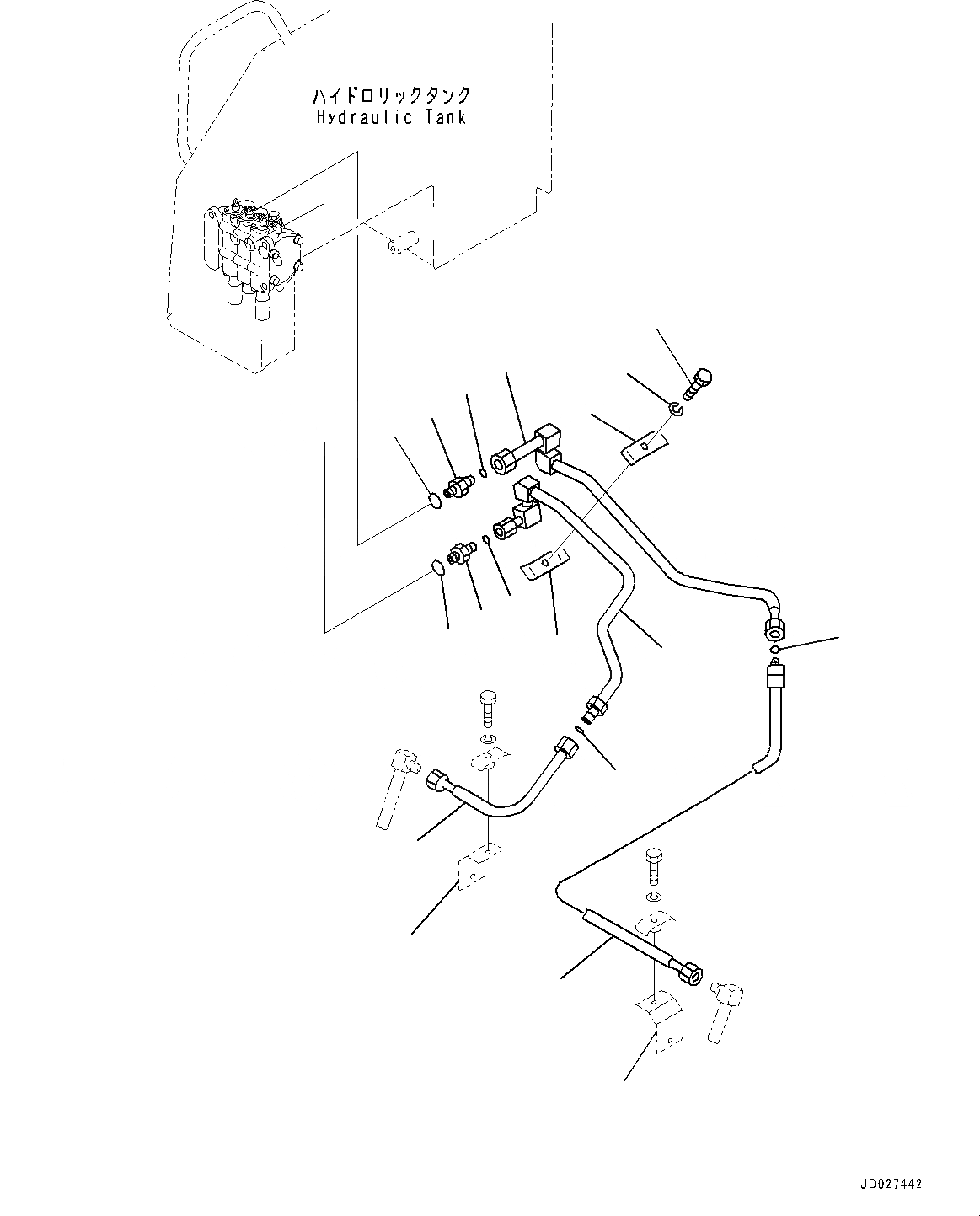
Запчасти Komatsu D21A-8E0 DOZER ОТВАЛ ЦИЛИНДР НАКЛОНА ТРУБЫ (№9-) DOZER ОТВАЛ ЦИЛИНДР НАКЛОНА ТРУБЫ, ДЛЯ ПЕРЕД. - РЕВЕРС ТРАНСМИССИЯ

Схема запчастей Komatsu D21A-8E0 - DOZER ОТВАЛ ЦИЛИНДР НАКЛОНА ТРУБЫ (№9-) DOZER ОТВАЛ ЦИЛИНДР НАКЛОНА ТРУБЫ, ДЛЯ ПЕРЕД. - РЕВЕРС ТРАНСМИССИЯ
2
1
4
6
9
8
7
5
10
3
12
2
3
1
11
14
14
13
FIT
1:1
100%

Артикул

Название

Примечание

Количество

1

02781-00313

Union

SN: 90210-UP

2шт.

2

02896-11009

O-ring

SN: 90210-UP

2шт.

3

07002-11823

O-ring

SN: 90210-UP

2шт.

4

104-62-55110

Tube

SN: 90210-UP

1шт.

5

104-62-55121

Tube

SN: 90210-UP

1шт.

6

103-62-22251

Clamp

SN: 90210-UP

1шт.

7

103-62-22280

Clamp

SN: 90210-UP

1шт.

8

01010-81035

Bolt

SN: 90210-UP

1шт.

9

01602-21030

Washer

SN: 90210-UP

1шт.

10

104-62-55130

Tube

SN: 90210-UP

1шт.

11

02896-11009

O-ring

SN: 90210-UP

1шт.

12

104-62-55161

Tube

SN: 90210-UP

1шт.

13

02896-11009

O-ring

SN: 90210-UP

1шт.

14

104-62-33171

Bracket

SN: UP

-1шт.

Выбрано товаров: 14