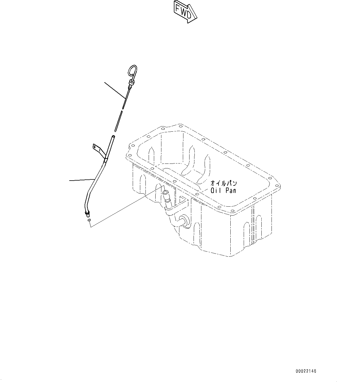
Запчасти Komatsu 4D94LE-2 ДВИГАТЕЛЬ, DIPSTICK (№7-) ДВИГАТЕЛЬ, ДЛЯ TОБОД КОЛЕСАMING DOZER

Схема запчастей Komatsu 4D94LE-2 - ДВИГАТЕЛЬ, DIPSTICK (№7-) ДВИГАТЕЛЬ, ДЛЯ TОБОД КОЛЕСАMING DOZER
1
2
1
2
FIT
1:1
100%

Артикул

Название

Примечание

Количество

1

YM129910-34800

Gauge, Oil

SN: 1713-UP

1шт.

2

YM129932-34810

Guide, Oil Gauge

SN: 1713-UP

1шт.

1

YM129910-34800

Gauge, Oil

SN: 1713-UP

1шт.

2

YM129932-34810

Guide, Oil Gauge

SN: 1713-UP

1шт.

Выбрано товаров: 4