Запчасти Komatsu 4D95S-1J БЛОК ЦИЛИНДРОВ ДВИГАТЕЛЬ

Схема запчастей Komatsu 4D95S-1J - БЛОК ЦИЛИНДРОВ ДВИГАТЕЛЬ
1
1
2
3
4
5
6
7
8
9
9
10
10
10
10
11
12
12
13
13
13
14
15
16
16
17
17
18
19
19
20
21
22
23
24
25
1
1
2
3
4
5
6
7
8
9
9
10
10
10
10
11
12
12
13
13
13
14
15
16
16
17
17
18
19
19
20
21
22
23
24
25
FIT
1:1
100%

Артикул

Название

Примечание

Количество

|1

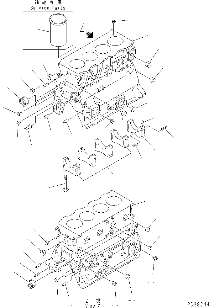
6204-21-1102

CYLINDER BLOCK ASS'Y

SN: 124813-UP

1шт.

1

0

BLOCK,CYLINDER

SN: 124813-UP

1шт.

2

0

CAP,MAIN METAL¤ NO.1¤2¤3¤4

SN: 124813-UP

4шт.

3

0

CAP,MAIN METAL¤ NO.5

SN: 124813-UP

1шт.

4

6204-21-1610

BOLT,MAIN CAP

SN: 124813-UP

10шт.

5

6141-21-1530

RING,DOWEL

SN: 124813-UP

2шт.

6

6206-21-1430

BUSHING,CAMSHAFT

SN: 133541-UP

1шт.

|6

0

BUSHING,CAMSHAFT

SN: 124813-133540

1шт.

7

6206-21-1420

BUSHING,CAMSHAFT

SN: 124813-UP

2шт.

8

07046-42216

PLUG

SN: 124813-UP

1шт.

9

07046-42516

PLUG

SN: 124813-UP

5шт.

10

07046-43016

PLUG

SN: 124813-UP

7шт.

11

07042-10312

PLUG

SN: 124813-UP

1шт.

12

07046-41810

PLUG

SN: 124813-UP

4шт.

13

04025-00408

PIN,SPRING

SN: 124813-UP

6шт.

14

6204-51-1711

BUSHING,OIL PUMP

SN: 124813-UP

1шт.

15

6140-21-1130

BUSHING,DOWEL

SN: 124813-UP

2шт.

16

04020-00820

PIN,DOWEL

SN: 124813-UP

2шт.

17

04020-01228

PIN,DOWEL

SN: 124813-UP

2шт.

18

6136-52-1620

PIN,DOWEL¤ OIL PUMP

SN: 124813-UP

1шт.

19

07043-50108

PLUG

SN: 124813-UP

6шт.

20

6204-51-1620

SHAFT,OIL PUMP

SN: 124813-UP

1шт.

21

07046-44016

PLUG

SN: 124813-UP

1шт.

22

07046-41410

PLUG

SN: 124813-UP

1шт.

23

07046-42216

PLUG

SN: 124813-UP

1шт.

24

07046-23016

PLUG

SN: 124813-UP

1шт.

25

6207-21-2110

LINER (MARK A),CYLINDER

SN: 124813-UP

-2шт.

|25

6207-21-2120

LINER (MARK B),CYLINDER

SN: 124813-UP

-2шт.

|1

6204-21-1102

CYLINDER BLOCK ASS'Y

SN: 124813-UP

1шт.

1

0

BLOCK,CYLINDER

SN: 124813-UP

1шт.

2

0

CAP,MAIN METAL¤ NO.1¤2¤3¤4

SN: 124813-UP

4шт.

3

0

CAP,MAIN METAL¤ NO.5

SN: 124813-UP

1шт.

4

6204-21-1610

BOLT,MAIN CAP

SN: 124813-UP

10шт.

5

6141-21-1530

RING,DOWEL

SN: 124813-UP

2шт.

6

6206-21-1430

BUSHING,CAMSHAFT

SN: 133541-UP

1шт.

|6

0

BUSHING,CAMSHAFT

SN: 124813-133540

1шт.

7

6206-21-1420

BUSHING,CAMSHAFT

SN: 124813-UP

2шт.

8

07046-42216

PLUG

SN: 124813-UP

1шт.

9

07046-42516

PLUG

SN: 124813-UP

5шт.

10

07046-43016

PLUG

SN: 124813-UP

7шт.

11

07042-10312

PLUG

SN: 124813-UP

1шт.

12

07046-41810

PLUG

SN: 124813-UP

4шт.

13

04025-00408

PIN,SPRING

SN: 124813-UP

6шт.

14

6204-51-1711

BUSHING,OIL PUMP

SN: 124813-UP

1шт.

15

6140-21-1130

BUSHING,DOWEL

SN: 124813-UP

2шт.

16

04020-00820

PIN,DOWEL

SN: 124813-UP

2шт.

17

04020-01228

PIN,DOWEL

SN: 124813-UP

2шт.

18

6136-52-1620

PIN,DOWEL¤ OIL PUMP

SN: 124813-UP

1шт.

19

07043-50108

PLUG

SN: 124813-UP

6шт.

20

6204-51-1620

SHAFT,OIL PUMP

SN: 124813-UP

1шт.

21

07046-44016

PLUG

SN: 124813-UP

1шт.

22

07046-41410

PLUG

SN: 124813-UP

1шт.

23

07046-42216

PLUG

SN: 124813-UP

1шт.

24

07046-23016

PLUG

SN: 124813-UP

1шт.

25

6207-21-2110

LINER (MARK A),CYLINDER

SN: 124813-UP

-2шт.

|25

6207-21-2120

LINER (MARK B),CYLINDER

SN: 124813-UP

-2шт.

Выбрано товаров: 56