Запчасти Komatsu D21P-3 РАДИАТОР КОМПОНЕНТЫ ДВИГАТЕЛЯ И ЭЛЕКТРИКА

Схема запчастей Komatsu D21P-3 - РАДИАТОР КОМПОНЕНТЫ ДВИГАТЕЛЯ И ЭЛЕКТРИКА
FIT
1:1
100%

Артикул

Название

Примечание

Количество

|$0

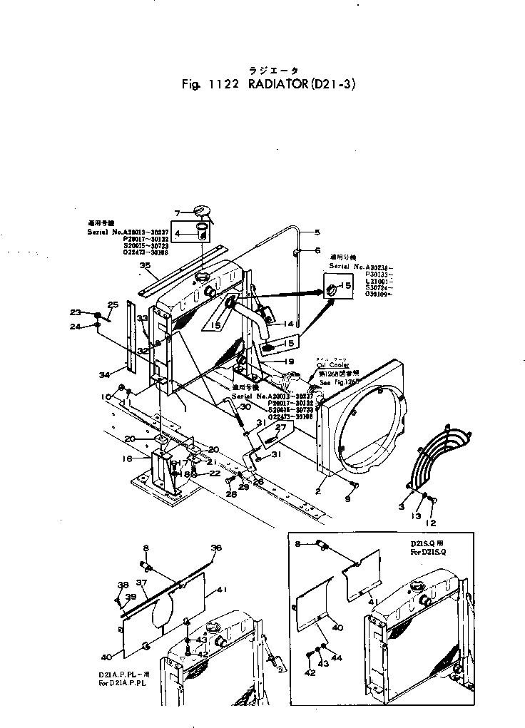
101-03-00017

RADIATOR ASS'Y

SN: 30133-UP

1шт.

|$1

101-03-00016

RADIATOR ASS'Y

SN: 28877-30132

1шт.

|$2

0

RADIATOR ASS'Y

SN: 20013-28876

1шт.

|$3

101-03-31000

RADIATOR ASS'Y,(CORE D-TYPE)

SN: 30133-UP

1шт.

1

101-03-21102

CORE ASS'Y

SN: 30133-UP

1шт.

1

101-03-21101

CORE ASS'Y

SN: 28877-30132

1шт.

1

0

CORE ASS'Y

SN: 20013-28876

1шт.

|$$8

(101-03-21101,101-03-21250,

-1шт.

|$$9

101-03-21112)

-1шт.

1

101-03-31100

CORE ASS'Y,(CORE D-TYPE)

SN: 30133-UP

1шт.

2

101-03-21113

SHROUD

SN: 30133-UP

1шт.

2

101-03-21112

SHROUD

SN: 28877-30132

1шт.

2

101-03-21111

SHROUD

SN: 20013-28876

1шт.

3

101-03-21121

NET

SN: 20013-UP

1шт.

4

101-03-21250

STRAINER

SN: 28877-30132

1шт.

4

101-03-13160

STRAINER

SN: 20013-28876

1шт.

5

101-03-13170

PIPE

SN: 20013-UP

1шт.

6

101-03-13180

CLIP

SN: 20013-UP

2шт.

7

101-03-13141

CAP

SN: 20013-UP

1шт.

8

07730-10003

VALVE

SN: 28877-UP

1шт.

8

0

VALVE

SN: 20013-28876

1шт.

9

01010-30814

BOLT

SN: 20013-UP

6шт.

10

01580-00806

NUT

SN: 20013-UP

6шт.

11

01602-00825

WASHER

SN: 20013-UP

6шт.

12

01010-30610

BOLT

SN: 20013-UP

4шт.

13

01602-00619

WASHER

SN: 20013-UP

4шт.

14

101-03-21151

HOSE

SN: 20013-UP

1шт.

15

07281-00489

CLAMP

SN: 30361-UP

2шт.

15

07281-00549

CLAMP

SN: 30133-30360

2шт.

15

07280-04426

CLAMP

SN: 20013-30132

2шт.

16

101-03-12122

BRACKET

SN: 20013-UP

1шт.

17

01010-31225

BOLT

SN: 20013-UP

4шт.

18

01602-01236

WASHER

SN: 20013-UP

4шт.

19

101-03-12132

BRACKET

SN: 20013-UP

1шт.

20

100-03-12140

SEAT

SN: 20013-UP

4шт.

21

100-03-12150

WASHER

SN: 20013-UP

2шт.

22

01052-31260

BOLT

SN: 20013-UP

2шт.

23

01593-01210

NUT

SN: 20013-UP

2шт.

24

01640-01223

WASHER

SN: 20013-UP

2шт.

25

04050-03025

PIN

SN: 20013-UP

2шт.

26

103-03-11110

BRACKET

SN: 20013-UP

2шт.

27

103-03-11130

LOCK

SN: 20013-30132

2шт.

28

01010-31020

BOLT

SN: 20013-UP

2шт.

29

01602-01030

WASHER

SN: 20013-UP

2шт.

30

103-03-11121

ROD

SN: 30133-UP

2шт.

30

103-30-11120

ROD

SN: 20013-30132

2шт.

31

01580-01008

NUT

SN: 20013-UP

4шт.

32

01641-01223

WASHER

SN: 20013-UP

2шт.

33

04050-03015

PIN

SN: 20013-UP

2шт.

|$49

104-03-00010

RUBBER PLATE ASS'Y

SN: 20013-UP

1шт.

34

101-03-14151

PLATE

SN: 20013-UP

2шт.

35

101-03-21171

PLATE

SN: 20013-UP

1шт.

36

101-03-21210

PLATE

SN: 20013-UP

1шт.

37

101-03-21220

PLATE

SN: 20013-UP

1шт.

38

01010-30616

BOLT

SN: 20013-UP

13шт.

39

01602-00619

WASHER

SN: 20013-UP

13шт.

40

101-03-21181

PLATE

SN: 20013-UP

1шт.

41

101-03-21191

PLATE

SN: 20013-UP

1шт.

42

01010-30614

BOLT

SN: 20013-UP

4шт.

43

01602-00619

WASHER

SN: 20013-UP

4шт.

Выбрано товаров: 60