Запчасти Komatsu D21P-3 ГИДР. НАСОС. РАБОЧЕЕ ОБОРУДОВАНИЕ И ITS СИСТЕМА УПРАВЛЕНИЯ

Схема запчастей Komatsu D21P-3 - ГИДР. НАСОС. РАБОЧЕЕ ОБОРУДОВАНИЕ И ITS СИСТЕМА УПРАВЛЕНИЯ
FIT
1:1
100%

Артикул

Название

Примечание

Количество

|$0

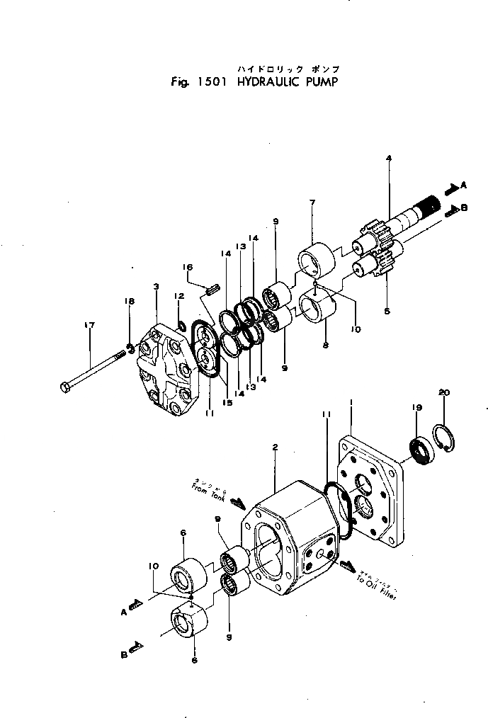
07428-66201

PUMP ASS'Y

SN: 20007-UP

1шт.

1

0

BRACKET,HYDRAULIC PUMP

SN: 20007-UP

1шт.

2

0

CASE,GEAR

SN: 20007-UP

1шт.

3

0

COVER,FRONT

SN: 20007-UP

1шт.

4

0

GEAR,DRIVE

SN: 20007-UP

1шт.

5

0

GEAR,DRIVEN

SN: 20007-UP

1шт.

6

0

BUSHING

SN: 20007-UP

2шт.

7

0

BUSHING

SN: 20007-UP

1шт.

8

0

BUSHING

SN: 20007-UP

1шт.

9

0

BEARING,NEEDLE

SN: 20007-UP

4шт.

10

0

PIN

SN: 20007-UP

2шт.

11

0

O-RING

SN: 20007-UP

2шт.

12

0

O-RING

SN: 20007-UP

1шт.

13

0

U-RING

SN: 20007-UP

2шт.

14

0

RING,BACK-UP

SN: 20007-UP

4шт.

15

0

PLATE,SEAL

SN: 20007-UP

2шт.

16

0

PIN

SN: 20007-UP

4шт.

17

07426-66080

BOLT

SN: 20007-UP

8шт.

18

01602-01030

WASHER,SPRING

SN: 20007-UP

8шт.

19

07426-11160

SEAL,OIL

SN: 20007-UP

1шт.

20

04065-04218

RING,SNAP

SN: 20007-UP

1шт.

Выбрано товаров: 21