Запчасти Komatsu 4D92-1B МАСЛ. ФИЛЬТР СИСТЕМА СМАЗКИ МАСЛ. СИСТЕМА

Схема запчастей Komatsu 4D92-1B - МАСЛ. ФИЛЬТР СИСТЕМА СМАЗКИ МАСЛ. СИСТЕМА
FIT
1:1
100%

Артикул

Название

Примечание

Количество

|$0

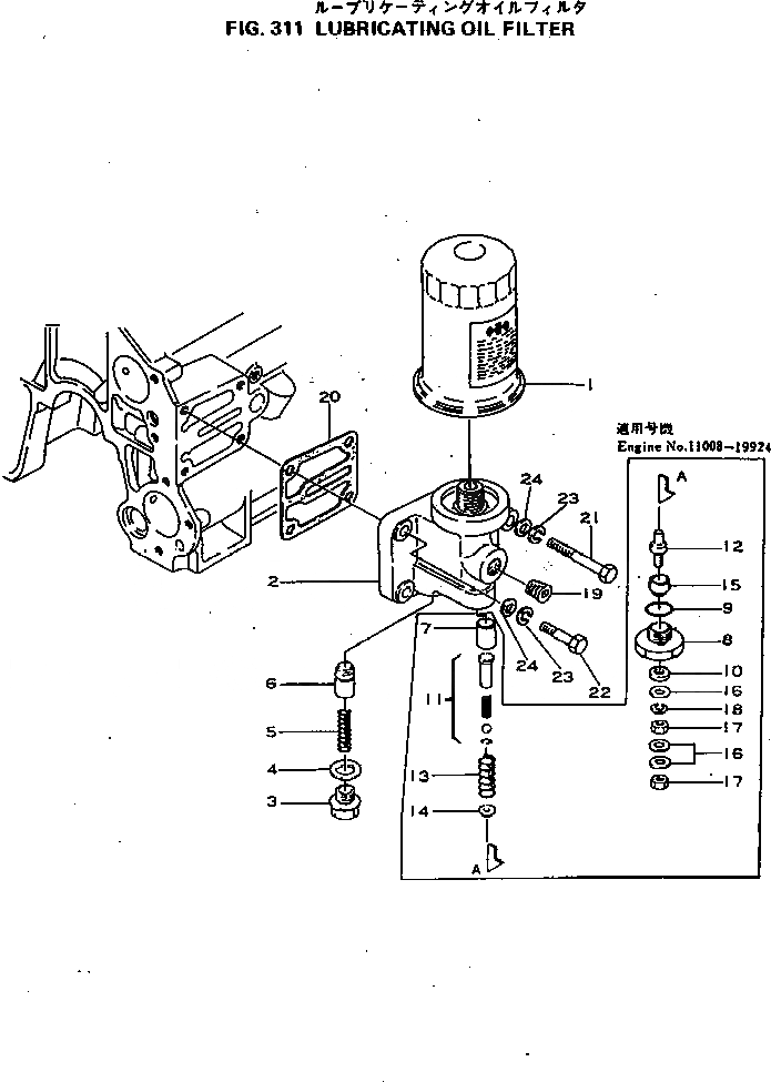
6141-52-5004

OIL FILTER ASS'Y

SN: 20938-UP

1шт.

|$1

0

OIL FILTER ASS'Y

SN: 19925-20937

1шт.

|$2

0

OIL FILTER ASS'Y

SN: .-19924

1шт.

|$3

0

OIL FILTER ASS'Y

SN: 11008-.

1шт.

1

600-211-5213

CARTRIDGE

SN: 19925-UP

1шт.

1

0

CARTRIDGE

SN: 11008-19924

1шт.

2

6141-52-5115

BRACKET

SN: 20938-UP

1шт.

2

0

BRACKET

SN: 19925-20937

1шт.

2

0

BRACKET

SN: .-19924

1шт.

2

0

BRACKET

SN: 11008-.

1шт.

3

600-211-7113

PLUG

SN: 19925-UP

1шт.

3

600-211-7111

PLUG

SN: 11008-19924

1шт.

4

600-211-7332

WASHER

SN: 19925-UP

1шт.

5

600-211-7723

SPRING

SN: 19925-UP

1шт.

5

600-211-7721

SPRING

SN: 11008-19924

1шт.

6

600-211-7733

VALVE

SN: 19925-UP

1шт.

6

600-211-7731

VALVE

SN: 11008-19924

1шт.

7

600-211-5730

VALVE

SN: 11008-19924

1шт.

8

600-211-7811

PLUG

SN: 11008-19924

1шт.

9

07000-02020

O-RING

SN: 11008-19924

1шт.

10

600-211-7821

WASHER

SN: 11008-19924

1шт.

11

600-211-7861

CONTACTOR

SN: 11008-19924

1шт.

12

600-211-7881

TERMINAL

SN: 11008-19924

1шт.

13

600-211-7911

SPRING

SN: 11008-19924

1шт.

14

600-211-5740

SEAT

SN: 11008-19924

1шт.

15

600-211-7931

GUIDE

SN: 11008-19924

1шт.

16

6110-51-5580

GASKET

SN: 11008-19924

3шт.

17

01580-30504

NUT

SN: 11008-19924

2шт.

18

01601-00513

WASHER

SN: 11008-19924

1шт.

19

07043-00312

PLUG

SN: 11008-19924

1шт.

20

6141-51-5810

GASKET (K2)

SN: 11008-UP

1шт.

21

01010-31090

BOLT

SN: 11008-UP

1шт.

22

01010-31035

BOLT

SN: 11008-UP

3шт.

23

01602-01030

WASHER

SN: 11008-UP

4шт.

24

01641-21016

WASHER

SN: 11008-UP

4шт.

|$0

6141-52-5004

OIL FILTER ASS'Y

SN: 20938-UP

1шт.

|$1

0

OIL FILTER ASS'Y

SN: 19925-20937

1шт.

|$2

0

OIL FILTER ASS'Y

SN: .-19924

1шт.

|$3

0

OIL FILTER ASS'Y

SN: 11008-.

1шт.

1

600-211-5213

CARTRIDGE

SN: 19925-UP

1шт.

1

0

CARTRIDGE

SN: 11008-19924

1шт.

2

6141-52-5115

BRACKET

SN: 20938-UP

1шт.

2

0

BRACKET

SN: 19925-20937

1шт.

2

0

BRACKET

SN: .-19924

1шт.

2

0

BRACKET

SN: 11008-.

1шт.

3

600-211-7113

PLUG

SN: 19925-UP

1шт.

3

600-211-7111

PLUG

SN: 11008-19924

1шт.

4

600-211-7332

WASHER

SN: 19925-UP

1шт.

5

600-211-7723

SPRING

SN: 19925-UP

1шт.

5

600-211-7721

SPRING

SN: 11008-19924

1шт.

6

600-211-7733

VALVE

SN: 19925-UP

1шт.

6

600-211-7731

VALVE

SN: 11008-19924

1шт.

7

600-211-5730

VALVE

SN: 11008-19924

1шт.

8

600-211-7811

PLUG

SN: 11008-19924

1шт.

9

07000-02020

O-RING

SN: 11008-19924

1шт.

10

600-211-7821

WASHER

SN: 11008-19924

1шт.

11

600-211-7861

CONTACTOR

SN: 11008-19924

1шт.

12

600-211-7881

TERMINAL

SN: 11008-19924

1шт.

13

600-211-7911

SPRING

SN: 11008-19924

1шт.

14

600-211-5740

SEAT

SN: 11008-19924

1шт.

15

600-211-7931

GUIDE

SN: 11008-19924

1шт.

16

6110-51-5580

GASKET

SN: 11008-19924

3шт.

17

01580-30504

NUT

SN: 11008-19924

2шт.

18

01601-00513

WASHER

SN: 11008-19924

1шт.

19

07043-00312

PLUG

SN: 11008-19924

1шт.

20

6141-51-5810

GASKET (K2)

SN: 11008-UP

1шт.

21

01010-31090

BOLT

SN: 11008-UP

1шт.

22

01010-31035

BOLT

SN: 11008-UP

3шт.

23

01602-01030

WASHER

SN: 11008-UP

4шт.

24

01641-21016

WASHER

SN: 11008-UP

4шт.

Выбрано товаров: 70