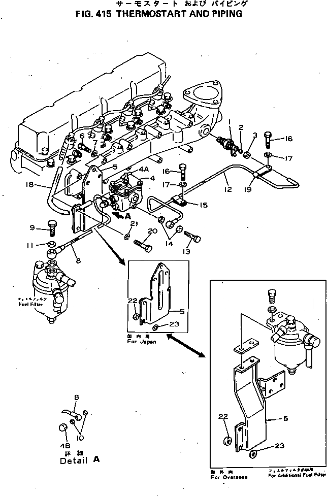
Запчасти Komatsu 4D92-1B ТЕРМОСТАТRT И ТРУБЫ ТОПЛИВН. СИСТЕМА

Схема запчастей Komatsu 4D92-1B - ТЕРМОСТАТRT И ТРУБЫ ТОПЛИВН. СИСТЕМА
FIT
1:1
100%

Артикул

Название

Примечание

Количество

|$0

6141-81-4100

THERMOSTART ASS'Y,(12V)

SN: 19925-UP

1шт.

|$1

6124-81-4100

THERMOSTART ASS'Y,(24V)

SN: 11008-19924

1шт.

1

6141-81-4110

THERMOSTART

SN: 19925-UP

1шт.

1

6124-81-4110

THERMOSTART

SN: 11008-19924

1шт.

2

6124-81-4130

SLEEVE

SN: 11008-UP

1шт.

3

6124-81-4140

NUT

SN: 11008-UP

1шт.

4

6124-81-4211

FUEL TANK ASS'Y

SN: 11008-UP

1шт.

4A

6600-01-3920

VALVE

SN: 11008-UP

1шт.

4B

6140-81-4220

NUT

SN: 11008-UP

1шт.

5

6141-81-4251

BRACKET,(FOR JAPAN)

SN: 33517-UP

1шт.

5

0

BRACKET,(FOR JAPAN)

SN: 11008-33516

1шт.

|$$12

(6141-81-4251,6141-81-4270(2))

-1шт.

5

6141-81-4261

BRACKET,(EXCEPT JAPAN)

SN: 11008-UP

1шт.

6

01010-30814

BOLT

SN: 29531-UP

3шт.

6

01010-30812

BOLT

SN: 11008-29530

3шт.

7

01602-00825

WASHER

SN: 11008-UP

3шт.

8

6141-81-4410

PIPE,(FOR JAPAN)

SN: 11008-UP

1шт.

8

6141-81-4420

PIPE,(EXCEPT JAPAN)

SN: 11008-UP

1шт.

9

6127-71-5710

BOLT

SN: 11008-UP

1шт.

10

07005-01012

GASKET (K2)

SN: 11008-UP

2шт.

11

07005-01412

GASKET (K2)

SN: 11008-UP

1шт.

12

6141-81-4451

PIPE,(FOR JAPAN)

SN: 14354-UP

1шт.

12

0

PIPE,(FOR JAPAN)

SN: 11008-14353

1шт.

12

6141-81-4460

PIPE,(EXCEPT JAPAN)

SN: 11008-UP

1шт.

13

07206-10610

BOLT

SN: 11008-UP

1шт.

14

07005-01012

GASKET (K2)

SN: 11008-UP

2шт.

15

6141-81-4480

CLIP

SN: 11008-UP

1шт.

16

01010-30816

BOLT

SN: 11008-UP

2шт.

17

01602-00825

WASHER

SN: 11008-UP

2шт.

18

6141-81-4530

HOSE

SN: 11008-UP

1шт.

19

6141-81-4470

CLIP

SN: 11008-UP

1шт.

20

01010-30850

BOLT

SN: 11008-UP

4шт.

21

01602-00825

WASHER

SN: 11008-UP

4шт.

22

6141-81-4270

SPACER

SN: 33517-UP

2шт.

23

01641-10812

WASHER

SN: 33517-UP

2шт.

|$0

6141-81-4100

THERMOSTART ASS'Y,(12V)

SN: 19925-UP

1шт.

|$1

6124-81-4100

THERMOSTART ASS'Y,(24V)

SN: 11008-19924

1шт.

1

6141-81-4110

THERMOSTART

SN: 19925-UP

1шт.

1

6124-81-4110

THERMOSTART

SN: 11008-19924

1шт.

2

6124-81-4130

SLEEVE

SN: 11008-UP

1шт.

3

6124-81-4140

NUT

SN: 11008-UP

1шт.

4

6124-81-4211

FUEL TANK ASS'Y

SN: 11008-UP

1шт.

4A

6600-01-3920

VALVE

SN: 11008-UP

1шт.

4B

6140-81-4220

NUT

SN: 11008-UP

1шт.

5

6141-81-4251

BRACKET,(FOR JAPAN)

SN: 33517-UP

1шт.

5

0

BRACKET,(FOR JAPAN)

SN: 11008-33516

1шт.

|$$12

(6141-81-4251,6141-81-4270(2))

-1шт.

5

6141-81-4261

BRACKET,(EXCEPT JAPAN)

SN: 11008-UP

1шт.

6

01010-30814

BOLT

SN: 29531-UP

3шт.

6

01010-30812

BOLT

SN: 11008-29530

3шт.

7

01602-00825

WASHER

SN: 11008-UP

3шт.

8

6141-81-4410

PIPE,(FOR JAPAN)

SN: 11008-UP

1шт.

8

6141-81-4420

PIPE,(EXCEPT JAPAN)

SN: 11008-UP

1шт.

9

6127-71-5710

BOLT

SN: 11008-UP

1шт.

10

07005-01012

GASKET (K2)

SN: 11008-UP

2шт.

11

07005-01412

GASKET (K2)

SN: 11008-UP

1шт.

12

6141-81-4451

PIPE,(FOR JAPAN)

SN: 14354-UP

1шт.

12

0

PIPE,(FOR JAPAN)

SN: 11008-14353

1шт.

12

6141-81-4460

PIPE,(EXCEPT JAPAN)

SN: 11008-UP

1шт.

13

07206-10610

BOLT

SN: 11008-UP

1шт.

14

07005-01012

GASKET (K2)

SN: 11008-UP

2шт.

15

6141-81-4480

CLIP

SN: 11008-UP

1шт.

16

01010-30816

BOLT

SN: 11008-UP

2шт.

17

01602-00825

WASHER

SN: 11008-UP

2шт.

18

6141-81-4530

HOSE

SN: 11008-UP

1шт.

19

6141-81-4470

CLIP

SN: 11008-UP

1шт.

20

01010-30850

BOLT

SN: 11008-UP

4шт.

21

01602-00825

WASHER

SN: 11008-UP

4шт.

22

6141-81-4270

SPACER

SN: 33517-UP

2шт.

23

01641-10812

WASHER

SN: 33517-UP

2шт.

Выбрано товаров: 70