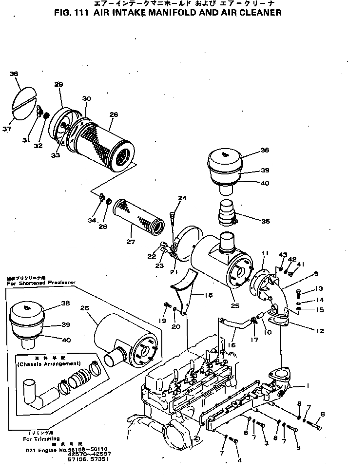
Запчасти Komatsu 4D92-1B ТРУБОПРОВОД ВПУСКА ВОЗДУХА И ВОЗДУХООЧИСТИТЕЛЬ ГОЛОВКА ЦИЛИНДРОВ

Схема запчастей Komatsu 4D92-1B - ТРУБОПРОВОД ВПУСКА ВОЗДУХА И ВОЗДУХООЧИСТИТЕЛЬ ГОЛОВКА ЦИЛИНДРОВ
FIT
1:1
100%

Артикул

Название

Примечание

Количество

1

6141-11-4112

MANIFOLD

SN: 11008-UP

1шт.

2

6141-11-4810

GASKET (K1)

SN: 11008-UP

1шт.

3

01010-30845

BOLT

SN: 11008-UP

2шт.

4

01010-30850

BOLT

SN: 11008-UP

4шт.

5

01010-30865

BOLT

SN: 11008-UP

2шт.

6

01010-30890

BOLT

SN: 11008-UP

2шт.

7

01602-00825

WASHER

SN: 11008-UP

10шт.

8

01641-20812

WASHER

SN: 11008-UP

6шт.

|$8

6141-11-4020

CONNECTOR ASS'Y

SN: 11008-UP

1шт.

9

6141-11-4121

CONNECTOR

SN: 11008-UP

1шт.

10

6141-11-8231

TUBE

SN: ..-UP

1шт.

10

0

TUBE

SN: .-..

1шт.

10

0

TUBE

SN: 11008-.

1шт.

10

6141-11-8231

TUBE,(TRIMMING SPEC.)(4D92-1B)

SN: 56108-56110

1шт.

11

6110-11-4430

GASKET (K1)

SN: 11008-UP

1шт.

12

6141-11-4821

GASKET (K1)

SN: 11008-UP

1шт.

13

01010-31030

BOLT

SN: 11008-UP

3шт.

14

01602-01030

WASHER

SN: 11008-UP

3шт.

15

01641-21016

WASHER

SN: 11008-UP

3шт.

16

6141-11-4280

HOSE

SN: 11008-UP

1шт.

17

07280-02523

CLAMP

SN: 20617-UP

1шт.

17

07280-02523

CLAMP

SN: 11008-20616

2шт.

18

6141-11-4612

BRACKET

SN: 17222-UP

1шт.

18

0

BRACKET

SN: 11008-17221

1шт.

19

01010-31020

BOLT

SN: 16684-UP

2шт.

19

01010-31025

BOLT

SN: 11008-16683

2шт.

20

01602-01030

WASHER

SN: 11008-UP

2шт.

21

6141-11-4510

BAND

SN: 11008-UP

1шт.

22

6110-21-6530

PIN

SN: 11008-UP

1шт.

23

6110-21-6540

PIN, WITH THREAD

SN: 11008-UP

1шт.

24

6110-23-6520

BOLT

SN: 11008-UP

1шт.

|$31

6141-81-7200

AIR CLEANER ASS'Y

SN: 11008-UP

1шт.

|$32

6141-81-7900

AIR CLEANER ASS'Y,(FOR ARGENTINA)(4D92-1B)

SN: 57106-57351

1шт.

|$33

6141-81-7420

AIR CLEANER ASS'Y,(TRIMMING SPEC.)(4D92-1B)

SN: 56108-56110

1шт.

|$34

6141-81-7420

AIR CLEANER ASS'Y,(CUBA TRIMMING SPEC.)(4D92-1B)

SN: 42578-42597

1шт.

25

6141-81-7111

BODY

SN: 11008-UP

1шт.

25

6141-81-7910

BODY,(FOR ARGENTINA)(4D92-1B)

SN: 57106-57351

1шт.

25

6141-81-7910

BODY,(TRIMMING SPEC.)(4D92-1B)

SN: 56108-56110

1шт.

25

6141-81-7910

BODY,(CUBA TRIMMING SPEC.)(4D92-1B)

SN: 42578-42597

1шт.

|$39

6141-81-7030

ELEMENT ASS'Y

SN: 11008-UP

1шт.

|$40

6141-81-7050

ELEMENT ASS'Y,(FOR ARGENTINA)(4D92-1B)

SN: 57106-57351

1шт.

|$41

6141-81-7050

ELEMENT ASS'Y,(TRIMMING SPEC.)(4D92-1B)

SN: 56108-56110

1шт.

|$42

6141-81-7050

ELEMENT ASS'Y,(CUBA TRIMMING SPEC.)(4D92-1B)

SN: 42578-42597

1шт.

26

600-181-7210

ELEMENT

SN: 11008-UP

1шт.

27

600-181-7310

ELEMENT

SN: 11008-UP

1шт.

27

600-181-7251

ELEMENT,(FOR ARGENTINA)(4D92-1B)

SN: 57106-57351

1шт.

27

600-181-7251

ELEMENT,(TRIMMING SPEC.)(4D92-1B)

SN: 56108-56110

1шт.

27

600-181-7251

ELEMENT,(CUBA TRIMMING SPEC.)(4D92-1B)

SN: 42578-42597

1шт.

28

600-181-7511

WASHER

SN: 11008-UP

1шт.

|$49

600-181-7120

COVER ASS'Y

SN: 11008-UP

1шт.

29

600-181-7130

COVER

SN: 11008-UP

1шт.

30

600-181-7410

GASKET

SN: 11008-UP

1шт.

31

600-181-7610

NUT

SN: 11008-UP

1шт.

32

600-181-7511

WASHER

SN: 11008-UP

1шт.

33

04064-01510

RING

SN: 11008-UP

1шт.

34

600-181-7620

NUT

SN: 11008-UP

1шт.

35

6141-81-7160

PIPE

SN: 11008-UP

1шт.

36

600-181-7710

PLATE, CAUTION

SN: 11008-UP

1шт.

37

600-181-7720

PLATE, CAUTION

SN: 11008-UP

1шт.

|$59

6110-83-9100

PRE-CLEANER ASS'Y

SN: 11008-UP

1шт.

38

6110-83-9130

COVER

SN: 11008-UP

1шт.

39

6110-83-9110

BODY

SN: 11008-UP

1шт.

40

6110-83-9120

SLEEVE

SN: 11008-UP

1шт.

41

01580-00806

NUT

SN: 11008-UP

6шт.

42

01602-00825

WASHER

SN: 11008-UP

6шт.

43

01641-20812

WASHER

SN: 11008-UP

6шт.

1

6141-11-4112

MANIFOLD

SN: 11008-UP

1шт.

2

6141-11-4810

GASKET (K1)

SN: 11008-UP

1шт.

3

01010-30845

BOLT

SN: 11008-UP

2шт.

4

01010-30850

BOLT

SN: 11008-UP

4шт.

5

01010-30865

BOLT

SN: 11008-UP

2шт.

6

01010-30890

BOLT

SN: 11008-UP

2шт.

7

01602-00825

WASHER

SN: 11008-UP

10шт.

8

01641-20812

WASHER

SN: 11008-UP

6шт.

|$8

6141-11-4020

CONNECTOR ASS'Y

SN: 11008-UP

1шт.

9

6141-11-4121

CONNECTOR

SN: 11008-UP

1шт.

10

6141-11-8231

TUBE

SN: ..-UP

1шт.

10

0

TUBE

SN: .-..

1шт.

10

0

TUBE

SN: 11008-.

1шт.

10

6141-11-8231

TUBE,(TRIMMING SPEC.)(4D92-1B)

SN: 56108-56110

1шт.

11

6110-11-4430

GASKET (K1)

SN: 11008-UP

1шт.

12

6141-11-4821

GASKET (K1)

SN: 11008-UP

1шт.

13

01010-31030

BOLT

SN: 11008-UP

3шт.

14

01602-01030

WASHER

SN: 11008-UP

3шт.

15

01641-21016

WASHER

SN: 11008-UP

3шт.

16

6141-11-4280

HOSE

SN: 11008-UP

1шт.

17

07280-02523

CLAMP

SN: 20617-UP

1шт.

17

07280-02523

CLAMP

SN: 11008-20616

2шт.

18

6141-11-4612

BRACKET

SN: 17222-UP

1шт.

18

0

BRACKET

SN: 11008-17221

1шт.

19

01010-31020

BOLT

SN: 16684-UP

2шт.

19

01010-31025

BOLT

SN: 11008-16683

2шт.

20

01602-01030

WASHER

SN: 11008-UP

2шт.

21

6141-11-4510

BAND

SN: 11008-UP

1шт.

22

6110-21-6530

PIN

SN: 11008-UP

1шт.

23

6110-21-6540

PIN, WITH THREAD

SN: 11008-UP

1шт.

24

6110-23-6520

BOLT

SN: 11008-UP

1шт.

|$31

6141-81-7200

AIR CLEANER ASS'Y

SN: 11008-UP

1шт.

|$32

6141-81-7900

AIR CLEANER ASS'Y,(FOR ARGENTINA)(4D92-1B)

SN: 57106-57351

1шт.

|$33

6141-81-7420

AIR CLEANER ASS'Y,(TRIMMING SPEC.)(4D92-1B)

SN: 56108-56110

1шт.

|$34

6141-81-7420

AIR CLEANER ASS'Y,(CUBA TRIMMING SPEC.)(4D92-1B)

SN: 42578-42597

1шт.

25

6141-81-7111

BODY

SN: 11008-UP

1шт.

25

6141-81-7910

BODY,(FOR ARGENTINA)(4D92-1B)

SN: 57106-57351

1шт.

25

6141-81-7910

BODY,(TRIMMING SPEC.)(4D92-1B)

SN: 56108-56110

1шт.

25

6141-81-7910

BODY,(CUBA TRIMMING SPEC.)(4D92-1B)

SN: 42578-42597

1шт.

|$39

6141-81-7030

ELEMENT ASS'Y

SN: 11008-UP

1шт.

|$40

6141-81-7050

ELEMENT ASS'Y,(FOR ARGENTINA)(4D92-1B)

SN: 57106-57351

1шт.

|$41

6141-81-7050

ELEMENT ASS'Y,(TRIMMING SPEC.)(4D92-1B)

SN: 56108-56110

1шт.

|$42

6141-81-7050

ELEMENT ASS'Y,(CUBA TRIMMING SPEC.)(4D92-1B)

SN: 42578-42597

1шт.

26

600-181-7210

ELEMENT

SN: 11008-UP

1шт.

27

600-181-7310

ELEMENT

SN: 11008-UP

1шт.

27

600-181-7251

ELEMENT,(FOR ARGENTINA)(4D92-1B)

SN: 57106-57351

1шт.

27

600-181-7251

ELEMENT,(TRIMMING SPEC.)(4D92-1B)

SN: 56108-56110

1шт.

27

600-181-7251

ELEMENT,(CUBA TRIMMING SPEC.)(4D92-1B)

SN: 42578-42597

1шт.

28

600-181-7511

WASHER

SN: 11008-UP

1шт.

|$49

600-181-7120

COVER ASS'Y

SN: 11008-UP

1шт.

29

600-181-7130

COVER

SN: 11008-UP

1шт.

30

600-181-7410

GASKET

SN: 11008-UP

1шт.

31

600-181-7610

NUT

SN: 11008-UP

1шт.

32

600-181-7511

WASHER

SN: 11008-UP

1шт.

33

04064-01510

RING

SN: 11008-UP

1шт.

34

600-181-7620

NUT

SN: 11008-UP

1шт.

35

6141-81-7160

PIPE

SN: 11008-UP

1шт.

36

600-181-7710

PLATE, CAUTION

SN: 11008-UP

1шт.

37

600-181-7720

PLATE, CAUTION

SN: 11008-UP

1шт.

|$59

6110-83-9100

PRE-CLEANER ASS'Y

SN: 11008-UP

1шт.

38

6110-83-9130

COVER

SN: 11008-UP

1шт.

39

6110-83-9110

BODY

SN: 11008-UP

1шт.

40

6110-83-9120

SLEEVE

SN: 11008-UP

1шт.

41

01580-00806

NUT

SN: 11008-UP

6шт.

42

01602-00825

WASHER

SN: 11008-UP

6шт.

43

01641-20812

WASHER

SN: 11008-UP

6шт.

Выбрано товаров: 132