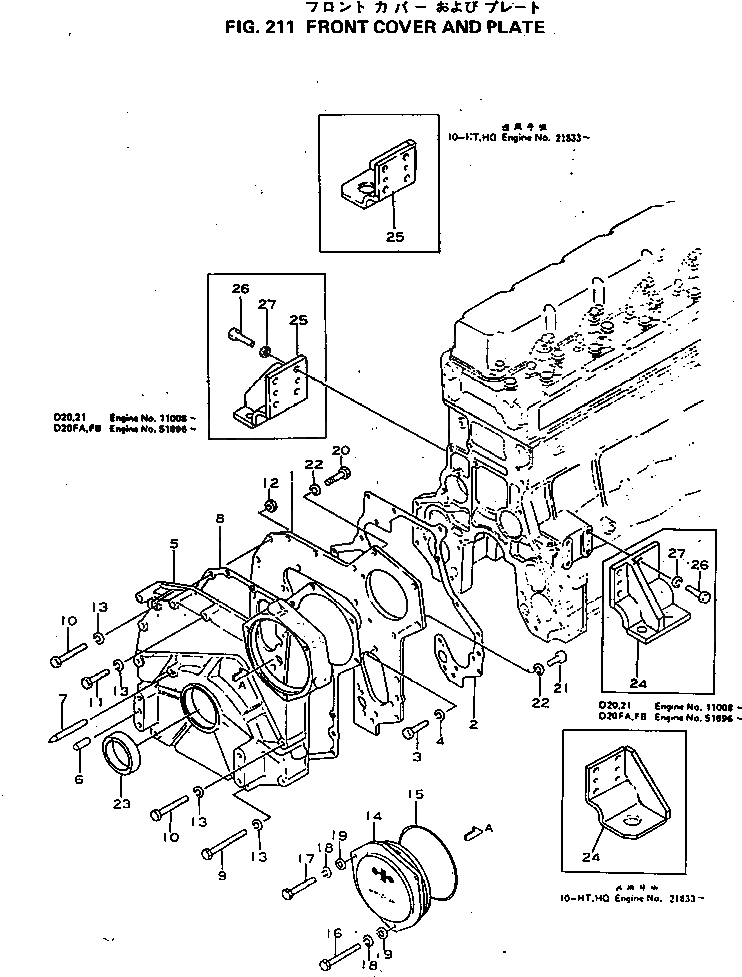
Запчасти Komatsu 4D92-1B ПЕРЕДН. КРЫШКАAND ПЛАСТИНА БЛОК ЦИЛИНДРОВ

Схема запчастей Komatsu 4D92-1B - ПЕРЕДН. КРЫШКАAND ПЛАСТИНА БЛОК ЦИЛИНДРОВ
FIT
1:1
100%

Артикул

Название

Примечание

Количество

1

6141-21-3213

PLATE

SN: 33517-UP

1шт.

1

0

PLATE

SN: 19925-33516

1шт.

1

0

PLATE

SN: 11008-19924

1шт.

2

6141-21-3231

GASKET (K2)

SN: 11008-UP

1шт.

3

01010-30820

BOLT

SN: .-UP

2шт.

3

0

BOLT

SN: 11008-.

2шт.

4

01602-00825

WASHER

SN: 11008-UP

2шт.

|$7

6141-21-3010

COVER ASS'Y,(4D92-1A)

SN: 11008-UP

1шт.

|$8

6141-21-3020

COVER ASS'Y,(4D92-1B)

SN: 11008-UP

1шт.

5

6141-21-3113

COVER,(4D92-1A)

SN: 11008-UP

1шт.

5

6141-21-3120

COVER,(4D92-1B)

SN: 11008-UP

1шт.

6

04020-01024

PIN

SN: 11008-UP

2шт.

7

6141-21-3150

POINTER

SN: 11008-UP

1шт.

8

6141-21-3261

GASKET (K2)

SN: 11008-UP

1шт.

9

01010-30895

BOLT

SN: 11008-UP

2шт.

10

01010-30875

BOLT

SN: .-UP

6шт.

10

01010-30875

BOLT

SN: 11008-.

7шт.

11

01010-30855

BOLT

SN: 11008-UP

1шт.

12

01580-00806

NUT

SN: 11008-UP

2шт.

13

01602-00825

WASHER

SN: 11008-UP

10шт.

14

6141-21-3611

COVER

SN: 11008-UP

1шт.

15

07000-02135

O-RING (K2)

SN: 11008-UP

1шт.

16

01010-30820

BOLT

SN: 11008-UP

2шт.

17

01010-30865

BOLT

SN: 11008-UP

1шт.

18

01602-00825

WASHER

SN: 11008-UP

3шт.

19

01641-20812

WASHER

SN: 11008-UP

3шт.

20

01010-30830

BOLT,(SEE FIG.401)

SN: 11008-UP

4шт.

21

01010-30818

BOLT,(SEE FIG.401)

SN: 33517-UP

2шт.

21

01010-30818

BOLT,(SEE FIG.401)

SN: 11008-33516

1шт.

22

01602-00825

WASHER,(SEE FIG.401)

SN: 11008-UP

5шт.

23

6140-21-3520

SEAL, FRONT (K2)

SN: 11008-UP

1шт.

24

6141-21-3716

SUPPORT

SN: 15073-UP

1шт.

24

0

SUPPORT

SN: 12819-15072

1шт.

24

0

SUPPORT

SN: 11008-12818

1шт.

25

6141-21-3724

SUPPORT

SN: 15073-UP

1шт.

25

0

SUPPORT

SN: 12819-15072

1шт.

25

0

SUPPORT

SN: 11008-12818

1шт.

26

01010-31025

BOLT

SN: 11008-UP

8шт.

27

01602-01030

WASHER

SN: 11008-UP

8шт.

1

6141-21-3213

PLATE

SN: 33517-UP

1шт.

1

0

PLATE

SN: 19925-33516

1шт.

1

0

PLATE

SN: 11008-19924

1шт.

2

6141-21-3231

GASKET (K2)

SN: 11008-UP

1шт.

3

01010-30820

BOLT

SN: .-UP

2шт.

3

0

BOLT

SN: 11008-.

2шт.

4

01602-00825

WASHER

SN: 11008-UP

2шт.

|$7

6141-21-3010

COVER ASS'Y,(4D92-1A)

SN: 11008-UP

1шт.

|$8

6141-21-3020

COVER ASS'Y,(4D92-1B)

SN: 11008-UP

1шт.

5

6141-21-3113

COVER,(4D92-1A)

SN: 11008-UP

1шт.

5

6141-21-3120

COVER,(4D92-1B)

SN: 11008-UP

1шт.

6

04020-01024

PIN

SN: 11008-UP

2шт.

7

6141-21-3150

POINTER

SN: 11008-UP

1шт.

8

6141-21-3261

GASKET (K2)

SN: 11008-UP

1шт.

9

01010-30895

BOLT

SN: 11008-UP

2шт.

10

01010-30875

BOLT

SN: .-UP

6шт.

10

01010-30875

BOLT

SN: 11008-.

7шт.

11

01010-30855

BOLT

SN: 11008-UP

1шт.

12

01580-00806

NUT

SN: 11008-UP

2шт.

13

01602-00825

WASHER

SN: 11008-UP

10шт.

14

6141-21-3611

COVER

SN: 11008-UP

1шт.

15

07000-02135

O-RING (K2)

SN: 11008-UP

1шт.

16

01010-30820

BOLT

SN: 11008-UP

2шт.

17

01010-30865

BOLT

SN: 11008-UP

1шт.

18

01602-00825

WASHER

SN: 11008-UP

3шт.

19

01641-20812

WASHER

SN: 11008-UP

3шт.

20

01010-30830

BOLT,(SEE FIG.401)

SN: 11008-UP

4шт.

21

01010-30818

BOLT,(SEE FIG.401)

SN: 33517-UP

2шт.

21

01010-30818

BOLT,(SEE FIG.401)

SN: 11008-33516

1шт.

22

01602-00825

WASHER,(SEE FIG.401)

SN: 11008-UP

5шт.

23

6140-21-3520

SEAL, FRONT (K2)

SN: 11008-UP

1шт.

24

6141-21-3716

SUPPORT

SN: 15073-UP

1шт.

24

0

SUPPORT

SN: 12819-15072

1шт.

24

0

SUPPORT

SN: 11008-12818

1шт.

25

6141-21-3724

SUPPORT

SN: 15073-UP

1шт.

25

0

SUPPORT

SN: 12819-15072

1шт.

25

0

SUPPORT

SN: 11008-12818

1шт.

26

01010-31025

BOLT

SN: 11008-UP

8шт.

27

01602-01030

WASHER

SN: 11008-UP

8шт.

Выбрано товаров: 78