Запчасти Komatsu 4D92-1B - -

Схема запчастей Komatsu 4D92-1B - - -
FIT
1:1
100%

Артикул

Название

Примечание

Количество

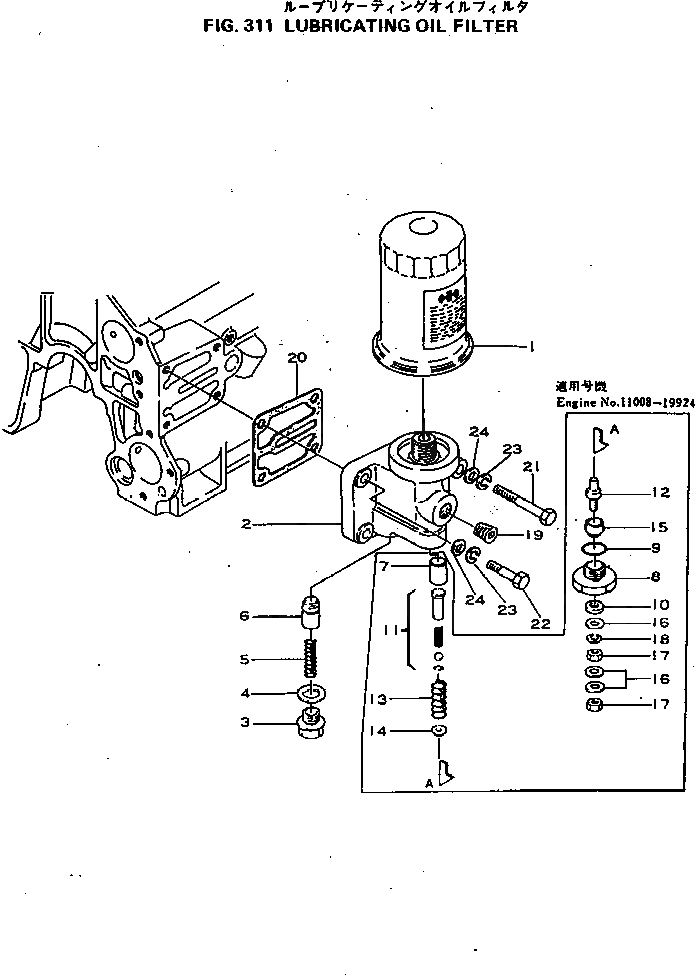
|1

6141-52-5004

SN: 20938-UP

1шт.

|1

0

SN: 19925-20937

1шт.

|1

0

SN: .-19924

1шт.

|1

0

SN: 11008-.

1шт.

1

600-211-5213

SN: 19925-UP

1шт.

|1

0

SN: 11008-19924

1шт.

2

6141-52-5115

SN: 20938-UP

1шт.

|2

0

SN: 19925-20937

1шт.

|2

0

SN: .-19924

1шт.

|2

0

SN: 11008-.

1шт.

3

600-211-7113

SN: 19925-UP

1шт.

|3

600-211-7111

SN: 11008-19924

1шт.

4

600-211-7332

SN: 19925-UP

1шт.

5

600-211-7723

SN: 19925-UP

1шт.

|5

600-211-7721

SN: 11008-19924

1шт.

6

600-211-7733

SN: 19925-UP

1шт.

|6

600-211-7731

SN: 11008-19924

1шт.

7

600-211-5730

SN: 11008-19924

1шт.

8

600-211-7811

SN: 11008-19924

1шт.

9

07000-02020

SN: 11008-19924

1шт.

10

600-211-7821

SN: 11008-19924

1шт.

11

600-211-7861

SN: 11008-19924

1шт.

12

600-211-7881

SN: 11008-19924

1шт.

13

600-211-7911

SN: 11008-19924

1шт.

14

600-211-5740

SN: 11008-19924

1шт.

15

600-211-7931

SN: 11008-19924

1шт.

16

6110-51-5580

SN: 11008-19924

3шт.

17

01580-30504

SN: 11008-19924

2шт.

18

01601-00513

SN: 11008-19924

1шт.

19

07043-00312

SN: 11008-19924

1шт.

20

6141-51-5810

SN: 11008-UP

1шт.

21

01010-31090

SN: 11008-UP

1шт.

22

01010-31035

SN: 11008-UP

3шт.

23

01602-01030

SN: 11008-UP

4шт.

24

01641-21016

SN: 11008-UP

4шт.

|1

6141-52-5004

SN: 20938-UP

1шт.

|1

0

SN: 19925-20937

1шт.

|1

0

SN: .-19924

1шт.

|1

0

SN: 11008-.

1шт.

1

600-211-5213

SN: 19925-UP

1шт.

|1

0

SN: 11008-19924

1шт.

2

6141-52-5115

SN: 20938-UP

1шт.

|2

0

SN: 19925-20937

1шт.

|2

0

SN: .-19924

1шт.

|2

0

SN: 11008-.

1шт.

3

600-211-7113

SN: 19925-UP

1шт.

|3

600-211-7111

SN: 11008-19924

1шт.

4

600-211-7332

SN: 19925-UP

1шт.

5

600-211-7723

SN: 19925-UP

1шт.

|5

600-211-7721

SN: 11008-19924

1шт.

6

600-211-7733

SN: 19925-UP

1шт.

|6

600-211-7731

SN: 11008-19924

1шт.

7

600-211-5730

SN: 11008-19924

1шт.

8

600-211-7811

SN: 11008-19924

1шт.

9

07000-02020

SN: 11008-19924

1шт.

10

600-211-7821

SN: 11008-19924

1шт.

11

600-211-7861

SN: 11008-19924

1шт.

12

600-211-7881

SN: 11008-19924

1шт.

13

600-211-7911

SN: 11008-19924

1шт.

14

600-211-5740

SN: 11008-19924

1шт.

15

600-211-7931

SN: 11008-19924

1шт.

16

6110-51-5580

SN: 11008-19924

3шт.

17

01580-30504

SN: 11008-19924

2шт.

18

01601-00513

SN: 11008-19924

1шт.

19

07043-00312

SN: 11008-19924

1шт.

20

6141-51-5810

SN: 11008-UP

1шт.

21

01010-31090

SN: 11008-UP

1шт.

22

01010-31035

SN: 11008-UP

3шт.

23

01602-01030

SN: 11008-UP

4шт.

24

01641-21016

SN: 11008-UP

4шт.

Выбрано товаров: 0