Запчасти Komatsu D21P-5 РУЛЕВ. УПРАВЛЕНИЕ МАСЛОПРОВОДЯЩАЯ ЛИНИЯ(№99-) СИСТЕМАУПРАВЛЕНИЯ ПОВОРОТОМ И КОНЕЧНАЯ ПЕРЕДАЧА

Схема запчастей Komatsu D21P-5 - РУЛЕВ. УПРАВЛЕНИЕ МАСЛОПРОВОДЯЩАЯ ЛИНИЯ(№99-) СИСТЕМАУПРАВЛЕНИЯ ПОВОРОТОМ И КОНЕЧНАЯ ПЕРЕДАЧА
FIT
1:1
100%

Артикул

Название

Примечание

Количество

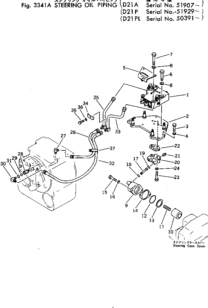
1

103-40-00010

VALVE ASS'Y

SN: 51929-UP

1шт.

1

103-40-00020

VALVE ASS'Y,(FOR PEDAL STEERING)

SN: 51929-UP

1шт.

2

103-43-21320

BRACKET

SN: 51929-UP

1шт.

3

01010-31030

BOLT

SN: 51929-UP

4шт.

4

01602-01030

WASHER

SN: 45007-UP

4шт.

5

103-40-23230

BRACKET

SN: 51929-UP

1шт.

6

01010-31270

BOLT

SN: 51929-UP

1шт.

7

01010-31280

BOLT

SN: 51929-UP

3шт.

8

01602-01236

WASHER

SN: 51929-UP

4шт.

9

103-40-22310

CYLINDER,L.H.

SN: 51929-UP

1шт.

9

103-40-22320

CYLINDER,R.H.

SN: 51929-UP

1шт.

10

113-40-22130

PISTON

SN: 45007-UP

2шт.

11

234-15-15230

SPRING

SN: 45007-UP

2шт.

12

07000-05055

O-RING

SN: 45007-UP

2шт.

13

07001-05055

RING

SN: 45007-UP

2шт.

14

103-40-22121

GASKET

SN: 45007-UP

2шт.

15

01010-31030

BOLT

SN: 45007-UP

4шт.

16

01602-01030

WASHER

SN: 45007-UP

4шт.

17

103-40-22330

SLEEVE

SN: 51929-UP

2шт.

18

07000-12010

O-RING

SN: 51929-UP

2шт.

19

07000-12012

O-RING

SN: 51929-UP

2шт.

20

103-40-22340

BLOCK

SN: 51929-UP

1шт.

21

07042-20108

PLUG

SN: 51929-UP

2шт.

22

103-40-22350

GASKET

SN: 51929-UP

1шт.

23

01010-31040

BOLT

SN: 51929-UP

4шт.

24

01602-01030

WASHER

SN: 51929-UP

4шт.

25

103-40-23220

TUBE

SN: 51929-UP

1шт.

26

103-40-23240

HOSE

SN: 51929-UP

1шт.

27

113-40-23130

ELBOW

SN: 45007-UP

1шт.

28

103-40-23260

NIPPLE

SN: 51929-UP

1шт.

29

04260-01270

BALL

SN: 51929-UP

1шт.

30

103-40-23270

ELBOW

SN: 51929-UP

1шт.

31

07002-01623

O-RING

SN: 51929-UP

1шт.

32

103-40-23152

HOSE

SN: 47731-UP

1шт.

33

103-40-23210

TUBE

SN: 51929-UP

1шт.

34

07284-01540

CLIP

SN: 51929-UP

1шт.

35

01010-30816

BOLT

SN: 51929-UP

1шт.

36

01602-00825

WASHER

SN: 51929-UP

1шт.

37

101-04-12250

CLIP ASS'Y

SN: 47731-UP

1шт.

Выбрано товаров: 39