Запчасти Komatsu D21P-5A 2 КОЖУХ (ДЛЯ F-R ТРАНСМИССИЯ) ОСНОВН. МУФТА¤ ДЕМПФЕР И ТРАНСМИССИЯ

Схема запчастей Komatsu D21P-5A - 2 КОЖУХ (ДЛЯ F-R ТРАНСМИССИЯ) ОСНОВН. МУФТА¤ ДЕМПФЕР И ТРАНСМИССИЯ
FIT
1:1
100%

Артикул

Название

Примечание

Количество

|$0

104-15-00010

TRANSMISSION ASS'Y

SN: 45007-UP

1шт.

|$$2

THIS ASSEMBLY CONSISTS OF ALL PARTS SHOWN IN FIGS.3271 TO 3279.

-1шт.

|$2

104-15-00110

TRANSMISSION ASS'Y

SN: 45007-UP

1шт.

|$$4

THIS ASSEMBLY CONSISTS OF ALL PARTS SHOWN IN FIGS.3271 TO 3275 AND 3279.

-1шт.

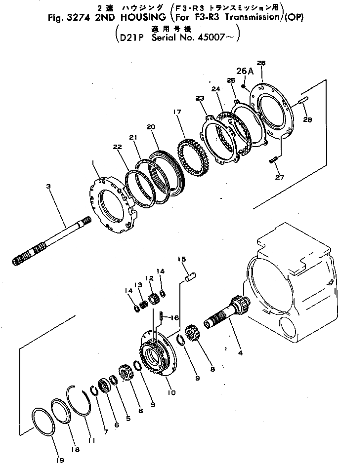
1

104-15-21151

HOUSING

SN: 45007-UP

1шт.

3

104-15-22110

SHAFT

SN: 45007-UP

1шт.

4

104-15-22131

SHAFT

SN: 57549-UP

1шт.

4

0

SHAFT

SN: 45007-57548

1шт.

|$$9

(104-15-22131,104-15-22111, 113-15-39120)

-1шт.

5

104-15-22170

SPACER

SN: 45007-UP

1шт.

6

06000-06007

BEARING

SN: 45007-UP

1шт.

7

04064-03515

RING

SN: 45007-UP

1шт.

8

103-15-22230

GEAR

SN: 45007-UP

2шт.

9

103-15-29510

RING

SN: 45007-UP

2шт.

10

104-15-22330

CARRIER

SN: 45007-UP

1шт.

11

113-15-29510

RING

SN: 45007-UP

1шт.

12

103-15-22420

GEAR

SN: 45007-UP

3шт.

13

103-15-29420

BEARING

SN: 45007-UP

3шт.

14

113-15-22560

WASHER

SN: 45007-UP

6шт.

15

103-15-22510

SHAFT

SN: 45007-UP

3шт.

16

113-15-29560

PIN

SN: .-UP

3шт.

16

0

PIN

SN: 45007-.

3шт.

17

104-15-22650

GEAR

SN: 45007-UP

1шт.

18

113-15-22380

COVER

SN: 45007-UP

1шт.

19

113-15-22930

RING

SN: 45007-UP

1шт.

20

104-15-22761

PISTON

SN: 45007-UP

1шт.

21

113-15-29210

RING,SEAL

SN: 45007-UP

1шт.

22

113-15-29220

RING,SEAL

SN: 45007-UP

1шт.

23

113-15-22720

PLATE

SN: 45007-UP

1шт.

24

113-15-22711

DISC

SN: 45007-UP

1шт.

25

113-15-22730

PLATE

SN: 45007-UP

1шт.

|$31

104-15-00640

PLATE ASS'Y

SN: 45007-UP

1шт.

26

0

PLATE

SN: 45007-UP

1шт.

26A

113-15-25490

PLUG

SN: 45007-UP

1шт.

27

104-15-22920

SPRING

SN: 45007-UP

5шт.

28

113-15-21290

PIN

SN: 45007-UP

2шт.

Выбрано товаров: 36