Запчасти Komatsu D21P-5A СИДЕНЬЕ ОПЕРАТОРА (OP) ЧАСТИ КОРПУСА

Схема запчастей Komatsu D21P-5A - СИДЕНЬЕ ОПЕРАТОРА (OP) ЧАСТИ КОРПУСА
FIT
1:1
100%

Артикул

Название

Примечание

Количество

|$0

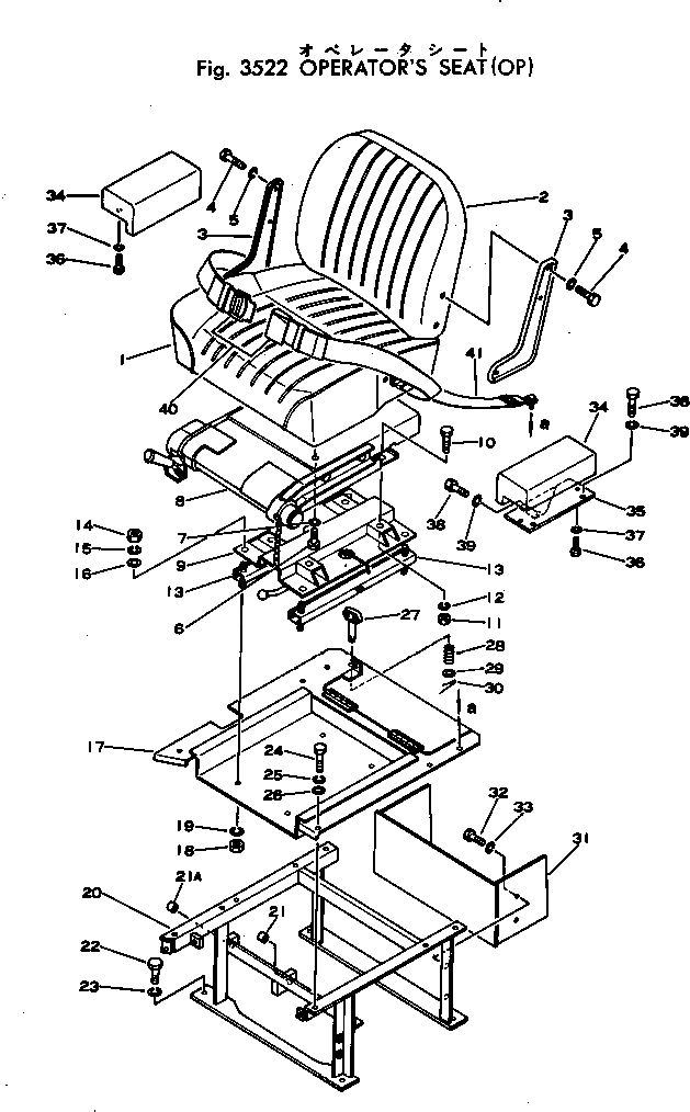
135-57-31101

SUSPENSION SEAT A.

SN: 45003-UP

1шт.

|$1

135-57-31121

SEAT ASS'Y

SN: 45003-UP

1шт.

1

135-57-31141

CUSHION,SEAT

SN: 45003-UP

1шт.

2

135-57-31160

CUSHION,BACK

SN: 45003-UP

1шт.

3

09403-00070

PLATE,L.H.

SN: 45003-UP

1шт.

3

09403-00080

PLATE,R.H.

SN: 45003-UP

1шт.

4

01010-31016

BOLT

SN: 45003-UP

8шт.

5

01602-01030

WASHER,SPRING

SN: 45003-UP

8шт.

6

01010-31020

BOLT

SN: 45003-UP

4шт.

7

01602-01030

WASHER,SPRING

SN: 45003-UP

4шт.

|$10

135-57-31110

SUSPENSION ASS'Y

SN: 45003-UP

1шт.

8

135-57-31130

SUSPENSION

SN: 45003-UP

1шт.

9

135-57-31150

SPACER

SN: 45003-UP

1шт.

10

01010-31020

BOLT

SN: 45003-UP

4шт.

11

01580-01008

NUT

SN: 45003-UP

4шт.

12

01602-01030

WASHER,SPRING

SN: 45003-UP

4шт.

13

155-57-12150

ADJUSTER

SN: 45003-UP

2шт.

14

01580-01210

NUT

SN: 45003-UP

4шт.

15

01602-01236

WASHER,SPRING

SN: 45003-UP

4шт.

16

01640-21223

WASHER

SN: 45003-UP

4шт.

17

103-57-21212

PLATE

SN: 45003-UP

1шт.

18

01580-01210

NUT

SN: 45003-UP

4шт.

19

01602-01236

WASHER,SPRING

SN: 45003-UP

4шт.

|$23

103-57-00030

FRAME ASS'Y (STD)

SN: 50001-UP

1шт.

|$24

103-57-00011

FRAME ASS'Y

SN: .-50000

1шт.

|$25

103-57-00010

FRAME ASS'Y

SN: 45003-.

1шт.

|$26

103-57-00030

FRAME ASS'Y,(FOR LEVER STEERING) (OP)

SN: 45003-50000

1шт.

20

0

FRAME (STD)

SN: 50001-UP

1шт.

20

0

FRAME

SN: .-50000

1шт.

20

0

FRAME

SN: 45003-.

1шт.

20

0

FRAME,(FOR LEVER STEERING) (OP)

SN: 45003-50000

1шт.

21

09350-03020

BUSHING (STD)

SN: 50001-UP

1шт.

21

09350-02020

BUSHING

SN: 45003-50000

1шт.

21

09350-03020

BUSHING,(FOR LEVER STEERING) (OP)

SN: 45003-50000

1шт.

21A

09350-02520

BUSHING (STD)

SN: 50001-UP

1шт.

21A

09350-02020

BUSHING

SN: 45003-50000

1шт.

21A

09350-02520

BUSHING,(FOR LEVER STEERING) (OP)

SN: 45003-50000

1шт.

22

01010-31430

BOLT

SN: 45003-UP

4шт.

23

01602-01442

WASHER,SPRING

SN: 45003-UP

4шт.

24

01010-31025

BOLT

SN: 45003-UP

4шт.

25

01602-01030

WASHER,SPRING

SN: 45003-UP

4шт.

26

01643-31032

WASHER

SN: 45003-UP

4шт.

|$42

103-57-00020

LOCK ASS'Y

SN: 45003-UP

1шт.

27

101-57-31210

LOCK

SN: 45003-UP

1шт.

28

09459-01614

SPRING

SN: 45003-UP

1шт.

29

01642-01016

WASHER

SN: 45003-UP

1шт.

30

04050-03015

PIN,COTTER

SN: 45003-UP

1шт.

31

103-57-21151

BOX,TOOL

SN: 45003-UP

1шт.

32

01010-31020

BOLT

SN: 45003-UP

4шт.

33

01602-01030

WASHER,SPRING

SN: 45003-UP

4шт.

34

09402-00000

REST,ARM

SN: 45003-UP

2шт.

35

101-57-21112

BRACKET

SN: 45003-UP

1шт.

36

01010-30825

BOLT

SN: 45003-UP

4шт.

37

01602-00825

WASHER,SPRING

SN: 45003-UP

4шт.

38

01010-31020

BOLT

SN: 45003-UP

3шт.

39

01602-01030

WASHER,SPRING

SN: 45003-UP

3шт.

40

09409-10000

BELT,LAP

SN: 45003-UP

1шт.

41

09409-20000

BELT, TETHER

SN: 45003-UP

2шт.

Выбрано товаров: 58