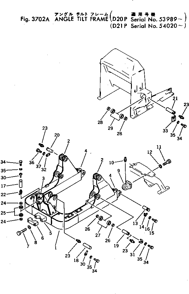
Запчасти Komatsu D21P-5A ANGLE НАКЛОН. РАМА(№-) РАБОЧЕЕ ОБОРУДОВАНИЕ

Схема запчастей Komatsu D21P-5A - ANGLE НАКЛОН. РАМА(№-) РАБОЧЕЕ ОБОРУДОВАНИЕ
FIT
1:1
100%

Артикул

Название

Примечание

Количество

|$0

104-72-00021

FRAME ASS'Y

SN: 54020-UP

1шт.

1

0

FRAME ASS'Y

SN: 54020-UP

1шт.

2

104-72-23212

BRACKET,L.H.

SN: 54020-UP

1шт.

2

104-72-23222

BRACKET,R.H.

SN: 54020-UP

1шт.

3

104-72-22340

BRACKET

SN: 45003-UP

1шт.

4

104-72-21340

BRACKET

SN: 45003-UP

2шт.

|$6

104-72-00010

PIVOT ASS'Y

SN: 45003-UP

1шт.

5

104-72-22351

BEARING

SN: 45003-UP

1шт.

6

130-70-13231

CAP

SN: 45003-UP

1шт.

7

01010-32490

BOLT

SN: 45003-UP

2шт.

8

01643-32460

WASHER

SN: 45003-UP

2шт.

9

104-72-22371

BRACKET

SN: 54020-UP

2шт.

10

07020-00000

FITTING,GREASE

SN: 54020-UP

2шт.

11

01010-32060

BOLT

SN: 45003-UP

6шт.

12

01643-32060

WASHER

SN: 45003-UP

6шт.

13

104-72-21820

PIN

SN: 45003-UP

2шт.

14

104-72-21880

LOCK

SN: 45003-UP

2шт.

15

01010-31025

BOLT

SN: 45003-UP

2шт.

16

01602-01030

WASHER,SPRING

SN: 45003-UP

2шт.

17

104-72-21841

PIN

SN: 45003-UP

1шт.

18

104-72-22521

PIN

SN: 45003-UP

1шт.

19

104-72-22570

PIN

SN: 45003-UP

2шт.

20

104-72-21831

PIN

SN: 45003-UP

2шт.

21

104-72-21890

PIN

SN: 45003-UP

2шт.

22

07020-00900

FITTING,GREASE

SN: 45003-UP

1шт.

23

07020-00000

FITTING,GREASE

SN: 45003-UP

7шт.

24

104-72-21940

COLLAR

SN: 45003-UP

2шт.

25

104-72-21970

BUSHING

SN: 45003-UP

2шт.

26

104-72-21960

COLLAR

SN: 45003-UP

4шт.

27

104-72-21990

BUSHING

SN: 45003-UP

4шт.

28

114-72-21940

COLLAR

SN: 45003-UP

4шт.

29

114-72-21960

BUSHING

SN: 45003-UP

4шт.

30

114-72-21970

PIN

SN: 45003-UP

2шт.

31

104-72-21790

PLATE

SN: 45003-UP

2шт.

32

04082-00212

LOCK

SN: 45003-UP

2шт.

33

114-72-21860

LOCK

SN: 45003-UP

2шт.

34

01010-31025

BOLT

SN: 45003-UP

6шт.

35

01602-01030

WASHER,SPRING

SN: 45003-UP

6шт.

36

01010-31225

BOLT

SN: 45003-UP

4шт.

37

01602-01236

WASHER,SPRING

SN: 45003-UP

4шт.

Выбрано товаров: 40