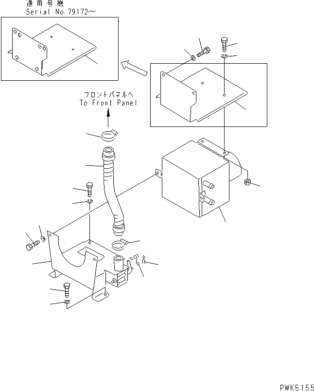
Запчасти Komatsu D21P-7A-M ОБОГРЕВАТЕЛЬ. (ОБОГРЕВАТЕЛЬ.) КАБИНА ОПЕРАТОРА И СИСТЕМА УПРАВЛЕНИЯ

Схема запчастей Komatsu D21P-7A-M - ОБОГРЕВАТЕЛЬ. (ОБОГРЕВАТЕЛЬ.) КАБИНА ОПЕРАТОРА И СИСТЕМА УПРАВЛЕНИЯ
1
2
3
4
5
5
6
6
7
8
9
10
10
11
11
12
13
14
15
16
FIT
1:1
100%

Артикул

Название

Примечание

Количество

1

113-X79-3150

CAR HEATER ASS'Y,(SEE FIG.K0710-51A0)

SN: 78604-UP

1шт.

2

103-Y79-3110

BRACKET

SN: 78604-UP

1шт.

3

01010-81020

BOLT

SN: 78604-UP

3шт.

4

01643-31032

WASHER

SN: 78604-UP

3шт.

5

01010-80616

BOLT

SN: 78604-UP

4шт.

6

01602-20619

WASHER,SPRING

SN: 78604-UP

4шт.

7

144-999-9810

SPRING

SN: 78604-UP

1шт.

8

04050-11610

PIN,COTTER

SN: 78604-UP

2шт.

9

09485-03704

HOSE,AIR

SN: 78604-UP

1шт.

10

07281-00419

CLAMP

SN: 78604-UP

2шт.

11

103-Y79-3121

STEP

SN: 79172-UP

1шт.

|11

103-Y79-3120

STEP

SN: 78604-79171

1шт.

12

01010-81020

BOLT

SN: 78604-UP

2шт.

13

01643-31032

WASHER

SN: 78604-UP

2шт.

14

01010-80616

BOLT

SN: 78604-UP

2шт.

15

01580-10605

NUT

SN: 78604-UP

2шт.

16

01602-20619

WASHER,SPRING

SN: 78604-UP

2шт.

Выбрано товаров: 17