Запчасти Komatsu D21P-7A-M РАБОЧЕЕ ОБОРУДОВАНИЕ УПРАВЛ-Е (РЫЧАГ¤ /) (ДЛЯ PAT DOZER) (С -POINT СЦЕПКА)(№78-87) КАБИНА ОПЕРАТОРА И СИСТЕМА УПРАВЛЕНИЯ

Схема запчастей Komatsu D21P-7A-M - РАБОЧЕЕ ОБОРУДОВАНИЕ УПРАВЛ-Е (РЫЧАГ¤ /) (ДЛЯ PAT DOZER)       (С -POINT СЦЕПКА)(№78-87) КАБИНА ОПЕРАТОРА И СИСТЕМА УПРАВЛЕНИЯ
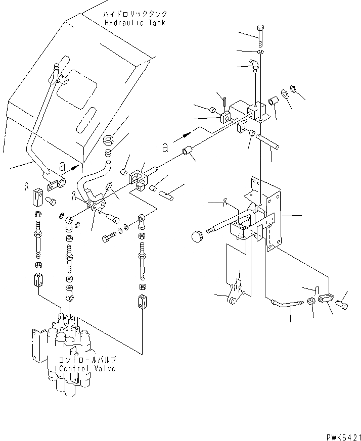
1
2
3
4
5
5
6
7
8
9
9
10
11
12
13
14
15
16
17
18
18
19
20
21
22
23
24
25
26
27
FIT
1:1
100%

Артикул

Название

Примечание

Количество

|$$1

SERIAL NO. 80227 INDICATES D20P-7A. THE OTHER MACHINES ARE AS FOLLOWS.

-1шт.

|$$2

D20P-7B = 80028

-1шт.

|$$3

D21P-7A = 80265

-1шт.

|$$4

D21P-7B = 80175

-1шт.

1

104-43-36362

LEVER

SN: 78604-80227

1шт.

2

114-43-48340

SLEEVE

SN: 78604-80227

1шт.

3

201-62-25190

NUT

SN: 78604-80227

1шт.

4

103-43-36281

YOKE

SN: 78604-80227

1шт.

5

203-43-31420

BUSHING

SN: 78604-80227

2шт.

6

103-43-36140

PIN

SN: 78604-80227

1шт.

7

04025-00324

PIN,SPRING

SN: 78604-80227

1шт.

8

104-43-36231

BRACKET

SN: 78604-80227

1шт.

9

203-43-31420

BUSHING

SN: 78604-80227

2шт.

10

07020-00900

FITTING,GREASE

SN: 78604-80227

1шт.

11

01010-80820

BOLT

SN: 78604-80227

2шт.

12

01602-20825

WASHER,SPRING

SN: 78604-80227

2шт.

13

01641-21423

WASHER

SN: 78604-80227

1шт.

14

04064-01410

RING,SNAP

SN: 78604-80227

1шт.

15

113-43-31280

SHAFT

SN: 78604-80227

1шт.

16

04025-00324

PIN,SPRING

SN: 78604-80227

1шт.

17

104-43-36222

LEVER

SN: 78604-80227

1шт.

18

203-43-31420

BUSHING

SN: 78604-80227

2шт.

19

103-43-36331

BRACKET

SN: 78604-80227

1шт.

20

09463-00006

SPRING

SN: 78604-80227

1шт.

21

04050-11612

PIN,COTTER

SN: 78604-80227

2шт.

22

103-43-36230

ROD

SN: 78604-80227

1шт.

23

04050-11612

PIN,COTTER

SN: 78604-80227

1шт.

24

04211-20634

YOKE

SN: 78604-80227

1шт.

25

01580-10605

NUT

SN: 78604-80227

1шт.

26

04205-10618

PIN

SN: 78604-80227

1шт.

27

04050-11612

PIN,COTTER

SN: 78604-80227

1шт.

Выбрано товаров: 31