Запчасти Komatsu D21P-8E0 ДВИГАТЕЛЬ ПРОВОДКА, ПРОВОДКА (№9-) ДВИГАТЕЛЬ ПРОВОДКА, БЕЗ КАБИНА ROPS

Схема запчастей Komatsu D21P-8E0 - ДВИГАТЕЛЬ ПРОВОДКА, ПРОВОДКА (№9-) ДВИГАТЕЛЬ ПРОВОДКА, БЕЗ КАБИНА ROPS
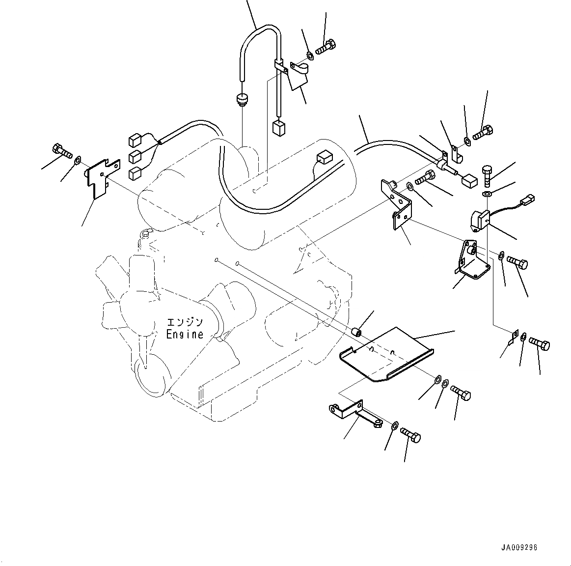
30
29
28
10
11
9
13
14
32
1
7
8
15
16
20
21
22
23
24
25
26
27
31
12
18
19
17
4
6
5
2
3
FIT
1:1
100%

Артикул

Название

Примечание

Количество

1

104-06-51870

Bracket

SN: 90210-UP

1шт.

2

104-01-52261

Cover

SN: 90346-UP

1шт.

3

104-01-52270

Boss

SN: 90346-UP

1шт.

4

01010-80840

Bolt

SN: 90346-UP

1шт.

5

01643-30823

Washer

SN: 90346-UP

1шт.

6

01643-30823

Washer

SN: 90346-UP

1шт.

7

01010-81025

Bolt

SN: 90346-UP

1шт.

8

01643-31032

Washer

SN: 90210-UP

1шт.

9

104-06-51841

Bracket

SN: 90210-UP

1шт.

10

01010-81030

Bolt

SN: 90210-UP

2шт.

11

01643-31032

Washer

SN: 90210-UP

2шт.

12

104-06-51831

Bracket

SN: 90210-UP

1шт.

13

01010-81030

Bolt

SN: 90210-UP

2шт.

14

01643-31032

Washer

SN: 90210-UP

2шт.

15

01010-80616

Bolt

SN: 90210-UP

2шт.

16

01643-30623

Washer

SN: 90210-UP

2шт.

17

08193-20010

Clip

SN: 90210-UP

1шт.

18

01010-81016

Bolt

SN: 90210-UP

1шт.

19

01643-31032

Washer

SN: 90210-UP

1шт.

20

104-06-51880

Bracket

SN: 90210-UP

1шт.

21

01010-80820

Bolt

SN: 90210-UP

2шт.

22

01643-30823

Washer

SN: 90210-UP

2шт.

23

104-06-51662

Wiring Harness

SN: 90227-UP

1шт.

24

04434-51010

Clip

SN: 90210-UP

2шт.

25

01010-81020

Bolt

SN: 90210-UP

1шт.

26

01643-31032

Washer

SN: 90210-UP

1шт.

27

04434-51010

Clip

SN: 90210-UP

1шт.

28

04434-51710

Clip

SN: 90210-UP

1шт.

29

01010-81020

Bolt

SN: 90210-UP

1шт.

30

01643-31032

Washer

SN: 90210-UP

1шт.

31

104-06-51920

Indicator

SN: 90210-UP

1шт.

32

104-06-51931

Relay

SN: 90210-UP

1шт.

Выбрано товаров: 32