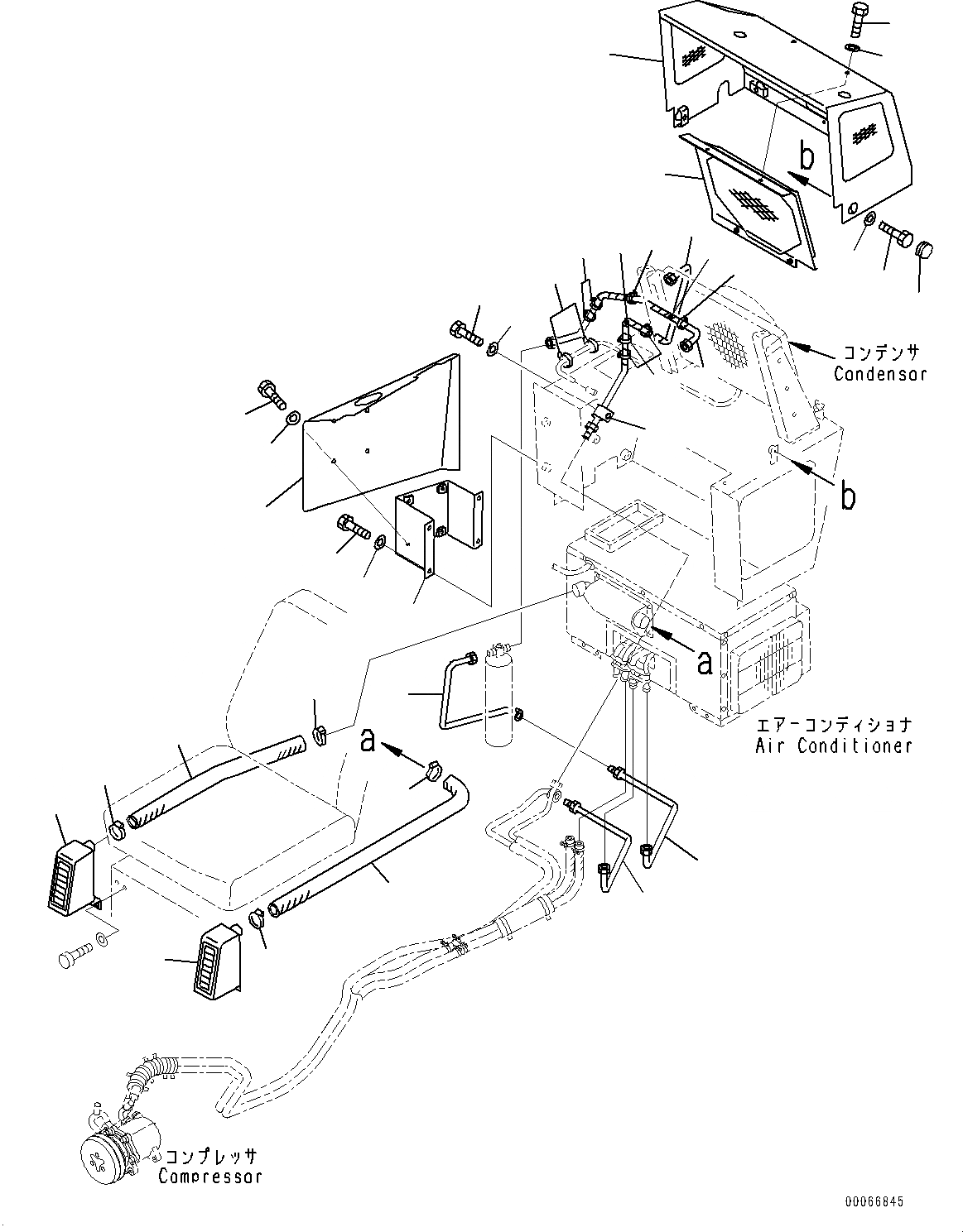
Запчасти Komatsu D21P-8E0 БЛОК КОНДИЦИОНЕРА, ВОЗДУХОВОДЫ (№9-) БЛОК КОНДИЦИОНЕРА, С MONO РЫЧАГ УПРАВЛЕНИЯ ПОВОРОТОМ, ПЕРЕД. - РЕВЕРС ТРАНСМИССИЯ

Схема запчастей Komatsu D21P-8E0 - БЛОК КОНДИЦИОНЕРА, ВОЗДУХОВОДЫ (№9-) БЛОК КОНДИЦИОНЕРА, С MONO РЫЧАГ УПРАВЛЕНИЯ ПОВОРОТОМ, ПЕРЕД. - РЕВЕРС ТРАНСМИССИЯ
27
18
12
31
16
8
29
6
5
8
11
8
13
30
22
23
21
23
20
3
10
14
15
17
19
28
2
20
1
9
24
25
26
8
4
7
FIT
1:1
100%

Артикул

Название

Примечание

Количество

1

114-X11-3460

Tube

SN: 90210-UP

1шт.

2

114-X11-3470

Tube

SN: 90210-UP

1шт.

3

114-X11-3480

Tube

SN: 90210-UP

1шт.

4

114-X11-3490

Tube

SN: 90210-UP

1шт.

5

114-X11-3560

Tube

SN: 90210-UP

1шт.

6

08017-31003

Conduit

SN: 90210-UP

1шт.

7

08017-31503

Conduit

SN: 90210-UP

1шт.

8

08034-20519

Band

SN: 90210-UP

7шт.

9

103-Y79-5310

Cover

SN: 90210-UP

1шт.

10

01010-81020

Bolt

SN: 90210-UP

6шт.

11

01643-31032

Washer

SN: 90210-UP

6шт.

12

114-X11-3510

Bracket

SN: 90210-UP

1шт.

13

01010-80816

Bolt

SN: 90210-UP

4шт.

14

01643-30823

Washer

SN: 90210-UP

4шт.

15

114-X11-3520

Cover

SN: 90210-UP

1шт.

16

01010-81020

Bolt

SN: 90210-UP

4шт.

17

01643-31032

Washer

SN: 90210-UP

4шт.

18

104-Y11-3111

Duct, Air, L.H.

SN: 90210-UP

1шт.

19

09485-04509

Hose, Air

SN: 90210-UP

1шт.

20

07281-00489

Clamp, Hose

SN: 90210-UP

2шт.

21

104-Y11-3121

Duct, Air, R.H.

SN: 90210-UP

1шт.

22

09485-04509

Hose, Air

SN: 90210-UP

1шт.

23

07281-00489

Clamp, Hose

SN: 90210-UP

2шт.

24

114-X11-3951

Cover

SN: 90210-UP

1шт.

25

01010-D0616

Bolt

SN: 90210-UP

8шт.

26

01643-70623

Washer

SN: 90210-UP

8шт.

27

08034-20823

Band

SN: 90210-UP

2шт.

28

09415-02512

Cap

SN: 90210-UP

6шт.

29

08036-01214

Clip

SN: 90210-UP

1шт.

30

01010-81020

Bolt

SN: 90210-UP

1шт.

31

01643-31032

Washer

SN: 90210-UP

1шт.

Выбрано товаров: 31