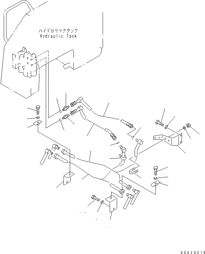
Запчасти Komatsu D21P-8T ГИДРОЛИНИЯ (ЦИЛИНДР ПЕРЕКОСА ЛИНИЯ) (ШАССИ) (ДЛЯ TОБОД КОЛЕСАMING DOZER) ГИДРАВЛИКА

Схема запчастей Komatsu D21P-8T - ГИДРОЛИНИЯ (ЦИЛИНДР ПЕРЕКОСА ЛИНИЯ) (ШАССИ) (ДЛЯ TОБОД КОЛЕСАMING DOZER) ГИДРАВЛИКА
1
1
2
2
3
4
5
6
7
8
8
9
10
11
12
13
13
14
14
15
16
17
17
18
18
19
19
FIT
1:1
100%

Артикул

Название

Примечание

Количество

1

20T-62-71150

UNION

SN: 83001-UP

2шт.

2

07002-11823

O-RING

SN: 83001-UP

2шт.

3

104-Y16-5610

TUBE

SN: 83001-UP

1шт.

4

104-Y16-5620

TUBE

SN: 83001-UP

1шт.

5

103-62-33331

BRACKET

SN: 83001-UP

1шт.

6

01010-81025

BOLT

SN: 83001-UP

2шт.

7

01643-31032

WASHER

SN: 83001-UP

2шт.

8

07283-22236

CLIP

SN: 83001-UP

2шт.

9

01599-01011

NUT

SN: 83001-UP

4шт.

10

01643-31032

WASHER

SN: 83001-UP

4шт.

11

104-Y16-5510

TUBE

SN: 83001-UP

1шт.

12

104-Y16-5520

TUBE

SN: 83001-UP

1шт.

13

02896-61012

O-RING

SN: 83001-UP

2шт.

14

104-Y16-2530

BRACKET

SN: 83001-UP

2шт.

15

01010-81020

BOLT

SN: 83001-UP

2шт.

16

01643-31032

WASHER

SN: 83001-UP

2шт.

17

104-62-22350

CLAMP

SN: 83001-UP

2шт.

18

01010-81020

BOLT

SN: 83001-UP

2шт.

19

01602-21030

WASHER

SN: 83001-UP

2шт.

Выбрано товаров: 19