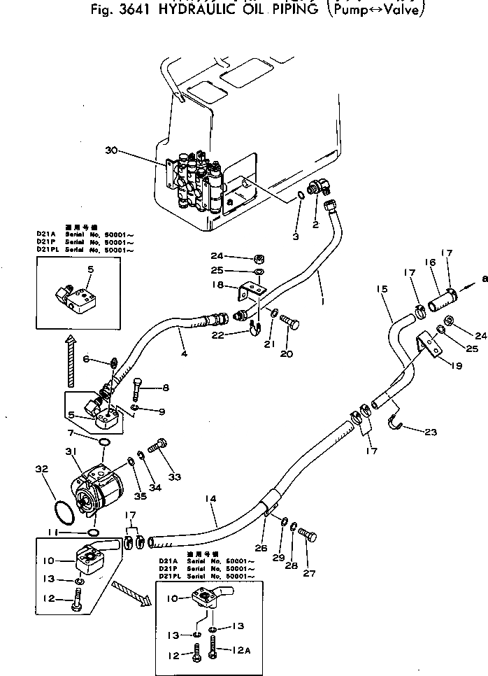
Запчасти Komatsu D21PL-5 ГИДРАВЛ МАСЛОПРОВОДЯЩАЯ ЛИНИЯ (ИЗ НАСОСА В КЛАПАН) УПРАВЛ-Е РАБОЧИМ ОБОРУДОВАНИЕМ

Схема запчастей Komatsu D21PL-5 - ГИДРАВЛ МАСЛОПРОВОДЯЩАЯ ЛИНИЯ (ИЗ НАСОСА В КЛАПАН) УПРАВЛ-Е РАБОЧИМ ОБОРУДОВАНИЕМ
FIT
1:1
100%

Артикул

Название

Примечание

Количество

1

103-62-21112

TUBE

SN: 45013-UP

1шт.

2

07235-10522

ELBOW

SN: 45013-UP

1шт.

3

07002-12434

O-RING

SN: 45013-UP

1шт.

4

07108-20406

HOSE

SN: 45013-UP

1шт.

5

103-62-21240

FLANGE

SN: 50001-UP

1шт.

5

103-62-21220

FLANGE

SN: 45013-50000

1шт.

6

07042-20108

PLUG

SN: 45013-UP

1шт.

7

07000-13025

O-RING

SN: 45013-UP

1шт.

8

01010-30845

BOLT

SN: 45013-UP

4шт.

9

01602-00825

WASHER

SN: 45013-UP

4шт.

10

103-62-21230

FLANGE

SN: 50001-UP

1шт.

10

103-62-21141

FLANGE

SN: 45013-50000

1шт.

11

07000-13032

O-RING

SN: 45013-UP

1шт.

12

01010-31035

BOLT

SN: 50001-UP

2шт.

12

01010-31055

BOLT

SN: 45013-50000

4шт.

12A

01010-31045

BOLT

SN: 50001-UP

2шт.

13

01602-01030

WASHER

SN: 45013-UP

4шт.

14

07261-22610

HOSE

SN: 45013-UP

1шт.

15

103-62-21181

TUBE

SN: 45013-UP

1шт.

16

07260-22609

HOSE

SN: 45013-UP

1шт.

17

07281-00419

CLAMP

SN: 45013-UP

6шт.

18

103-62-21151

PLATE

SN: 45013-UP

1шт.

19

103-62-21191

CLAMP

SN: 45013-UP

1шт.

20

01010-31020

BOLT

SN: 45013-UP

1шт.

21

01643-31032

WASHER

SN: 45013-UP

1шт.

22

07283-22236

CLIP

SN: 45013-UP

1шт.

23

07283-22738

CLIP

SN: 45013-UP

1шт.

24

01599-01011

NUT

SN: 45013-UP

4шт.

25

01643-31032

WASHER

SN: 45013-UP

4шт.

26

103-62-21160

CLIP

SN: 45013-UP

1шт.

27

01010-31025

BOLT

SN: 45013-UP

2шт.

28

01602-01030

WASHER

SN: 45013-UP

2шт.

29

01643-31032

WASHER

SN: 45013-UP

2шт.

30

700-22-14001

VALVE ASS'Y

SN: 50001-UP

1шт.

30

700-22-14000

VALVE ASS'Y

SN: 45013-50000

1шт.

31

705-11-28010

PUMP ASS'Y

SN: 50001-UP

1шт.

31

704-11-28200

PUMP ASS'Y

SN: 45013-50000

1шт.

32

07000-02085

O-RING

SN: 45013-UP

1шт.

33

01010-31035

BOLT

SN: 50001-UP

2шт.

33

01010-31030

BOLT

SN: 45013-50000

2шт.

34

01602-01030

WASHER

SN: 45013-UP

2шт.

35

01643-31032

WASHER

SN: 45013-UP

2шт.

Выбрано товаров: 42