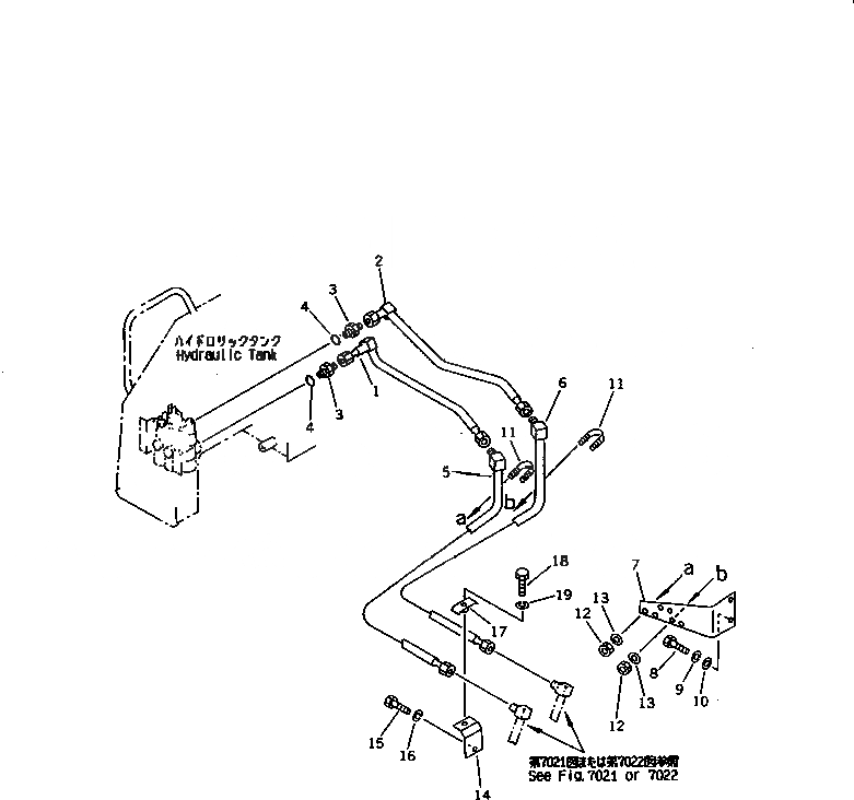
Запчасти Komatsu D21PL-6 ГИДРОЛИНИЯ (ЦИЛИНДР ПЕРЕКОСА ЛИНИЯ) (ШАССИ) УПРАВЛ-Е РАБОЧИМ ОБОРУДОВАНИЕМ

Схема запчастей Komatsu D21PL-6 - ГИДРОЛИНИЯ (ЦИЛИНДР ПЕРЕКОСА ЛИНИЯ) (ШАССИ) УПРАВЛ-Е РАБОЧИМ ОБОРУДОВАНИЕМ
FIT
1:1
100%

Артикул

Название

Примечание

Количество

1

103-62-33120

TUBE

SN: 60001-UP

1шт.

2

103-62-33111

TUBE

SN: 60032-UP

1шт.

2

103-62-33110

TUBE

SN: 60001-60031

1шт.

3

07230-20422

UNION

SN: 60716-UP

2шт.

3

0

NIPPLE

SN: 60001-60715

2шт.

4

07002-12034

O-RING

SN: 60001-UP

2шт.

5

10G-62-23110

TUBE

SN: 60001-UP

1шт.

6

104-62-33111

TUBE

SN: 60032-UP

1шт.

6

104-62-33110

TUBE

SN: 60001-60031

1шт.

7

104-62-33250

BRACKET

SN: 60001-UP

1шт.

8

01010-51030

BOLT

SN: 60001-UP

2шт.

9

01602-21030

WASHER,SPRING

SN: 60001-UP

2шт.

10

01643-31032

WASHER

SN: 60001-UP

2шт.

11

07283-21529

CLIP

SN: 60001-UP

2шт.

12

01598-00809

NUT

SN: 60001-UP

4шт.

13

01643-30823

WASHER

SN: 60001-UP

4шт.

14

104-62-33170

CLAMP

SN: 60001-UP

1шт.

15

01010-51020

BOLT

SN: 60001-UP

1шт.

16

01602-21030

WASHER,SPRING

SN: 60001-UP

1шт.

17

104-62-22350

CLAMP

SN: 60001-UP

1шт.

18

01010-51020

BOLT

SN: 60001-UP

1шт.

19

01602-21030

WASHER,SPRING

SN: 60001-UP

1шт.

Выбрано товаров: 22