Запчасти Komatsu D21PL-6 КЛАПАН ТРАНСМИССИИ (F-R) (MODULATION) ОСНОВН. МУФТА¤ ДЕМПФЕР ¤ТРАНСМИССИЯ¤ РУЛЕВ. УПРАВЛЕНИЕ И КОНЕЧНАЯ ПЕРЕДАЧА

Схема запчастей Komatsu D21PL-6 - КЛАПАН ТРАНСМИССИИ (F-R) (MODULATION) ОСНОВН. МУФТА¤ ДЕМПФЕР ¤ТРАНСМИССИЯ¤ РУЛЕВ. УПРАВЛЕНИЕ И КОНЕЧНАЯ ПЕРЕДАЧА
FIT
1:1
100%

Артикул

Название

Примечание

Количество

|$0

104-15-00080

TRANSMISSION ASS'Y

SN: 60907-UP

1шт.

|$1

0

TRANSMISSION ASS'Y

SN: 60001-60906

1шт.

|$$3

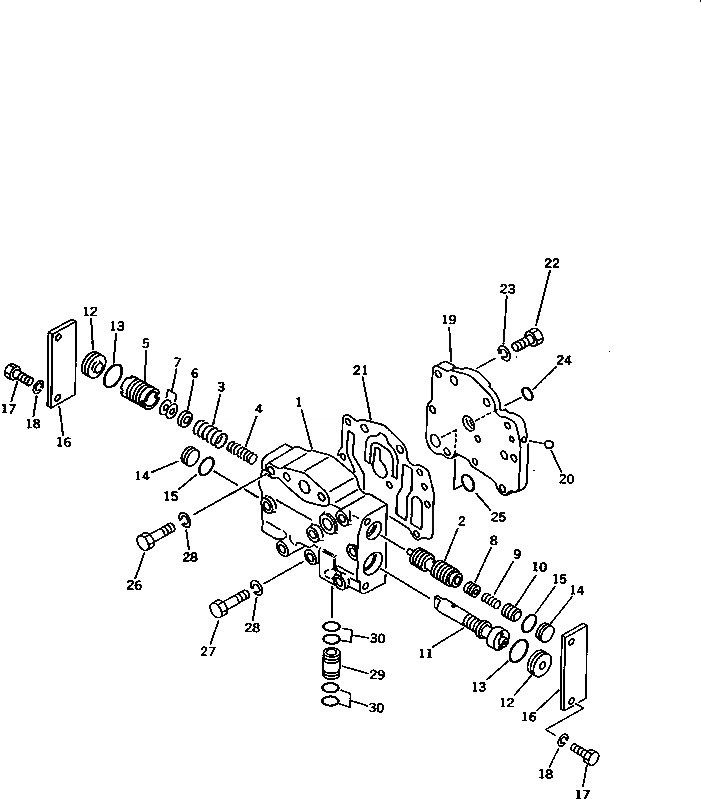
THESE ASSEMBLIES CONSIST OF ALL PARTS SHOWN IN FIGS.2511 TO 2517 AND 2553, 2563.

-1шт.

|$3

103-15-00510

VALVE ASS'Y,MODULATION

SN: 60001-UP

1шт.

1

104-15-25110

BODY

SN: 60001-UP

1шт.

2

104-15-25210

SPOOL

SN: 60001-UP

1шт.

3

104-15-25290

SPRING, (L= 62.0)

SN: 60001-UP

1шт.

4

104-15-25280

SPRING

SN: 60001-UP

1шт.

5

104-15-25220

VALVE

SN: 60001-UP

1шт.

6

104-15-25260

SPACER

SN: 60001-UP

1шт.

7

113-15-25270

SHIM, 0.2MM

SN: 60001-UP

2шт.

7

113-15-25260

SHIM, 0.5MM

SN: 60001-UP

3шт.

8

104-15-25490

VALVE

SN: 60001-UP

1шт.

9

125-15-15290

SPRING

SN: 60001-UP

1шт.

10

104-15-25480

VALVE

SN: 60001-UP

1шт.

11

104-15-25321

SPOOL

SN: 60001-UP

1шт.

12

104-15-25330

STOPPER

SN: 60001-UP

2шт.

13

07000-73025

O-RING

SN: 60001-UP

2шт.

14

104-15-25340

STOPPER

SN: 60001-UP

2шт.

15

07000-72020

O-RING

SN: 60001-UP

2шт.

16

103-15-25350

PLATE

SN: 60001-UP

2шт.

17

01010-50820

BOLT

SN: 60001-UP

4шт.

18

01602-20825

WASHER,SPRING

SN: 60001-UP

4шт.

|$23

103-15-00530

SEAT ASS'Y

SN: 60001-UP

1шт.

19

0

SEAT

SN: 60001-UP

1шт.

20

04260-00635

BALL

SN: 60001-UP

1шт.

21

104-15-25140

GASKET

SN: 60001-UP

1шт.

22

01010-51025

BOLT

SN: 60001-UP

2шт.

23

01602-21030

WASHER,SPRING

SN: 60001-UP

2шт.

24

07000-72014

O-RING

SN: 60001-UP

3шт.

25

07000-72018

O-RING

SN: 60001-UP

1шт.

26

01010-50860

BOLT

SN: 60001-UP

3шт.

27

01010-50870

BOLT

SN: 60001-UP

5шт.

28

01602-20825

WASHER,SPRING

SN: 60001-UP

8шт.

29

113-15-21770

SLEEVE

SN: 60001-UP

1шт.

30

07000-72014

O-RING

SN: 60001-UP

4шт.

Выбрано товаров: 36