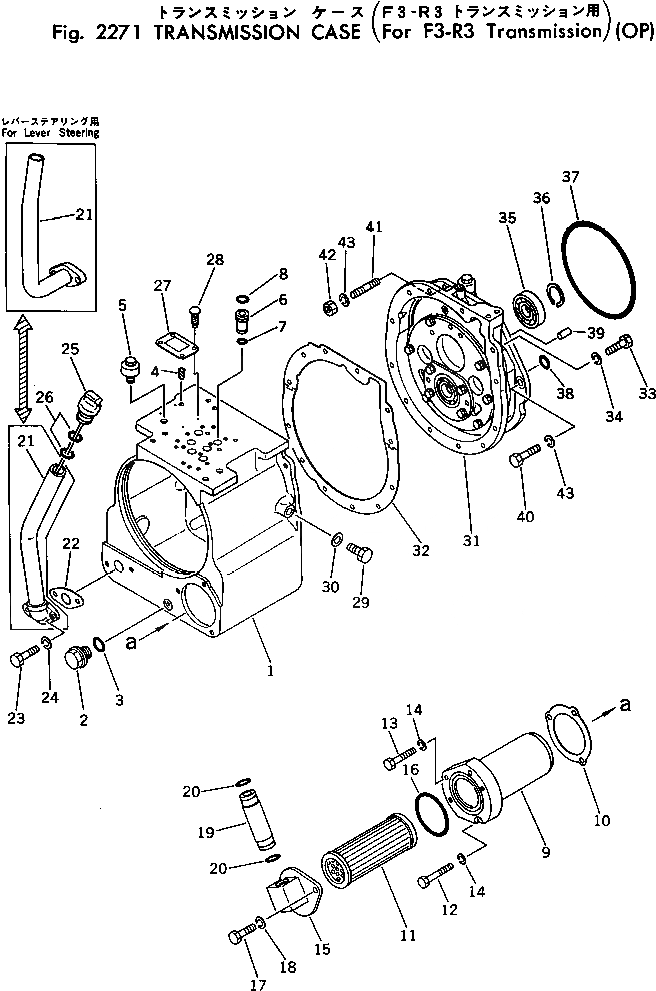
Запчасти Komatsu D21Q-5 КОРПУС ТРАНСМИССИИ (ДЛЯ F-R ТРАНСМИССИЯ) ДЕМПФЕР И ТРАНСМИССИЯ

Схема запчастей Komatsu D21Q-5 - КОРПУС ТРАНСМИССИИ (ДЛЯ F-R ТРАНСМИССИЯ) ДЕМПФЕР И ТРАНСМИССИЯ
FIT
1:1
100%

Артикул

Название

Примечание

Количество

|$0

104-15-00010

TRANSMISSION ASS'Y

SN: 45094-UP

1шт.

|$1

104-15-00110

TRANSMISSION ASS'Y

SN: 45094-UP

1шт.

1

104-15-21110

CASE

SN: 45094-UP

1шт.

2

07044-12412

PLUG

SN: 45094-UP

1шт.

3

07002-02434

O-RING

SN: 45094-UP

1шт.

4

07049-01215

PLUG

SN: 45094-UP

2шт.

5

07030-00252

BREATHER

SN: 45094-UP

1шт.

6

113-15-21310

SLEEVE

SN: 45094-UP

6шт.

7

07000-62010

O-RING

SN: 45094-UP

6шт.

8

07000-62012

O-RING

SN: 45094-UP

6шт.

9

104-15-21710

CASE

SN: 45094-UP

1шт.

10

113-15-21720

GASKET

SN: 45094-UP

1шт.

11

113-15-21730

SCREEN

SN: 45094-UP

1шт.

12

01010-30835

BOLT

SN: 45094-UP

1шт.

13

01010-30845

BOLT

SN: 45094-UP

2шт.

14

01602-00825

WASHER,SPRING

SN: 45094-UP

3шт.

15

104-15-21741

COVER

SN: 45094-UP

1шт.

16

07000-62095

O-RING

SN: 45094-UP

1шт.

17

01010-30820

BOLT

SN: 45094-UP

2шт.

18

01602-00825

WASHER,SPRING

SN: 45094-UP

2шт.

19

113-15-21760

SLEEVE

SN: 45094-UP

1шт.

20

07000-63028

O-RING

SN: 45094-UP

2шт.

21

104-15-28210

FILLER,(FOR LEVER STEERING)

SN: 45094-UP

1шт.

21

104-15-28110

FILLER,(FOR PEDAL STEERING)

SN: 45094-UP

1шт.

22

103-15-28130

GASKET

SN: 45094-UP

1шт.

23

01010-31030

BOLT

SN: 45094-UP

2шт.

24

01602-01030

WASHER,SPRING

SN: 45094-UP

2шт.

25

104-15-28120

GAUGE,LEVEL

SN: 45094-UP

1шт.

26

07000-03022

O-RING

SN: 45094-UP

2шт.

27

09608-05080

PLATE, NAME,(LIMITED SUPPLY)

SN: 45094-UP

1шт.

28

04418-03060

SCREW

SN: 45094-UP

4шт.

29

01010-31465

BOLT

SN: 45094-UP

2шт.

30

01640-21426

WASHER

SN: 45094-UP

2шт.

31

104-15-00120

TRANSFER ASS'Y,(SEE FIG.2276)

SN: 45094-UP

1шт.

32

113-15-21120

GASKET

SN: 45094-UP

1шт.

33

01010-31030

BOLT

SN: 45094-UP

12шт.

34

01602-01030

WASHER,SPRING

SN: 45094-UP

12шт.

35

06042-00208

BEARING,ROLLER

SN: 45094-UP

1шт.

36

103-15-29510

RING,SNAP

SN: 45094-UP

1шт.

37

07000-05220

O-RING

SN: 45094-UP

1шт.

38

07000-63025

O-RING

SN: 45094-UP

1шт.

39

04020-01024

PIN,DOWEL

SN: 45094-UP

1шт.

40

01010-31230

BOLT

SN: 45094-UP

5шт.

41

01124-31230

STUD

SN: 45094-UP

2шт.

42

01580-01210

NUT

SN: 45094-UP

2шт.

43

01602-01236

WASHER,SPRING

SN: 45094-UP

7шт.

Выбрано товаров: 46