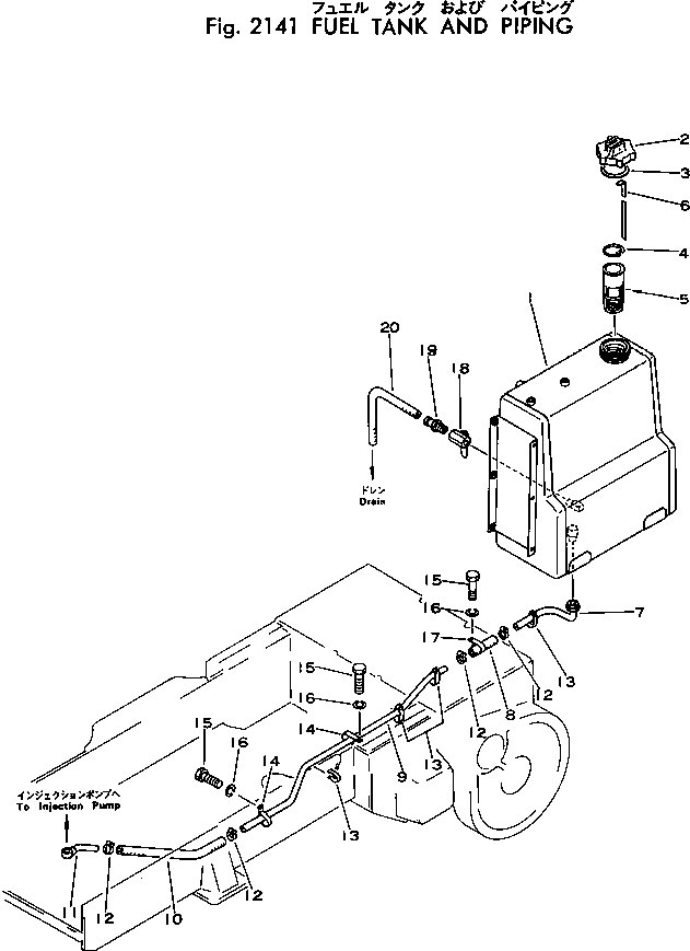
Запчасти Komatsu D21Q-5 ТОПЛ. БАК И ТОПЛИВОПРОВОД КОМПОНЕНТЫ ДВИГАТЕЛЯ И ЭЛЕКТРИКА

Схема запчастей Komatsu D21Q-5 - ТОПЛ. БАК И ТОПЛИВОПРОВОД КОМПОНЕНТЫ ДВИГАТЕЛЯ И ЭЛЕКТРИКА
FIT
1:1
100%

Артикул

Название

Примечание

Количество

|$0

103-04-00020

FUEL TANK ASS'Y

SN: 45094-UP

1шт.

1

0

TANK

SN: 45094-UP

1шт.

2

07050-20920

CAP ASS'Y

SN: 45094-UP

1шт.

2

07091-00920

CAP ASS'Y,(FOR VANDALISM PROTECTION)

SN: 45094-UP

1шт.

3

07050-20922

GASKET

SN: 45094-UP

1шт.

4

07057-03266

RING,SNAP

SN: 45094-UP

1шт.

5

07056-16415

STRAINER

SN: 45094-UP

1шт.

6

103-04-21122

GAUGE,LEVEL

SN: 45094-UP

1шт.

7

103-04-22112

TUBE

SN: 45094-UP

1шт.

8

07260-20914

HOSE

SN: 45094-UP

1шт.

9

103-04-22120

TUBE

SN: 45094-UP

1шт.

10

07260-20940

HOSE

SN: 45094-UP

1шт.

11

103-04-22130

TUBE

SN: 45094-UP

1шт.

12

07281-00197

CLAMP

SN: 45094-UP

4шт.

13

130-04-11270

CLIP

SN: 45094-UP

4шт.

14

113-04-22160

CLIP

SN: 45094-UP

2шт.

15

01010-31016

BOLT

SN: 45094-UP

3шт.

16

01602-01030

WASHER,SPRING

SN: 45094-UP

3шт.

17

08036-01814

CLIP

SN: 45094-UP

1шт.

18

113-04-22120

VALVE

SN: 45094-UP

1шт.

19

103-04-22150

NIPPLE

SN: 45094-UP

1шт.

20

07270-01230

TUBE

SN: 50001-UP

1шт.

20

0

TUBE

SN: 45094-50000

1шт.

Выбрано товаров: 0