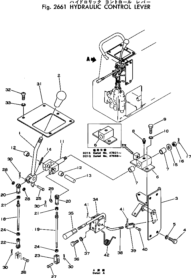
Запчасти Komatsu D21Q-5 ГИДРАВЛ РЫЧАГ УПРАВЛ-Я УПРАВЛ-Е РАБОЧИМ ОБОРУДОВАНИЕМ

Схема запчастей Komatsu D21Q-5 - ГИДРАВЛ РЫЧАГ УПРАВЛ-Я УПРАВЛ-Е РАБОЧИМ ОБОРУДОВАНИЕМ
FIT
1:1
100%

Артикул

Название

Примечание

Количество

1

103-43-26310

LEVER

SN: 45094-UP

1шт.

2

113-43-23420

KNOB

SN: 45094-UP

1шт.

3

103-43-26331

BRACKET

SN: 45094-UP

1шт.

4

01010-30820

BOLT

SN: 45094-UP

4шт.

5

01602-00825

WASHER,SPRING

SN: 45094-UP

4шт.

|$5

103-54-00071

BRACKET ASS'Y

SN: 45094-UP

1шт.

|$6

0

BRACKET ASS'Y

SN: (45094-47657)

1шт.

6

0

BRACKET

SN: 47658-UP

1шт.

6

0

BRACKET

SN: 45094-47657

1шт.

7

09350-01420

BUSHING

SN: 45094-UP

2шт.

8

07020-00000

FITTING,GREASE

SN: 45094-UP

1шт.

9

01010-30820

BOLT

SN: 45094-UP

2шт.

10

01602-00825

WASHER,SPRING

SN: 45094-UP

2шт.

|$13

103-43-00081

YOKE ASS'Y

SN: 51627-UP

1шт.

|$14

0

YOKE ASS'Y

SN: 50001-51626

1шт.

|$15

0

YOKE ASS'Y

SN: 45094-50000

1шт.

11

0

YOKE

SN: 51627-UP

1шт.

11

0

YOKE

SN: 50001-51626

1шт.

11

0

YOKE

SN: 45094-50000

1шт.

12

09350-01415

BUSHING

SN: 45094-UP

2шт.

13

103-43-24270

PIN

SN: 51627-UP

1шт.

13

0

PIN

SN: 45094-51626

1шт.

14

04025-00324

PIN,SPRING

SN: 45094-UP

1шт.

15

113-43-23230

WASHER

SN: 45094-UP

1шт.

16

01590-00809

NUT

SN: 45094-UP

1шт.

17

04050-02015

PIN,COTTER

SN: 45094-UP

1шт.

18

04248-30614

ROD

SN: 45094-UP

1шт.

19

04248-30616

ROD

SN: 45094-UP

1шт.

20

103-43-26150

END,ROD

SN: 45094-UP

2шт.

21

01580-00605

NUT

SN: 45094-UP

2шт.

22

103-43-26160

END

SN: 45094-UP

1шт.

23

04220-20624

YOKE

SN: 45094-UP

1шт.

24

01508-10603

NUT, L.H. THREAD,L.H. THREAD

SN: 45094-UP

2шт.

25

04205-00628

PIN

SN: 45094-UP

1шт.

26

04205-00622

PIN

SN: 45094-UP

1шт.

27

04205-00618

PIN

SN: 45094-UP

1шт.

28

103-43-26350

SPACER

SN: 45094-UP

2шт.

29

01641-20608

WASHER

SN: 45094-UP

1шт.

30

04050-01610

PIN,COTTER

SN: 45094-UP

4шт.

31

103-43-26251

COVER

SN: 45094-UP

1шт.

32

01220-40816

SCREW

SN: 45094-UP

5шт.

33

01602-00825

WASHER,SPRING

SN: 45094-UP

5шт.

34

103-43-26360

LEVER,LOCK

SN: 45094-UP

1шт.

35

09305-00800

KNOB

SN: 45094-UP

1шт.

36

01010-30820

BOLT

SN: 45094-UP

2шт.

37

01602-00825

WASHER,SPRING

SN: 45094-UP

2шт.

38

103-43-26230

ROD

SN: 45094-UP

1шт.

39

04211-20634

YOKE

SN: 45094-UP

1шт.

40

04205-00618

PIN

SN: 45094-UP

1шт.

41

04050-01610

PIN,COTTER

SN: 45094-UP

2шт.

42

103-43-26260

SPRING

SN: 45094-UP

1шт.

Выбрано товаров: 0