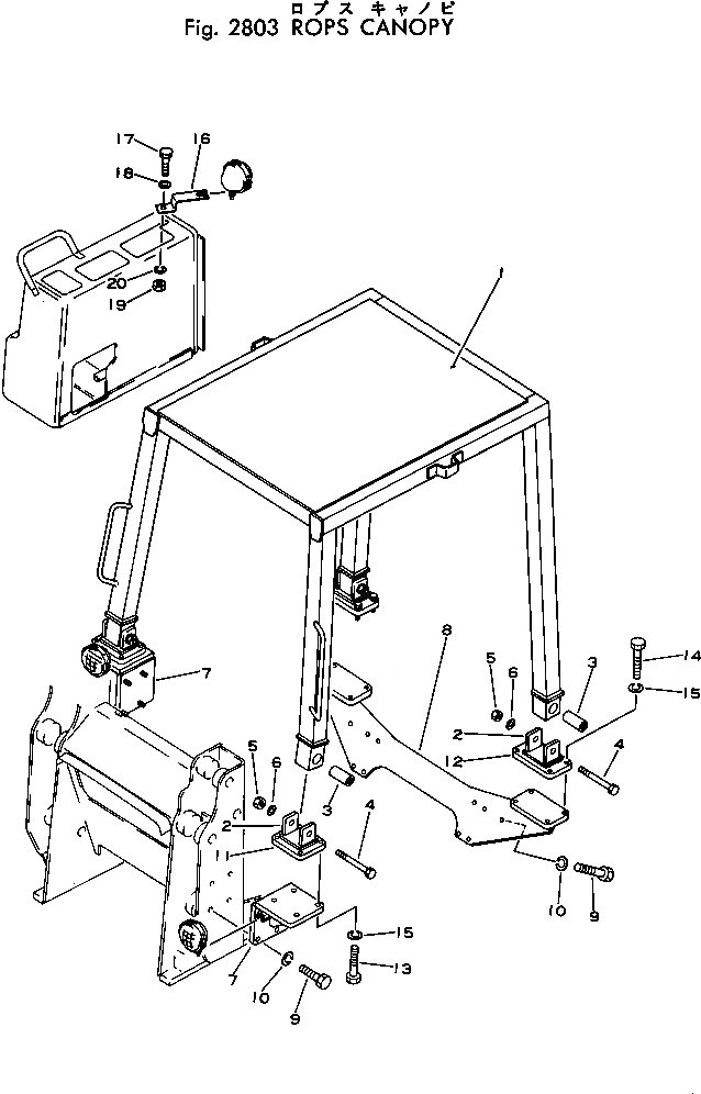
Запчасти Komatsu D21S-5 СИСТЕМА ROPS ОПЦИОННЫЕ КОМПОНЕНТЫ

Схема запчастей Komatsu D21S-5 - СИСТЕМА ROPS ОПЦИОННЫЕ КОМПОНЕНТЫ
FIT
1:1
100%

Артикул

Название

Примечание

Количество

1

103-Z78-1111

GUARD

SN: 45003-UP

1шт.

2

113-Z78-1130

BRACKET

SN: 45003-UP

1шт.

3

195-978-1311

ISOLATOR

SN: 45003-UP

4шт.

4

141-978-2150

BOLT

SN: 45003-UP

4шт.

5

175-978-3210

NUT

SN: 45003-UP

4шт.

6

01643-32780

WASHER

SN: 45003-UP

4шт.

7

103-Z78-2130

BRACKET,L.H.

SN: 45003-UP

1шт.

7

103-Z78-2140

BRACKET,R.H.

SN: 45003-UP

1шт.

8

103-Z78-2212

BRACKET

SN: 45003-UP

1шт.

9

01010-31440

BOLT

SN: 45003-UP

18шт.

10

01602-01442

WASHER,SPRING

SN: 45003-UP

18шт.

11

103-Z78-1140

SEAT,FRONT

SN: 45003-UP

2шт.

12

103-Z78-1150

SEAT,REAR

SN: 45003-UP

2шт.

13

01010-31440

BOLT

SN: 45003-UP

8шт.

14

01010-31445

BOLT

SN: 45003-UP

8шт.

15

01602-01442

WASHER,SPRING

SN: 45003-UP

16шт.

16

104-06-23140

PLATE

SN: 45003-UP

1шт.

17

01010-31025

BOLT

SN: 45003-UP

1шт.

18

01643-31032

WASHER

SN: 45003-UP

1шт.

19

01580-01008

NUT

SN: 45003-UP

1шт.

20

01602-01030

WASHER,SPRING

SN: 45003-UP

1шт.

Выбрано товаров: 21