Запчасти Komatsu D21S-7 МАРКИРОВКА (АНГЛ.) МАРКИРОВКА¤ ИНСТРУМЕНТ И РЕМКОМПЛЕКТЫ

Схема запчастей Komatsu D21S-7 - МАРКИРОВКА (АНГЛ.) МАРКИРОВКА¤ ИНСТРУМЕНТ И РЕМКОМПЛЕКТЫ
FIT
1:1
100%

Артикул

Название

Примечание

Количество

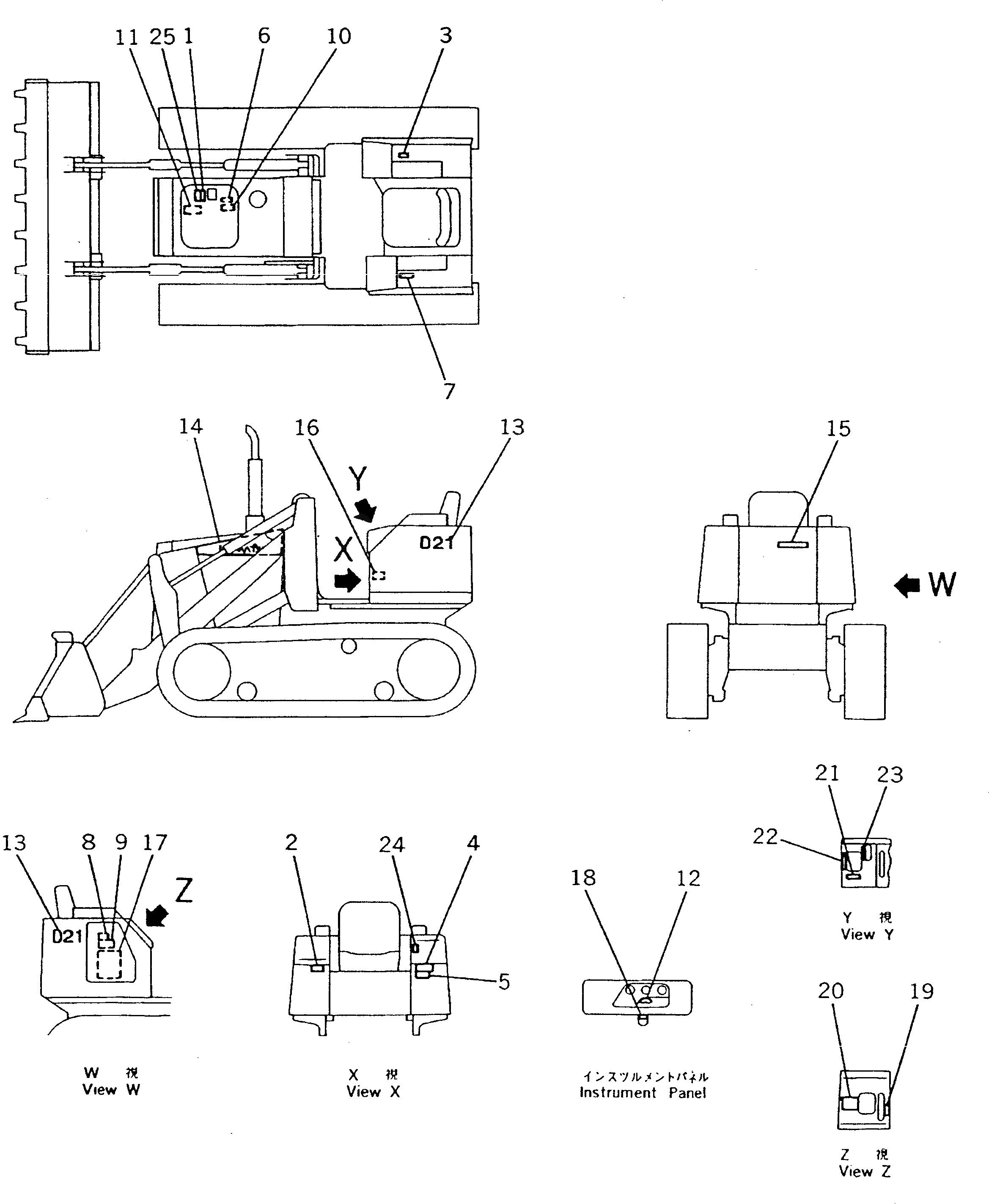
1

09667-03000

PLATE, SAFETY,ENGINE ROOM

SN: 61001-UP

1шт.

2

09173-03000

PLATE, SAFETY,INSPECTION AND MAINTENANCE

SN: 61001-UP

1шт.

3

09651-03000

PLATE, SAFETY,BEFORE OPERATING

SN: 61001-UP

1шт.

4

09657-03010

PLATE, SAFETY,TRACK ADJUSTING

SN: 61001-UP

1шт.

5

114-98-44510

PLATE, SAFETY,STARTING AND AFTER OPERATING

SN: 61001-UP

1шт.

6

09668-03000

PLATE, SAFETY,RADIATOR

SN: 61001-UP

1шт.

7

09652-30101

PLATE, CAUTION,FUEL TANK

SN: 61001-UP

1шт.

8

09653-03000

PLATE, SAFETY,HYDRAULIC TANK

SN: 61001-UP

1шт.

9

103-98-21351

PLATE, CAUTION,HYDRAULIC FILTER

SN: 61001-UP

1шт.

10

09650-30103

PLATE, INSTRUCTION,RADIATOR

SN: 61001-UP

1шт.

11

09637-30161

PLATE, INSTRUCTION,AIR CLEANER

SN: 61001-UP

1шт.

12

09683-30060

PLATE, OPERATING,STARTING SWITCH

SN: 61001-UP

1шт.

13

103-98-31971

PLATE, MARK,D21S

SN: 61001-UP

2шт.

14

104-98-44420

PLATE, MARK,KOMATSU, L.H.

SN: 61001-UP

1шт.

14

104-98-44430

PLATE, MARK,KOMATSU, R.H.

SN: 61001-UP

1шт.

15

09690-C0355

PLATE, MARK,KOMATSU

SN: 61132-UP

1шт.

15

09690-C0224

PLATE, MARK,KOMATSU

SN: 61001-61131

1шт.

16

09601-00835

PLATE, NAME,(LIMITED SUPPLY)

SN: 61001-UP

1шт.

16

04418-13060

SCREW

SN: 61001-UP

4шт.

17

103-98-31323

CHART, OIL

SN: 61132-UP

1шт.

17

103-98-31322

CHART, OIL

SN: 61076-61131

1шт.

17

103-98-31321

CHART, OIL

SN: 61001-61075

1шт.

18

114-98-44250

PLATE, OPERATING,PARKING BRAKE LEVER LOCK

SN: 61001-UP

1шт.

19

114-98-44250

PLATE, OPERATING,WORK EQUIPMENT LEVER LOCK

SN: 61001-UP

1шт.

20

113-98-31210

PLATE, OPERATING,DOZER CONTROL LEVER

SN: 61001-UP

1шт.

21

114-98-44170

PLATE, OPERATING,STEERING CONTROL LEVER

SN: 61001-UP

1шт.

22

114-98-44180

PLATE, OPERATING,STEERING LEVER

SN: 61001-UP

1шт.

23

104-98-34220

PLATE, OPERATING,TRANSMISSION LEVER,(FOR F2-R2)

SN: 61001-UP

1шт.

24

114-98-44250

PLATE, OPERATING,TRANSMISSION LEVER LOCK

SN: 61001-UP

1шт.

25

09663-03000

PLATE, SAFETY,MAINTENANCE ENGINE

SN: 61001-UP

1шт.

Выбрано товаров: 30