Запчасти Komatsu D275A-2 ROPS ЧАСТИ КОРПУСА КАБИНА ОПЕРАТОРА И СИСТЕМА УПРАВЛЕНИЯ

Схема запчастей Komatsu D275A-2 - ROPS ЧАСТИ КОРПУСА КАБИНА ОПЕРАТОРА И СИСТЕМА УПРАВЛЕНИЯ
FIT
1:1
100%

Артикул

Название

Примечание

Количество

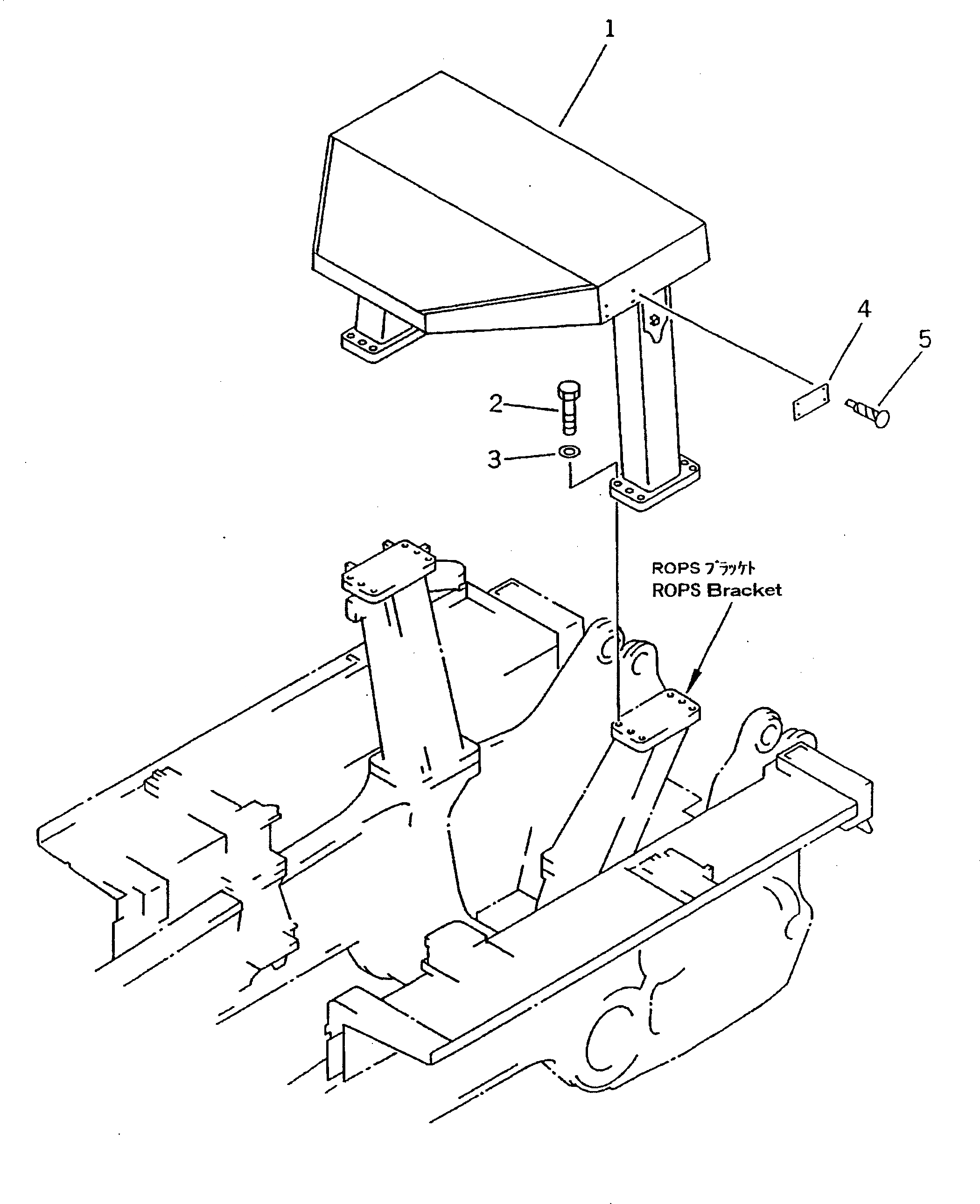
1

17M-978-2251

GUARD

SN: 10001-UP

1шт.

2

01010-62795

BOLT

SN: 10001-UP

12шт.

3

01643-32780

WASHER

SN: 10001-UP

12шт.

4

09620-90200

PLATE, NAME,(CHINESE)

SN: 10001-UP

1шт.

4

09620-10200

PLATE, NAME,(SPANISH)

SN: 10001-UP

1шт.

4

09620-20200

PLATE, NAME,(GERMAN)

SN: 10001-UP

1шт.

4

09620-30200

PLATE, NAME,(ENGLISH) (EXCEPT USA, CANADA)

SN: 10001-UP

1шт.

4

09620-50200

PLATE, NAME,(FRENCH)

SN: 10001-UP

1шт.

4

09620-70200

PLATE, NAME,(PORTUGUESE)

SN: 10001-UP

1шт.

4

09620-02200

PLATE, NAME,(ARABIC)

SN: 10001-UP

1шт.

4

09620-30201

PLATE, NAME,(ENGLISH) (FOR USA, CANADA)

SN: 10001-UP

1шт.

4

09620-03200

PLATE, NAME,(CZECH.)

SN: 10001-UP

1шт.

4

09620-04200

PLATE, NAME,(PERSIAN)

SN: 10001-UP

1шт.

4

09620-05200

PLATE, NAME,(INDONESIAN)

SN: 10001-UP

1шт.

4

09620-40200

PLATE, NAME,(RUSSIAN)

SN: 10001-UP

1шт.

4

09620-80200

PLATE, NAME,(GREEK)

SN: 10001-UP

1шт.

4

09620-00200

PLATE, NAME,(JAPANESE)

SN: 10001-UP

1шт.

5

04418-13060

SCREW

SN: 10001-UP

4шт.

Выбрано товаров: 18