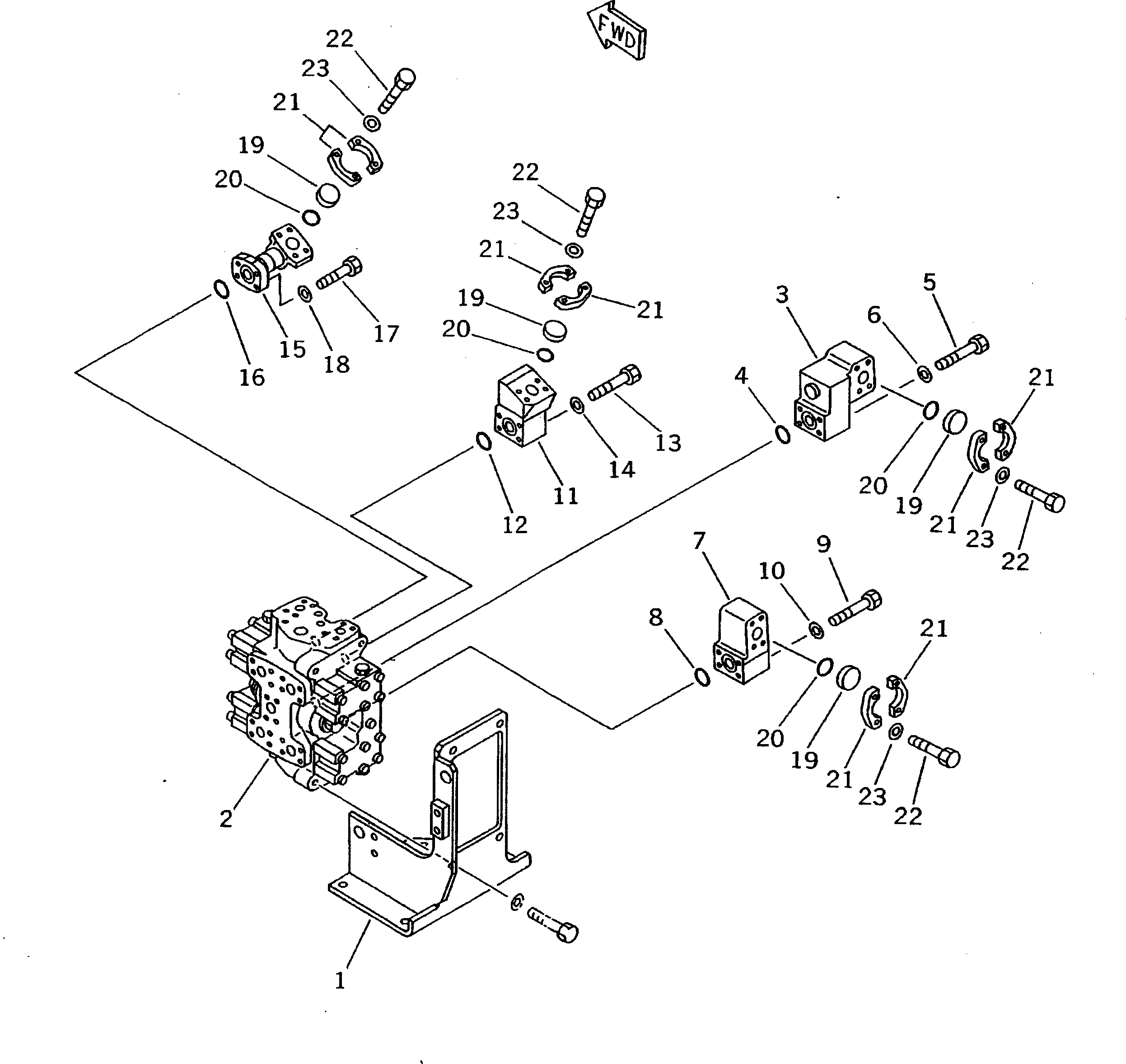
Запчасти Komatsu D275A-2 РЫХЛИТЕЛЬ КЛАПАН И КРЕПЛЕНИЕ (/) (МОРОЗОУСТОЙЧИВ. СПЕЦ-Я) ГИДРАВЛИКА

Схема запчастей Komatsu D275A-2 - РЫХЛИТЕЛЬ КЛАПАН И КРЕПЛЕНИЕ (/) (МОРОЗОУСТОЙЧИВ. СПЕЦ-Я) ГИДРАВЛИКА
FIT
1:1
100%

Артикул

Название

Примечание

Количество

1

17M-61-24171

BRACKET

SN: 10001-UP

1шт.

2

709-62-12101

VALVE ASS'Y

SN: 10001-UP

1шт.

3

17M-78-22160

BLOCK

SN: 10001-UP

1шт.

4

07000-53035

O-RING

SN: 10001-UP

1шт.

5

01010-51080

BOLT

SN: 10001-UP

4шт.

6

01643-51032

WASHER

SN: 10001-UP

4шт.

7

17M-78-22150

BLOCK

SN: 10001-UP

1шт.

8

07000-53035

O-RING

SN: 10001-UP

1шт.

9

01010-51080

BOLT

SN: 10001-UP

4шт.

10

01643-51032

WASHER

SN: 10001-UP

4шт.

11

17M-78-22211

BLOCK

SN: 10001-UP

1шт.

12

07000-53035

O-RING

SN: 10001-UP

1шт.

13

01010-51080

BOLT

SN: 10001-UP

4шт.

14

01643-51032

WASHER

SN: 10001-UP

4шт.

15

17M-78-22230

TUBE

SN: 10001-UP

1шт.

16

07000-53035

O-RING

SN: 10001-UP

1шт.

17

07372-21040

BOLT

SN: 10001-UP

1шт.

18

01643-51032

WASHER

SN: 10001-UP

4шт.

19

07378-11000

HEAD

SN: 10001-UP

4шт.

20

07000-53032

O-RING

SN: 10001-UP

4шт.

21

07371-31049

FLANGE

SN: 10001-UP

8шт.

22

07372-21035

BOLT

SN: 10001-UP

16шт.

23

01643-51032

WASHER

SN: 10001-UP

16шт.

Выбрано товаров: 23