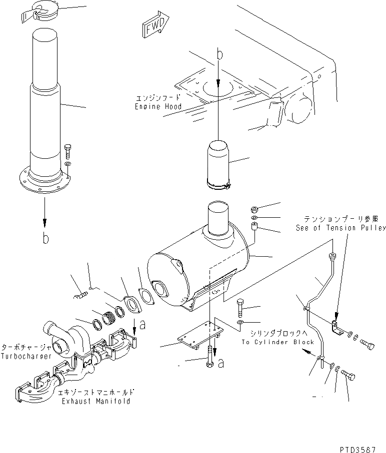
Запчасти Komatsu S6D170E-2A-6D КРЕПЛЕНИЕ ГЛУШИТЕЛЯ (БЕЗ ТЕРМОЗАЩИТН. КРЫШКИ) (МОРОЗОУСТОЙЧИВ. СПЕЦИФИКАЦИЯ)(№78-7) ДВИГАТЕЛЬ

Схема запчастей Komatsu S6D170E-2A-6D - КРЕПЛЕНИЕ ГЛУШИТЕЛЯ (БЕЗ ТЕРМОЗАЩИТН. КРЫШКИ) (МОРОЗОУСТОЙЧИВ. СПЕЦИФИКАЦИЯ)(№78-7) ДВИГАТЕЛЬ
1
2
3
4
5
6
7
8
9
10
11
12
13
14
15
16
17
18
19
20
21
22
23
24
1
2
3
4
5
6
7
8
9
10
11
12
13
14
15
16
17
18
19
20
21
22
23
24
FIT
1:1
100%

Артикул

Название

Примечание

Количество

1

6162-13-8710

MUFFLER

SN: 17358-20137

1шт.

2

6142-22-4640

SPACER

SN: 17358-20137

4шт.

3

01643-31232

WASHER

SN: 17358-20137

4шт.

4

01580-01210

NUT

SN: 17358-20137

4шт.

5

01010-E1285

BOLT

SN: 17358-20137

4шт.

6

6162-13-7470

BRACKET

SN: 17358-20137

1шт.

7

01010-E1270

BOLT

SN: 17358-20137

4шт.

8

01643-51232

WASHER

SN: 17358-20137

4шт.

9

6162-14-5570

FLANGE

SN: 17358-20137

1шт.

10

6162-14-5540

GASKET (K1)

SN: 17358-20137

1шт.

11

01020-11030

BOLT

SN: 18093-20137

2шт.

11

0

BOLT

SN: 17358-18092

2шт.

12

01602-01030

WASHER,SPRING

SN: 17358-20137

2шт.

13

6162-13-5240

JOINT

SN: 17358-20137

1шт.

14

6112-13-5251

SEAL

SN: 17358-20137

1шт.

15

6164-11-5480

SEAL

SN: 17358-20137

1шт.

16

6162-14-5670

TUBE,DRAIN

SN: 17358-20137

1шт.

17

6162-13-5660

CLAMP

SN: 17358-20137

1шт.

18

6162-14-5880

CLIP

SN: 17358-20137

1шт.

19

01010-81835

BOLT

SN: 17358-20137

1шт.

20

01602-21854

WASHER,SPRING

SN: 17358-20137

1шт.

21

01640-21826

WASHER

SN: 17358-20137

1шт.

22

6162-14-5620

PIPE,EXHAUST

SN: 17358-20137

1шт.

23

6162-14-5630

PIPE,EXHAUST

SN: 17358-20137

1шт.

24

6162-14-5640

CAP,RAIN

SN: 17358-20137

1шт.

1

6162-13-8710

MUFFLER

SN: 17358-20137

1шт.

2

6142-22-4640

SPACER

SN: 17358-20137

4шт.

3

01643-31232

WASHER

SN: 17358-20137

4шт.

4

01580-01210

NUT

SN: 17358-20137

4шт.

5

01010-E1285

BOLT

SN: 17358-20137

4шт.

6

6162-13-7470

BRACKET

SN: 17358-20137

1шт.

7

01010-E1270

BOLT

SN: 17358-20137

4шт.

8

01643-51232

WASHER

SN: 17358-20137

4шт.

9

6162-14-5570

FLANGE

SN: 17358-20137

1шт.

10

6162-14-5540

GASKET (K1)

SN: 17358-20137

1шт.

11

01020-11030

BOLT

SN: 18093-20137

2шт.

11

0

BOLT

SN: 17358-18092

2шт.

12

01602-01030

WASHER,SPRING

SN: 17358-20137

2шт.

13

6162-13-5240

JOINT

SN: 17358-20137

1шт.

14

6112-13-5251

SEAL

SN: 17358-20137

1шт.

15

6164-11-5480

SEAL

SN: 17358-20137

1шт.

16

6162-14-5670

TUBE,DRAIN

SN: 17358-20137

1шт.

17

6162-13-5660

CLAMP

SN: 17358-20137

1шт.

18

6162-14-5880

CLIP

SN: 17358-20137

1шт.

19

01010-81835

BOLT

SN: 17358-20137

1шт.

20

01602-21854

WASHER,SPRING

SN: 17358-20137

1шт.

21

01640-21826

WASHER

SN: 17358-20137

1шт.

22

6162-14-5620

PIPE,EXHAUST

SN: 17358-20137

1шт.

23

6162-14-5630

PIPE,EXHAUST

SN: 17358-20137

1шт.

24

6162-14-5640

CAP,RAIN

SN: 17358-20137

1шт.

Выбрано товаров: 50