Запчасти Komatsu D275A-2 КОРПУС И УПРАВЛ-Е (/) (С КОНТРОЛЕМ ПРОСКАЛЬЗ-Я ГУСЕНИЦ) ЧАСТИ КОРПУСА

Схема запчастей Komatsu D275A-2 - КОРПУС И УПРАВЛ-Е (/) (С КОНТРОЛЕМ ПРОСКАЛЬЗ-Я ГУСЕНИЦ) ЧАСТИ КОРПУСА
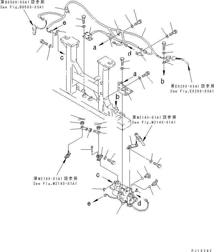
1
2
3
4
5
6
7
8
9
10
11
12
13
14
15
16
17
17
18
18
19
20
21
22
23
24
25
26
27
28
29
30
31
32
33
33
34
35
36
37
38
39
40
41
FIT
1:1
100%

Артикул

Название

Примечание

Количество

1

17M-43-22500

VALVE ASS'Y

SN: 10001-UP

1шт.

2

17M-43-22260

LEVER

SN: 10001-UP

1шт.

3

04010-00516

KEY

SN: 10001-UP

1шт.

4

01010-81030

BOLT

SN: 10001-UP

1шт.

5

01643-31032

WASHER

SN: 10001-UP

1шт.

6

04205-10830

PIN

SN: 10001-UP

1шт.

7

17M-43-22280

LEVER

SN: 10001-UP

1шт.

8

04010-00516

KEY

SN: 10001-UP

1шт.

9

01010-81030

BOLT

SN: 10001-UP

1шт.

10

01643-31032

WASHER

SN: 10001-UP

1шт.

11

08053-01512

CLIP

SN: 10001-UP

1шт.

12

01010-81220

BOLT

SN: 10001-UP

1шт.

13

01643-31232

WASHER

SN: 10001-UP

1шт.

14

04250-81265

END

SN: 10001-UP

1шт.

15

04252-21269

END

SN: 10001-UP

1шт.

16

01582-11210

NUT

SN: 10001-UP

1шт.

17

01593-31210

NUT

SN: 10001-UP

1шт.

18

04050-13020

PIN,COTTER

SN: 10001-UP

2шт.

19

07235-10522

ELBOW

SN: 10001-UP

1шт.

20

07002-22434

O-RING

SN: 10001-UP

1шт.

21

07236-10422

ELBOW

SN: 10001-UP

1шт.

22

07002-22034

O-RING

SN: 10001-UP

1шт.

23

01010-81245

BOLT

SN: 10001-UP

3шт.

24

01643-31232

WASHER

SN: 10001-UP

3шт.

25

17M-43-22271

BRACKET

SN: 10001-UP

1шт.

26

01010-81245

BOLT

SN: 10001-UP

4шт.

27

01643-51232

WASHER

SN: 10001-UP

4шт.

28

7861-92-5400

SENSOR,ACCELERATOR

SN: 10001-UP

1шт.

29

01010-81020

BOLT

SN: 10001-UP

4шт.

30

01643-31032

WASHER

SN: 10001-UP

4шт.

31

08036-01014

CLIP

SN: 10001-UP

1шт.

32

17M-06-21360

WIRING HARNESS

SN: 10001-UP

1шт.

33

08036-02514

CLIP

SN: 10001-UP

2шт.

34

01010-81220

BOLT

SN: 10001-UP

2шт.

35

01643-31232

WASHER

SN: 10001-UP

2шт.

36

08053-00912

CLIP

SN: 10001-UP

1шт.

37

01010-81220

BOLT

SN: 10001-UP

1шт.

38

01643-31232

WASHER

SN: 10001-UP

1шт.

39

08053-01512

CLIP

SN: 10001-UP

1шт.

40

01010-81220

BOLT

SN: 10001-UP

1шт.

41

01643-31232

WASHER

SN: 10001-UP

1шт.

Выбрано товаров: 41