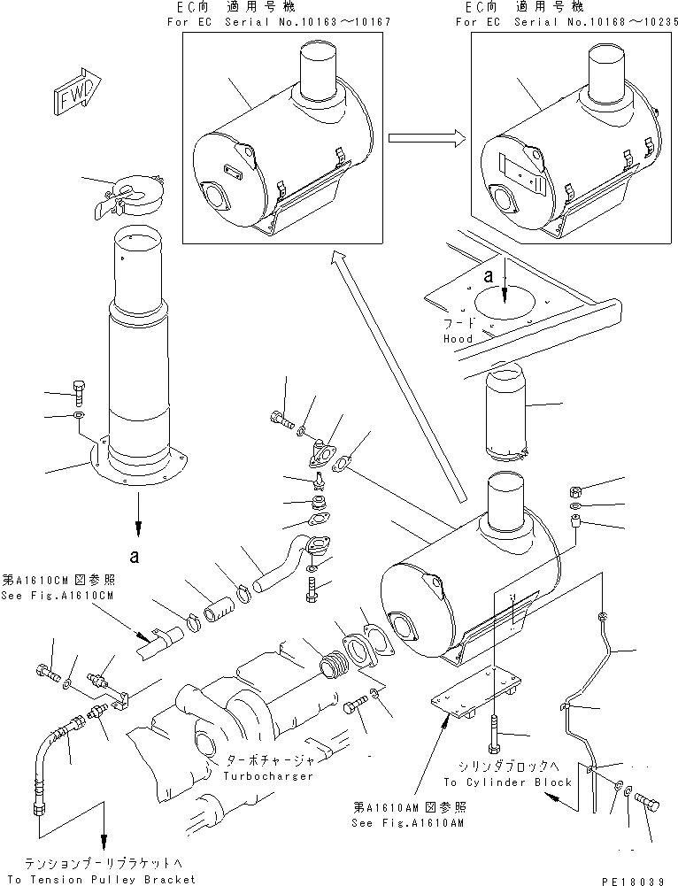
Запчасти Komatsu D275A-2 ГЛУШИТЕЛЬ И ДРЕНАЖ(№-) КОМПОНЕНТЫ ДВИГАТЕЛЯ

Схема запчастей Komatsu D275A-2 - ГЛУШИТЕЛЬ И ДРЕНАЖ(№-) КОМПОНЕНТЫ ДВИГАТЕЛЯ
1
1
1
2
3
4
5
6
7
8
9
10
11
12
13
14
15
16
17
18
19
20
21
22
23
24
25
26
27
27
28
28
29
29
30
31
32
32
33
34
35
36
FIT
1:1
100%

Артикул

Название

Примечание

Количество

1

6162-13-8710

MUFFLER

SN: 10001-@

1шт.

1

6162-13-7221

MUFFLER,(FOR EC)

SN: 10168-10235

1шт.

1

6162-13-7220

MUFFLER,(FOR EC)

SN: 10163-10167

1шт.

1

0

MUFFLER,(FOR EC)

SN: 10001-10162

1шт.

2

6162-13-5432

JOINT

SN: 10001-@

1шт.

3

6162-14-5570

FLANGE

SN: 10001-@

1шт.

4

6162-14-5540

GASKET

SN: 10001-@

1шт.

5

01010-E1030

BOLT

SN: 10001-10235

2шт.

6

01602-01030

WASHER

SN: 10001-@

2шт.

7

01010-81280

BOLT

SN: 10001-@

4шт.

8

01580-01210

NUT

SN: 10001-@

4шт.

9

01643-31232

WASHER

SN: 10001-@

4шт.

10

6142-22-4640

SPACER

SN: 10001-@

4шт.

11

6162-14-5630

PIPE

SN: 10001-@

1шт.

12

6162-14-5670

TUBE

SN: 10001-@

1шт.

13

6162-13-5660

CLAMP

SN: 10001-@

1шт.

14

6162-14-5880

CLIP

SN: 10001-@

1шт.

15

01010-61835

BOLT

SN: 10001-@

1шт.

16

01602-01854

WASHER,SPRING

SN: 10001-@

1шт.

17

01640-01826

WASHER

SN: 10001-@

1шт.

18

198-79-16790

HOSE

SN: 10001-@

1шт.

19

203-62-21740

NIPPLE

SN: 10001-@

1шт.

20

17M-01-22192

BRACKET

SN: 10001-@

1шт.

21

07020-00000

FITTING

SN: 10001-@

1шт.

22

01010-81045

BOLT

SN: 10001-@

1шт.

23

01643-31032

WASHER

SN: 10001-@

1шт.

|$27

6162-13-5302

VALVE ASS'Y

SN: 10001-@

1шт.

24

0

BODY

SN: 10001-@

1шт.

25

6162-13-5320

VALVE

SN: 10001-@

1шт.

26

6162-13-5380

SEAT

SN: 10001-@

1шт.

27

6162-13-5611

GASKET

SN: 10168-@

2шт.

27

6162-13-5610

GASKET

SN: 10001-10167

2шт.

28

01010-81025

BOLT

SN: 10001-@

4шт.

29

01640-01016

WASHER

SN: 10001-@

4шт.

30

6162-15-5740

TUBE

SN: 10001-@

1шт.

31

6130-12-8620

HOSE

SN: 10001-@

1шт.

32

07281-00709

CLAMP

SN: 10001-@

2шт.

33

6162-14-5620

PIPE

SN: 10001-@

1шт.

34

6162-14-5640

CAP,RAIN

SN: 10001-@

1шт.

35

195-54-43210

BOLT

SN: 10001-@

6шт.

36

01643-31232

WASHER

SN: 10001-@

6шт.

Выбрано товаров: 41