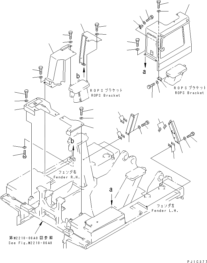
Запчасти Komatsu D275A-2 КРЫШКА КРЫЛА И ЗАДН. ПЛАСТИНА ЧАСТИ КОРПУСА

Схема запчастей Komatsu D275A-2 - КРЫШКА КРЫЛА И ЗАДН. ПЛАСТИНА ЧАСТИ КОРПУСА
1
2
3
4
5
6
7
8
8
9
9
10
11
12
13
14
14
15
15
16
17
18
19
20
21
22
23
24
25
25
26
27
28
29
29
30
31
FIT
1:1
100%

Артикул

Название

Примечание

Количество

1

17M-54-25231

COVER,L.H.

SN: 10001-UP

1шт.

2

01010-81225

BOLT

SN: 10001-UP

3шт.

3

01643-31232

WASHER

SN: 10001-UP

3шт.

4

17M-54-25241

COVER,R.H.

SN: 10001-UP

1шт.

5

01010-81225

BOLT

SN: 10001-UP

4шт.

6

01643-31232

WASHER

SN: 10001-UP

4шт.

7

17M-54-25271

COVER,L.H.

SN: 10001-UP

1шт.

8

01010-81225

BOLT

SN: 10001-UP

8шт.

9

01643-31232

WASHER

SN: 10001-UP

8шт.

10

198-54-19150

SPRING

SN: 10001-UP

1шт.

11

01010-80610

BOLT

SN: 10001-UP

2шт.

12

01643-30623

WASHER

SN: 10001-UP

2шт.

13

17M-54-25281

COVER

SN: 10001-UP

1шт.

14

01010-81225

BOLT

SN: 10001-UP

4шт.

15

01643-31232

WASHER

SN: 10001-UP

4шт.

16

17M-54-25381

COVER

SN: 10001-UP

1шт.

17

01010-81230

BOLT

SN: 10001-UP

2шт.

18

01643-31232

WASHER

SN: 10001-UP

2шт.

19

01010-81225

BOLT

SN: 10001-UP

2шт.

20

01643-31232

WASHER

SN: 10001-UP

2шт.

21

417-855-1321

PLATE

SN: 10001-UP

1шт.

22

01010-81225

BOLT

SN: 10001-UP

1шт.

23

01643-31232

WASHER

SN: 10001-UP

1шт.

24

17M-54-25171

PLATE,L.H.

SN: 10001-UP

1шт.

25

17M-54-00050

SHIM ASS'Y

SN: 10001-UP

1шт.

|$36

0

SHIM, 1.0MM

SN: 10001-UP

3шт.

|$37

0

SHIM, 1.0MM

SN: 10001-UP

3шт.

26

01010-62460

BOLT

SN: 10001-UP

4шт.

27

01643-32460

WASHER

SN: 10001-UP

4шт.

28

17M-54-25491

PLATE,R.H.

SN: 10001-UP

1шт.

29

17M-54-00060

SHIM ASS'Y

SN: 10001-UP

1шт.

|$42

0

SHIM, 1.0MM

SN: 10001-UP

6шт.

30

01010-62460

BOLT

SN: 10001-UP

4шт.

31

01643-32460

WASHER

SN: 10001-UP

4шт.

Выбрано товаров: 34