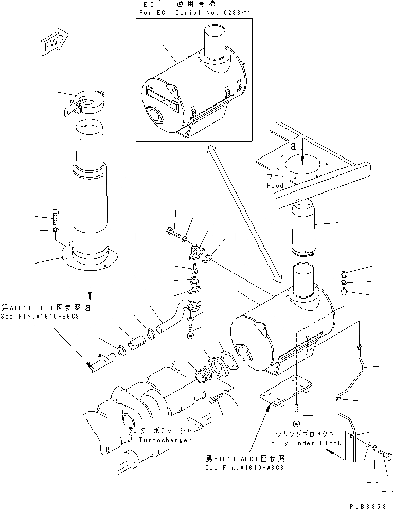
Запчасти Komatsu D275A-2 ГЛУШИТЕЛЬ И ДРЕНАЖ(№-) КОМПОНЕНТЫ ДВИГАТЕЛЯ

Схема запчастей Komatsu D275A-2 - ГЛУШИТЕЛЬ И ДРЕНАЖ(№-) КОМПОНЕНТЫ ДВИГАТЕЛЯ
1
1
2
3
4
5
6
7
8
9
10
11
12
13
14
15
15
16
16
17
17
18
19
20
20
21
22
23
24
25
26
27
28
29
30
FIT
1:1
100%

Артикул

Название

Примечание

Количество

1

6162-13-8710

MUFFLER

SN: 10001-UP

1шт.

1

6162-15-8730

MUFFLER

SN: 10479-UP

1шт.

1

6162-13-7222

MUFFLER,(FOR EC)

SN: 10236-10478

1шт.

2

6162-14-5630

PIPE

SN: 10001-UP

1шт.

3

6162-13-5432

JOINT

SN: 10001-UP

1шт.

4

6162-14-5570

FLANGE

SN: 10001-UP

1шт.

5

6162-14-5540

GASKET

SN: 10001-UP

1шт.

6

01020-11030

BOLT

SN: 10236-UP

2шт.

7

01602-01030

WASHER

SN: 10001-UP

2шт.

8

01010-E1285

BOLT

SN: 10001-UP

4шт.

9

01580-01210

NUT

SN: 10001-UP

4шт.

10

01643-31232

WASHER

SN: 10001-UP

4шт.

11

6142-22-4640

SPACER

SN: 10001-UP

4шт.

|$17

6162-13-5302

VALVE ASS'Y

SN: 10001-UP

1шт.

12

0

BODY

SN: 10001-UP

1шт.

13

6162-13-5320

VALVE

SN: 10001-UP

1шт.

14

6162-13-5380

SEAT

SN: 10001-UP

1шт.

15

6162-13-5611

GASKET

SN: 10168-UP

2шт.

15

6162-13-5610

GASKET

SN: 10001-10167

2шт.

16

01010-E1025

BOLT

SN: 10001-UP

4шт.

17

01640-21016

WASHER

SN: 10001-UP

4шт.

18

6162-15-5940

TUBE

SN: 10479-UP

1шт.

18

6162-15-5740

TUBE

SN: 10001-10478

1шт.

19

6127-11-5960

HOSE

SN: 10479-UP

1шт.

19

6130-12-8620

HOSE

SN: 10001-10478

1шт.

20

07281-00549

CLAMP

SN: 10479-UP

2шт.

20

07281-00709

CLAMP

SN: 10001-10478

2шт.

21

6162-14-5670

TUBE

SN: 10001-UP

1шт.

22

6162-13-5660

CLAMP

SN: 10001-UP

1шт.

23

6162-14-5880

CLIP

SN: 10001-UP

1шт.

24

01010-61835

BOLT

SN: 10001-UP

1шт.

25

01602-21854

WASHER,SPRING

SN: 10001-UP

1шт.

26

01640-21826

WASHER

SN: 10001-UP

1шт.

27

6162-14-5620

PIPE

SN: 10001-UP

1шт.

28

6162-14-5640

CAP,RAIN

SN: 10001-UP

1шт.

29

195-54-43210

BOLT

SN: 10001-UP

6шт.

30

01643-31232

WASHER

SN: 10001-UP

6шт.

Выбрано товаров: 37