Запчасти Komatsu D275A-2 КЛАПАН ТРАНСМИССИИ COVER СИЛОВАЯ ПЕРЕДАЧА И КОНЕЧНАЯ ПЕРЕДАЧА

Схема запчастей Komatsu D275A-2 - КЛАПАН ТРАНСМИССИИ COVER СИЛОВАЯ ПЕРЕДАЧА И КОНЕЧНАЯ ПЕРЕДАЧА
FIT
1:1
100%

Артикул

Название

Примечание

Количество

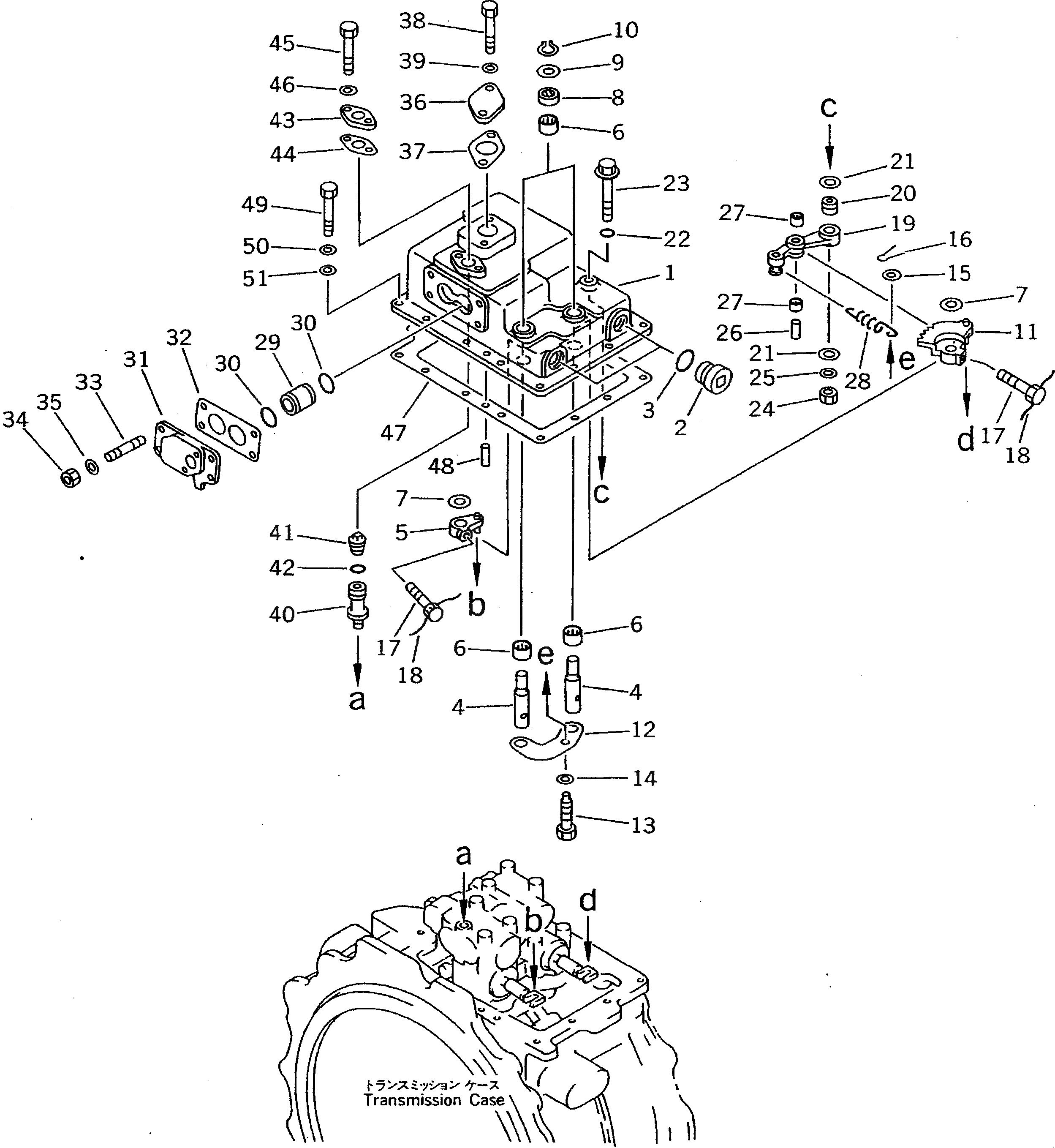
|$$1

SERIAL NO. IN ( ) INDICATES TRANSMISSION SERIAL NO.

-1шт.

|$2

17M-15-00022

TRANSMISSION ASS'Y

SN: (1226)-UP

1шт.

|$3

0

TRANSMISSION ASS'Y

SN: (1102)-(1225)

1шт.

|$4

0

TRANSMISSION ASS'Y

SN: 10001-(1101)

1шт.

|$$5

THIS ASSEMBLY CONSISTS OF ALL PARTS SHOWN IN FIGS.F2320-51A0 TO F2320-58A0.

-1шт.

1

144-15-25551

CASE

SN: 10001-UP

1шт.

2

144-15-25530

PLUG

SN: 10001-UP

2шт.

3

07002-03634

O-RING (K4)

SN: 10001-UP

2шт.

4

17M-15-25650

SHAFT

SN: 10001-UP

2шт.

5

144-15-25560

LEVER

SN: 10001-UP

1шт.

6

06120-02016

BEARING,SEAL

SN: 10001-UP

4шт.

7

144-15-25570

WASHER

SN: 10001-UP

2шт.

8

144-15-29110

SEAL,OIL (K4)

SN: 10001-UP

2шт.

9

175-15-45570

WASHER

SN: 10001-UP

2шт.

10

04064-01812

RING,SNAP

SN: 10001-UP

2шт.

11

144-15-25632

LEVER

SN: 10001-UP

1шт.

12

144-15-25820

PLATE

SN: 10001-UP

1шт.

13

144-15-25592

BOLT

SN: 10001-UP

1шт.

14

01643-31445

WASHER

SN: 10001-UP

1шт.

15

01641-01016

WASHER

SN: 10001-UP

1шт.

16

04050-02018

PIN,COTTER

SN: 10001-UP

1шт.

17

125-15-11530

BOLT

SN: 10001-UP

2шт.

18

04059-01010

WIRE

SN: 10001-UP

2шт.

19

144-15-25682

LEVER

SN: 10001-UP

1шт.

20

144-15-25670

BUSHING

SN: 10001-UP

1шт.

21

175-15-45660

WASHER

SN: 10001-UP

2шт.

22

07000-72008

O-RING (K4)

SN: 10001-UP

1шт.

23

175-15-45650

BOLT

SN: 10001-UP

1шт.

24

01580-01008

NUT

SN: 10001-UP

1шт.

25

01643-31032

WASHER

SN: 10001-UP

1шт.

26

144-15-25691

PIN

SN: 10001-UP

1шт.

27

144-15-29121

BEARING

SN: (1296)-UP

2шт.

27

144-15-29120

BEARING

SN: 10001-(1295)

2шт.

28

144-15-25710

SPRING

SN: 10001-UP

1шт.

29

145-15-45250

SLEEVE

SN: 10001-UP

1шт.

30

07000-73028

O-RING (K4)

SN: 10001-UP

2шт.

31

17M-15-25530

COVER

SN: 10001-UP

1шт.

32

154-15-45540

GASKET (K4)

SN: 10001-UP

1шт.

33

01124-51025

STUD

SN: 10001-UP

4шт.

34

01580-11008

NUT

SN: 10001-UP

4шт.

35

01643-31032

WASHER

SN: 10001-UP

4шт.

36

17M-15-25750

COVER

SN: 10001-UP

1шт.

37

17M-15-25430

GASKET (K4)

SN: 10001-UP

1шт.

38

01010-81030

BOLT

SN: 10001-UP

2шт.

39

01645-31032

WASHER

SN: 10001-UP

2шт.

40

17M-15-25830

PLUG

SN: 10001-UP

1шт.

41

07042-20108

PLUG

SN: 10001-UP

1шт.

42

07000-72018

O-RING (K4)

SN: 10001-UP

1шт.

43

17M-15-25910

COVER

SN: 10001-UP

1шт.

44

17M-15-25840

GASKET (K4)

SN: 10001-UP

1шт.

45

01010-80825

BOLT

SN: 10001-UP

2шт.

46

01643-30823

WASHER

SN: 10001-UP

2шт.

47

17M-15-25520

GASKET (K4)

SN: 10001-UP

1шт.

48

04020-01024

PIN

SN: 10001-UP

2шт.

49

01010-81030

BOLT

SN: 10001-UP

14шт.

50

01643-31032

WASHER

SN: 10001-UP

14шт.

51

01640-21016

WASHER

SN: 10001-(1280)

14шт.

Выбрано товаров: 57