Запчасти Komatsu D275A-2 КАБИНА (/)¤ Э/ПРОВОДКА(№-7) КАБИНА ОПЕРАТОРА И СИСТЕМА УПРАВЛЕНИЯ

Схема запчастей Komatsu D275A-2 - КАБИНА (/)¤ Э/ПРОВОДКА(№-7) КАБИНА ОПЕРАТОРА И СИСТЕМА УПРАВЛЕНИЯ
1
1
2
3
3
3
4
4
5
5
6
7
8
8
8
8
8
8
9
9
10
11
12
13
14
15
15
15
15
16
17
18
19
20
21
22
FIT
1:1
100%

Артикул

Название

Примечание

Количество

|1

198-Z11-0022

STEEL CAB ASS'Y

SN: 10128-10470

1шт.

|1

0

STEEL CAB ASS'Y

SN: 10001-10127

1шт.

|$$3

THESE ASSEMBLIES CONSIST OF ALL PARTS SHOWN IN FIGS.K0210-01A0 TO K0210-16A0.

-1шт.

|1

198-Z11-0030

STEEL CAB ASS'Y,(WITH FIRST AID BOX)

SN: 10001-10470

1шт.

|$$5

THIS ASSEMBLY CONSISTS OF ALL PARTS SHOWN IN FIGS.K0210-01A0 TO K0210-16A0.

-1шт.

1

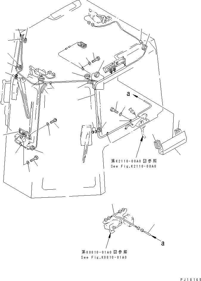
198-911-8210

WIRING HARNESS

SN: 10001-10470

1шт.

2

195-Z11-3130

SHEET

SN: 10001-10470

1шт.

3

195-Z11-3140

SHEET

SN: 10001-10470

3шт.

4

195-Z11-2980

SEAL

SN: 10001-10470

2шт.

5

08037-01008

GROMMET

SN: 10001-10470

4шт.

6

08037-01510

GROMMET

SN: 10001-10470

1шт.

7

08037-02512

GROMMET

SN: 10001-10470

1шт.

8

08037-05016

GROMMET

SN: 10001-10470

6шт.

9

08036-21414

CLIP

SN: 10001-10470

8шт.

10

01010-80810

BOLT

SN: 10001-10470

8шт.

11

01643-30823

WASHER

SN: 10001-10470

8шт.

12

08036-21414

CLIP

SN: 10001-10470

1шт.

13

01010-80810

BOLT

SN: 10001-10470

5шт.

14

01643-30823

WASHER

SN: 10001-10470

5шт.

15

08036-22514

CLIP

SN: 10001-10470

4шт.

16

195-06-46270

DISPLAY ASS'Y

SN: 10001-10470

1шт.

17

01220-40616

SCREW

SN: 10001-10470

4шт.

18

01642-00608

WASHER

SN: 10001-10470

4шт.

19

08036-31210

CLIP

SN: 10001-10470

1шт.

20

01010-80810

BOLT

SN: 10001-10470

1шт.

21

01643-30823

WASHER

SN: 10001-10470

1шт.

22

198-911-8230

WIRING HARNESS

SN: 10001-10470

1шт.

Выбрано товаров: 0