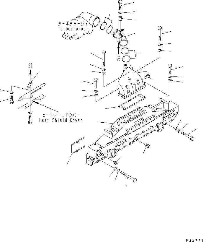
Запчасти Komatsu S6D170-1L ВПУСК ВОЗДУХА ДВИГАТЕЛЬ

Схема запчастей Komatsu S6D170-1L - ВПУСК ВОЗДУХА ДВИГАТЕЛЬ
1
2
3
4
5
5
6
6
7
8
9
10
11
11
12
13
14
14
15
15
16
16
17
17
18
19
20
20
20
20
21
21
21
21
1
2
3
4
5
5
6
6
7
8
9
10
11
11
12
13
14
14
15
15
16
16
17
17
18
19
20
20
20
20
21
21
21
21
FIT
1:1
100%

Артикул

Название

Примечание

Количество

1

6162-13-4131

MANIFOLD,AIR INTAKE

SN: 14674-UP

1шт.

2

6162-13-4812

GASKET (K1)

SN: 16017-UP

6шт.

|2

0

GASKET (K1)

SN: 14674-16016

6шт.

3

01010-31095

BOLT

SN: 14674-UP

11шт.

4

01011-31055

BOLT

SN: 14674-UP

15шт.

5

01602-01030

WASHER,SPRING

SN: 14674-UP

26шт.

6

01640-21016

WASHER

SN: 14674-UP

26шт.

7

02720-11214

PLUG

SN: 14674-UP

1шт.

8

07042-00108

PLUG

SN: 14674-UP

1шт.

9

6162-13-4361

CONNECTOR,AIR

SN: 14674-UP

1шт.

10

6162-13-4310

CONNECTOR,AIR

SN: 14674-UP

1шт.

11

02895-67075

O-RING (K1)

SN: 14674-UP

4шт.

12

07042-00108

PLUG

SN: 14674-UP

2шт.

13

6162-13-4741

GASKET (K1)

SN: 16017-UP

1шт.

|13

0

GASKET (K1)

SN: 14674-16016

1шт.

14

362-846-1170

PLATE

SN: 14674-UP

2шт.

15

01010-31020

BOLT

SN: 14674-UP

3шт.

16

01602-01030

WASHER,SPRING

SN: 14674-UP

3шт.

17

01010-30840

BOLT

SN: 14674-UP

4шт.

18

6138-11-4870

BOLT

SN: 14674-UP

1шт.

19

6140-14-5460

BOLT

SN: 14674-UP

1шт.

20

01602-00825

WASHER,SPRING

SN: 14674-UP

6шт.

21

01641-20812

WASHER

SN: 14674-UP

6шт.

1

6162-13-4131

MANIFOLD,AIR INTAKE

SN: 14674-UP

1шт.

2

6162-13-4812

GASKET (K1)

SN: 16017-UP

6шт.

|2

0

GASKET (K1)

SN: 14674-16016

6шт.

3

01010-31095

BOLT

SN: 14674-UP

11шт.

4

01011-31055

BOLT

SN: 14674-UP

15шт.

5

01602-01030

WASHER,SPRING

SN: 14674-UP

26шт.

6

01640-21016

WASHER

SN: 14674-UP

26шт.

7

02720-11214

PLUG

SN: 14674-UP

1шт.

8

07042-00108

PLUG

SN: 14674-UP

1шт.

9

6162-13-4361

CONNECTOR,AIR

SN: 14674-UP

1шт.

10

6162-13-4310

CONNECTOR,AIR

SN: 14674-UP

1шт.

11

02895-67075

O-RING (K1)

SN: 14674-UP

4шт.

12

07042-00108

PLUG

SN: 14674-UP

2шт.

13

6162-13-4741

GASKET (K1)

SN: 16017-UP

1шт.

|13

0

GASKET (K1)

SN: 14674-16016

1шт.

14

362-846-1170

PLATE

SN: 14674-UP

2шт.

15

01010-31020

BOLT

SN: 14674-UP

3шт.

16

01602-01030

WASHER,SPRING

SN: 14674-UP

3шт.

17

01010-30840

BOLT

SN: 14674-UP

4шт.

18

6138-11-4870

BOLT

SN: 14674-UP

1шт.

19

6140-14-5460

BOLT

SN: 14674-UP

1шт.

20

01602-00825

WASHER,SPRING

SN: 14674-UP

6шт.

21

01641-20812

WASHER

SN: 14674-UP

6шт.

Выбрано товаров: 46