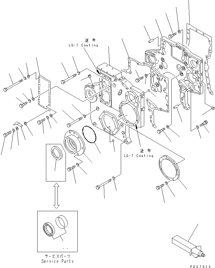
Запчасти Komatsu S6D170-1L-6W КОРПУС ШЕСТЕРЕНН. ПЕРЕДАЧИ И ПЕРЕДН. КРЫШКА(МЕХАНИЧЕСКИЙ НАСОС СПЕЦ-Я.)(№7-7) ДВИГАТЕЛЬ

Схема запчастей Komatsu S6D170-1L-6W - КОРПУС ШЕСТЕРЕНН. ПЕРЕДАЧИ И ПЕРЕДН. КРЫШКА(МЕХАНИЧЕСКИЙ НАСОС СПЕЦ-Я.)(№7-7) ДВИГАТЕЛЬ
1
2
3
3
4
5
6
7
8
8
8
9
10
11
12
13
14
14
15
15
16
17
18
18
19
20
21
22
23
24
24
25
25
26
26
26
27
27
28
29
30
31
32
33
34
35
36
36
37
1
2
3
3
4
5
6
7
8
8
8
9
10
11
12
13
14
14
15
15
16
17
18
18
19
20
21
22
23
24
24
25
25
26
26
26
27
27
28
29
30
31
32
33
34
35
36
36
37
FIT
1:1
100%

Артикул

Название

Примечание

Количество

|$1

6162-23-3012

GEAR CASE ASS'Y

SN: 14674-@

1шт.

1

0

CASE,GEAR

SN: 14674-@

1шт.

2

07043-50108

PLUG

SN: 14674-@

2шт.

3

04020-01434

PIN,DOWEL

SN: 14674-@

2шт.

4

6162-23-3811

GASKET (K2)

SN: 16017-@

1шт.

4

0

GASKET (K2)

SN: 14674-16016

1шт.

5

01010-31450

BOLT

SN: 14674-@

3шт.

6

01010-31435

BOLT

SN: 14674-@

4шт.

7

01010-31440

BOLT

SN: 14674-@

2шт.

8

01643-31445

WASHER

SN: 14674-@

9шт.

|$11

6162-23-3020

COVER ASS'Y

SN: 14674-@

1шт.

9

0

COVER,GEAR CASE

SN: 14674-@

1шт.

10

07043-50108

PLUG

SN: 14674-@

1шт.

11

07046-11216

PLUG

SN: 14674-@

4шт.

12

07046-11816

PLUG

SN: 14674-@

3шт.

13

6162-23-3251

GASKET (K2)

SN: 16017-@

1шт.

13

0

GASKET (K2)

SN: 14674-16016

1шт.

14

01011-31410

BOLT

SN: 14674-@

6шт.

15

01602-01442

WASHER,SPRING

SN: 14674-@

6шт.

16

01010-31260

BOLT

SN: 14674-@

10шт.

17

01010-31285

BOLT

SN: 14674-@

1шт.

18

01602-01236

WASHER,SPRING

SN: 14674-@

11шт.

19

6162-23-3310

PLATE

SN: 14674-@

1шт.

20

01010-31425

BOLT

SN: 14674-@

2шт.

21

01011-31425

BOLT

SN: 14674-@

4шт.

22

01010-30820

BOLT

SN: 14674-@

2шт.

23

01010-30816

BOLT

SN: 14674-@

3шт.

24

01602-01442

WASHER,SPRING

SN: 14674-@

6шт.

25

01602-00825

WASHER,SPRING

SN: 14674-@

5шт.

26

01640-20816

WASHER

SN: 14674-@

7шт.

27

01640-21426

WASHER

SN: 14674-@

6шт.

28

6162-23-3230

COVER

SN: 14674-@

1шт.

29

01010-30816

BOLT

SN: 14674-@

9шт.

30

01602-00825

WASHER,SPRING

SN: 14674-@

9шт.

31

6162-23-3350

POINTER

SN: 14674-@

1шт.

32

6162-23-9920

TRUNNION

SN: 14674-@

1шт.

33

07000-65175

O-RING (K2)

SN: 14674-@

1шт.

34

01010-31440

BOLT

SN: 14674-@

6шт.

35

01602-01442

WASHER,SPRING

SN: 14674-@

6шт.

36

6162-23-3510

SEAL, FRONT (K2)

SN: 14674-@

1шт.

36

6215-29-4320

FRONT SEAL ASS'Y,REPAIR KIT

SN: 14674-@

1шт.

36

0

SEAL, FRONT

SN: 14674-@

1шт.

36

0

SLEEVE

SN: 14674-@

1шт.

37

09920-00150

LIQUID GASKET,LG-7, 150G

SN: 14674-@

-2шт.

|$1

6162-23-3012

GEAR CASE ASS'Y

SN: 14674-@

1шт.

1

0

CASE,GEAR

SN: 14674-@

1шт.

2

07043-50108

PLUG

SN: 14674-@

2шт.

3

04020-01434

PIN,DOWEL

SN: 14674-@

2шт.

4

6162-23-3811

GASKET (K2)

SN: 16017-@

1шт.

4

0

GASKET (K2)

SN: 14674-16016

1шт.

5

01010-31450

BOLT

SN: 14674-@

3шт.

6

01010-31435

BOLT

SN: 14674-@

4шт.

7

01010-31440

BOLT

SN: 14674-@

2шт.

8

01643-31445

WASHER

SN: 14674-@

9шт.

|$11

6162-23-3020

COVER ASS'Y

SN: 14674-@

1шт.

9

0

COVER,GEAR CASE

SN: 14674-@

1шт.

10

07043-50108

PLUG

SN: 14674-@

1шт.

11

07046-11216

PLUG

SN: 14674-@

4шт.

12

07046-11816

PLUG

SN: 14674-@

3шт.

13

6162-23-3251

GASKET (K2)

SN: 16017-@

1шт.

13

0

GASKET (K2)

SN: 14674-16016

1шт.

14

01011-31410

BOLT

SN: 14674-@

6шт.

15

01602-01442

WASHER,SPRING

SN: 14674-@

6шт.

16

01010-31260

BOLT

SN: 14674-@

10шт.

17

01010-31285

BOLT

SN: 14674-@

1шт.

18

01602-01236

WASHER,SPRING

SN: 14674-@

11шт.

19

6162-23-3310

PLATE

SN: 14674-@

1шт.

20

01010-31425

BOLT

SN: 14674-@

2шт.

21

01011-31425

BOLT

SN: 14674-@

4шт.

22

01010-30820

BOLT

SN: 14674-@

2шт.

23

01010-30816

BOLT

SN: 14674-@

3шт.

24

01602-01442

WASHER,SPRING

SN: 14674-@

6шт.

25

01602-00825

WASHER,SPRING

SN: 14674-@

5шт.

26

01640-20816

WASHER

SN: 14674-@

7шт.

27

01640-21426

WASHER

SN: 14674-@

6шт.

28

6162-23-3230

COVER

SN: 14674-@

1шт.

29

01010-30816

BOLT

SN: 14674-@

9шт.

30

01602-00825

WASHER,SPRING

SN: 14674-@

9шт.

31

6162-23-3350

POINTER

SN: 14674-@

1шт.

32

6162-23-9920

TRUNNION

SN: 14674-@

1шт.

33

07000-65175

O-RING (K2)

SN: 14674-@

1шт.

34

01010-31440

BOLT

SN: 14674-@

6шт.

35

01602-01442

WASHER,SPRING

SN: 14674-@

6шт.

36

6162-23-3510

SEAL, FRONT (K2)

SN: 14674-@

1шт.

36

6215-29-4320

FRONT SEAL ASS'Y,REPAIR KIT

SN: 14674-@

1шт.

36

0

SEAL, FRONT

SN: 14674-@

1шт.

36

0

SLEEVE

SN: 14674-@

1шт.

37

09920-00150

LIQUID GASKET,LG-7, 150G

SN: 14674-@

-2шт.

Выбрано товаров: 0