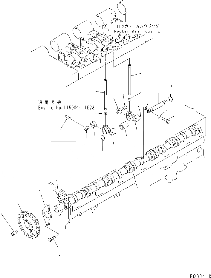
Запчасти Komatsu S6D170-1L-6W РАСПРЕДВАЛ И ТОЛКАТЕЛЬ КЛАПАНА(№-77) ДВИГАТЕЛЬ

Схема запчастей Komatsu S6D170-1L-6W - РАСПРЕДВАЛ И ТОЛКАТЕЛЬ КЛАПАНА(№-77) ДВИГАТЕЛЬ
1
2
3
4
5
6
7
7
8
8
9
9
10
10
11
12
13
14
15
15
16
17
18
19
19
1
2
3
4
5
6
7
7
8
8
9
9
10
10
11
12
13
14
15
15
16
17
18
19
19
FIT
1:1
100%

Артикул

Название

Примечание

Количество

|$1

6162-43-1100

CAMSHAFT ASS'Y

SN: 11500-17473

1шт.

1

0

CAMSHAFT

SN: 11500-@

1шт.

2

04010-00738

KEY

SN: 11500-@

1шт.

3

6162-43-1130

PLATE,THRUST

SN: 11500-@

1шт.

4

6162-43-1121

GEAR

SN: 11500-@

1шт.

5

6162-53-1891

SHAFT

SN: 13113-17473

1шт.

5

0

SHAFT

SN: 11500-13112

1шт.

6

6162-42-1150

BOLT

SN: 11500-@

2шт.

|$9

6162-43-2021

CAMFOLLOWER SHAFT A.

SN: 11629-@

6шт.

|$10

0

CAMFOLLOWER ASS'Y

SN: 11500-11628

6шт.

|$11

6162-43-2301

CAMFOLLOWER ASS'Y

SN: 11629-@

2шт.

|$12

0

CAMFOLLOWER ASS'Y

SN: 11500-11628

2шт.

|$$13

(6162-43-2301,6162-43-2401)

-1шт.

7

0

FOLLOWER,CAM

SN: 11629-@

1шт.

7

0

FOLLOWER,CAM

SN: 11500-11628

1шт.

8

0

SOCKET

SN: 11629-@

1шт.

8

0

SOCKET

SN: 11500-11628

1шт.

9

0

ROLLER,CAM

SN: 11500-@

1шт.

10

0

PIN,ROLLER

SN: 11629-@

1шт.

10

0

PIN,ROLLER

SN: 11500-11628

1шт.

11

0

PIN

SN: 11500-11628

1шт.

12

6162-43-2320

COLLAR

SN: 11500-@

1шт.

|$23

6162-43-2401

SHAFT ASS'Y

SN: 11629-@

1шт.

|$24

6162-43-2400

SHAFT ASS'Y

SN: 11500-11628

1шт.

13

0

SHAFT

SN: 11629-@

1шт.

13

0

SHAFT

SN: 11500-11628

1шт.

14

0

PIN,DOWEL

SN: 11500-@

1шт.

15

04064-02512

RING,SNAP

SN: 11500-@

2шт.

16

6162-43-2450

BOLT

SN: 11500-@

12шт.

17

01643-31232

WASHER

SN: 11500-@

12шт.

18

6162-43-2430

RING,DOWEL

SN: 11500-@

12шт.

19

6162-43-3101

ROD,PUSH

SN: 11500-@

12шт.

|$1

6162-43-1100

CAMSHAFT ASS'Y

SN: 11500-17473

1шт.

1

0

CAMSHAFT

SN: 11500-@

1шт.

2

04010-00738

KEY

SN: 11500-@

1шт.

3

6162-43-1130

PLATE,THRUST

SN: 11500-@

1шт.

4

6162-43-1121

GEAR

SN: 11500-@

1шт.

5

6162-53-1891

SHAFT

SN: 13113-17473

1шт.

5

0

SHAFT

SN: 11500-13112

1шт.

6

6162-42-1150

BOLT

SN: 11500-@

2шт.

|$9

6162-43-2021

CAMFOLLOWER SHAFT A.

SN: 11629-@

6шт.

|$10

0

CAMFOLLOWER ASS'Y

SN: 11500-11628

6шт.

|$11

6162-43-2301

CAMFOLLOWER ASS'Y

SN: 11629-@

2шт.

|$12

0

CAMFOLLOWER ASS'Y

SN: 11500-11628

2шт.

|$$13

(6162-43-2301,6162-43-2401)

-1шт.

7

0

FOLLOWER,CAM

SN: 11629-@

1шт.

7

0

FOLLOWER,CAM

SN: 11500-11628

1шт.

8

0

SOCKET

SN: 11629-@

1шт.

8

0

SOCKET

SN: 11500-11628

1шт.

9

0

ROLLER,CAM

SN: 11500-@

1шт.

10

0

PIN,ROLLER

SN: 11629-@

1шт.

10

0

PIN,ROLLER

SN: 11500-11628

1шт.

11

0

PIN

SN: 11500-11628

1шт.

12

6162-43-2320

COLLAR

SN: 11500-@

1шт.

|$23

6162-43-2401

SHAFT ASS'Y

SN: 11629-@

1шт.

|$24

6162-43-2400

SHAFT ASS'Y

SN: 11500-11628

1шт.

13

0

SHAFT

SN: 11629-@

1шт.

13

0

SHAFT

SN: 11500-11628

1шт.

14

0

PIN,DOWEL

SN: 11500-@

1шт.

15

04064-02512

RING,SNAP

SN: 11500-@

2шт.

16

6162-43-2450

BOLT

SN: 11500-@

12шт.

17

01643-31232

WASHER

SN: 11500-@

12шт.

18

6162-43-2430

RING,DOWEL

SN: 11500-@

12шт.

19

6162-43-3101

ROD,PUSH

SN: 11500-@

12шт.

Выбрано товаров: 64