Запчасти Komatsu S6D170E-2A-6 ТЕРМОСТАТ(№78-) ДВИГАТЕЛЬ

Схема запчастей Komatsu S6D170E-2A-6 - ТЕРМОСТАТ(№78-) ДВИГАТЕЛЬ
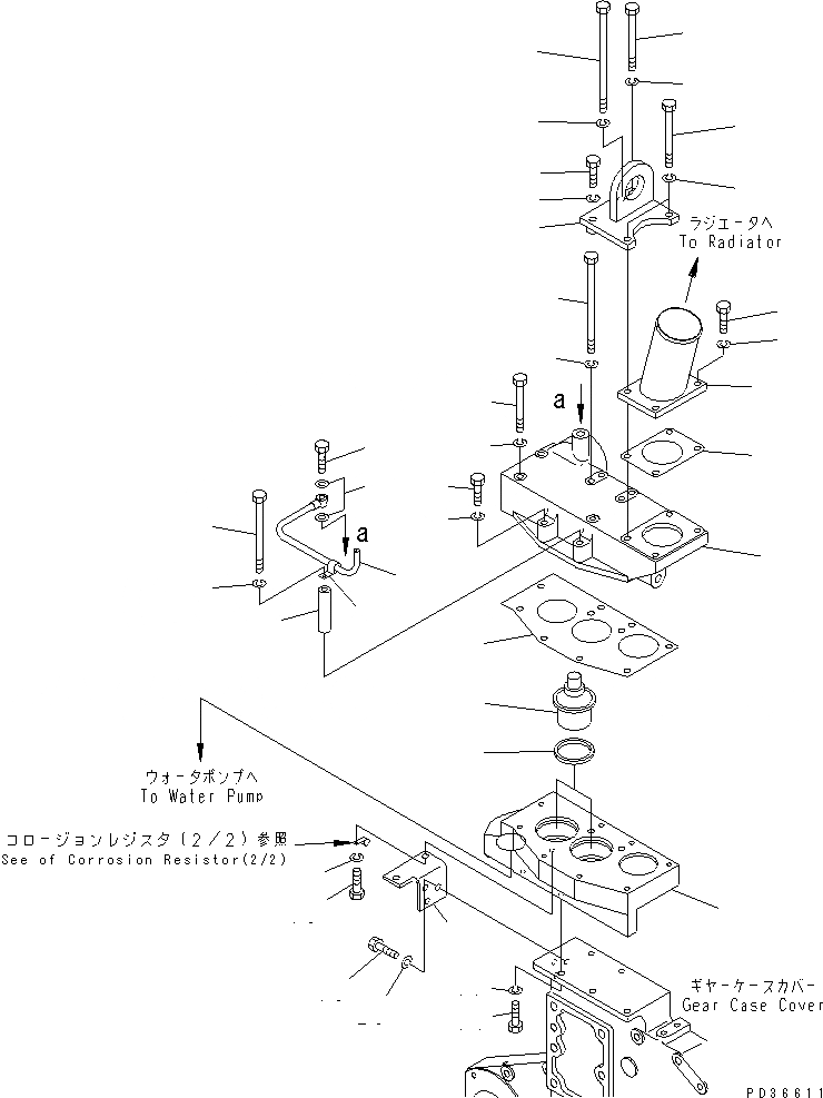
1
2
3
4
5
6
7
8
9
10
11
12
13
14
15
16
17
17
17
17
18
19
19
20
20
21
22
23
24
25
26
26
27
28
29
29
29
29
1
2
3
4
5
6
7
8
9
10
11
12
13
14
15
16
17
17
17
17
18
19
19
20
20
21
22
23
24
25
26
26
27
28
29
29
29
29
FIT
1:1
100%

Артикул

Название

Примечание

Количество

1

6162-15-6410

HOUSING,THERMOSTAT

SN: 17358-UP

1шт.

2

6162-15-6510

COVER,THERMOSTAT

SN: 17358-UP

1шт.

3

6162-15-6430

GASKET

SN: 17358-UP

1шт.

4

600-421-6630

THERMOSTAT

SN: 17358-UP

2шт.

5

6162-13-6440

SEAL,THERMOSTAT (K1)

SN: 17358-UP

2шт.

6

6162-65-8290

TUBE

SN: 17358-UP

1шт.

7

6137-11-5120

SPACER

SN: 17358-UP

1шт.

8

04434-51010

CLIP

SN: 17358-UP

1шт.

9

01011-81050

BOLT

SN: 17358-UP

1шт.

10

01602-01030

WASHER,SPRING

SN: 17358-UP

1шт.

11

07206-31014

BOLT,JOINT

SN: 17358-UP

1шт.

12

07005-01412

GASKET

SN: 17358-UP

2шт.

13

01011-81090

BOLT

SN: 17358-UP

1шт.

14

01010-81030

BOLT

SN: 17358-UP

3шт.

15

01010-81065

BOLT

SN: 17358-UP

1шт.

16

01011-81000

BOLT

SN: 17358-UP

3шт.

17

01602-01030

WASHER,SPRING

SN: 17358-UP

8шт.

18

6162-23-6860

BRACKET

SN: 17358-UP

1шт.

19

01010-81025

BOLT

SN: 17358-UP

5шт.

20

01602-01030

WASHER,SPRING

SN: 17358-UP

5шт.

21

6162-15-6450

TUBE

SN: 17358-UP

1шт.

22

6162-13-6481

GASKET (K1)

SN: 17358-UP

1шт.

23

01010-81030

BOLT

SN: 17358-UP

2шт.

24

01602-01030

WASHER,SPRING

SN: 17358-UP

2шт.

25

6162-23-3340

HANGER

SN: 17358-UP

1шт.

26

01011-81020

BOLT

SN: 17358-UP

3шт.

27

562-15-16410

BOLT

SN: 17358-UP

1шт.

28

01010-81040

BOLT

SN: 17358-UP

1шт.

29

01602-01030

WASHER,SPRING

SN: 17358-UP

5шт.

1

6162-15-6410

HOUSING,THERMOSTAT

SN: 17358-UP

1шт.

2

6162-15-6510

COVER,THERMOSTAT

SN: 17358-UP

1шт.

3

6162-15-6430

GASKET

SN: 17358-UP

1шт.

4

600-421-6630

THERMOSTAT

SN: 17358-UP

2шт.

5

6162-13-6440

SEAL,THERMOSTAT (K1)

SN: 17358-UP

2шт.

6

6162-65-8290

TUBE

SN: 17358-UP

1шт.

7

6137-11-5120

SPACER

SN: 17358-UP

1шт.

8

04434-51010

CLIP

SN: 17358-UP

1шт.

9

01011-81050

BOLT

SN: 17358-UP

1шт.

10

01602-01030

WASHER,SPRING

SN: 17358-UP

1шт.

11

07206-31014

BOLT,JOINT

SN: 17358-UP

1шт.

12

07005-01412

GASKET

SN: 17358-UP

2шт.

13

01011-81090

BOLT

SN: 17358-UP

1шт.

14

01010-81030

BOLT

SN: 17358-UP

3шт.

15

01010-81065

BOLT

SN: 17358-UP

1шт.

16

01011-81000

BOLT

SN: 17358-UP

3шт.

17

01602-01030

WASHER,SPRING

SN: 17358-UP

8шт.

18

6162-23-6860

BRACKET

SN: 17358-UP

1шт.

19

01010-81025

BOLT

SN: 17358-UP

5шт.

20

01602-01030

WASHER,SPRING

SN: 17358-UP

5шт.

21

6162-15-6450

TUBE

SN: 17358-UP

1шт.

22

6162-13-6481

GASKET (K1)

SN: 17358-UP

1шт.

23

01010-81030

BOLT

SN: 17358-UP

2шт.

24

01602-01030

WASHER,SPRING

SN: 17358-UP

2шт.

25

6162-23-3340

HANGER

SN: 17358-UP

1шт.

26

01011-81020

BOLT

SN: 17358-UP

3шт.

27

562-15-16410

BOLT

SN: 17358-UP

1шт.

28

01010-81040

BOLT

SN: 17358-UP

1шт.

29

01602-01030

WASHER,SPRING

SN: 17358-UP

5шт.

Выбрано товаров: 58