Запчасти Komatsu D275A-5 ПРИБОРНАЯ ПАНЕЛЬ ПАНЕЛЬ (С ОБОГРЕВ-ЛЕМ ИЛИ КОНДИЦ. ВОЗДУХА) (С КОНТРОЛЕМ ПРОСКАЛЬЗ-Я ГУСЕНИЦ)(№-) КАБИНА ОПЕРАТОРА И СИСТЕМА УПРАВЛЕНИЯ

Схема запчастей Komatsu D275A-5 - ПРИБОРНАЯ ПАНЕЛЬ ПАНЕЛЬ (С ОБОГРЕВ-ЛЕМ ИЛИ КОНДИЦ. ВОЗДУХА) (С КОНТРОЛЕМ ПРОСКАЛЬЗ-Я ГУСЕНИЦ)(№-) КАБИНА ОПЕРАТОРА И СИСТЕМА УПРАВЛЕНИЯ
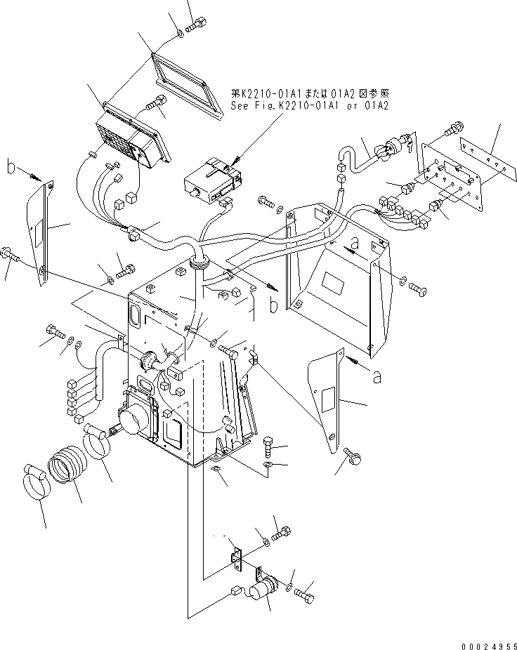
1
2
3
4
5
6
7
8
8
9
10
11
12
13
14
15
16
17
18
19
20
21
22
23
23
24
25
26
27
28
29
30
30
31
32
33
FIT
1:1
100%

Артикул

Название

Примечание

Количество

1

195-54-72211

COVER,L.H.

SN: 25050-UP

1шт.

2

01435-00814

BOLT

SN: 25050-UP

2шт.

3

195-54-72221

COVER,R.H.

SN: 25050-UP

1шт.

4

01435-00814

BOLT

SN: 25050-UP

2шт.

5

17M-54-44430

PANEL

SN: 25050-UP

1шт.

6

7831-62-5002

MONITOR PANEL

SN: 26030-UP

1шт.

6

0

MONITOR PANEL

SN: 25240-26029

1шт.

6

0

MONITOR PANEL

SN: 25056-25239

1шт.

6

7831-62-1000

PANEL

SN: 25050-25055

1шт.

7

195-54-69671

COVER

SN: 25050-UP

1шт.

8

01252-80630

BOLT

SN: 25050-UP

6шт.

9

01643-70623

WASHER

SN: 25050-UP

4шт.

10

198-06-55250

WIRING HARNESS

SN: 25050-UP

1шт.

11

14X-06-12160

SWITCH

SN: 25050-UP

3шт.

12

7824-85-4810

SWITCH

SN: 25050-UP

2шт.

13

198-06-56570

BUZZER

SN: 25050-UP

1шт.

14

01010-80616

BOLT

SN: 25050-UP

2шт.

15

01643-30623

WASHER

SN: 25050-UP

2шт.

16

198-06-52351

BRACKET

SN: 25050-UP

1шт.

17

01010-81225

BOLT

SN: 25050-UP

1шт.

18

01643-31232

WASHER

SN: 25050-UP

1шт.

19

17M-06-41181

WIRING HARNESS

SN: 25050-UP

1шт.

19

08501-21507

SWITCH,SERVICE

SN: 25050-UP

1шт.

19

08504-10000

CAP

SN: 25050-UP

1шт.

19

19M-06-31720

RESISTOR

SN: 25050-UP

1шт.

20

04434-52711

CLIP

SN: 25050-25055

1шт.

21

01010-81020

BOLT

SN: 25050-UP

1шт.

22

01643-31032

WASHER

SN: 25050-UP

1шт.

23

08034-00414

BAND

SN: 25050-UP

3шт.

24

01010-81225

BOLT

SN: 25050-UP

1шт.

25

01643-31232

WASHER

SN: 25050-UP

1шт.

26

155-911-1790

CLIP

SN: 25050-UP

1шт.

27

01010-81225

BOLT

SN: 25050-UP

1шт.

28

01643-31232

WASHER

SN: 25050-UP

1шт.

29

17A-911-1250

HOSE

SN: 25050-UP

1шт.

30

07281-01159

CLAMP

SN: 25050-UP

2шт.

31

01010-81235

BOLT

SN: 25050-UP

6шт.

32

01643-31232

WASHER

SN: 25050-UP

6шт.

33

17M-54-48110

SHIM, 0.8MM

SN: 25050-UP

2шт.

Выбрано товаров: 39