Запчасти Komatsu D275A-5 ОМЫВАТЕЛЬ БАК КАБИНА ОПЕРАТОРА И СИСТЕМА УПРАВЛЕНИЯ

Схема запчастей Komatsu D275A-5 - ОМЫВАТЕЛЬ БАК КАБИНА ОПЕРАТОРА И СИСТЕМА УПРАВЛЕНИЯ
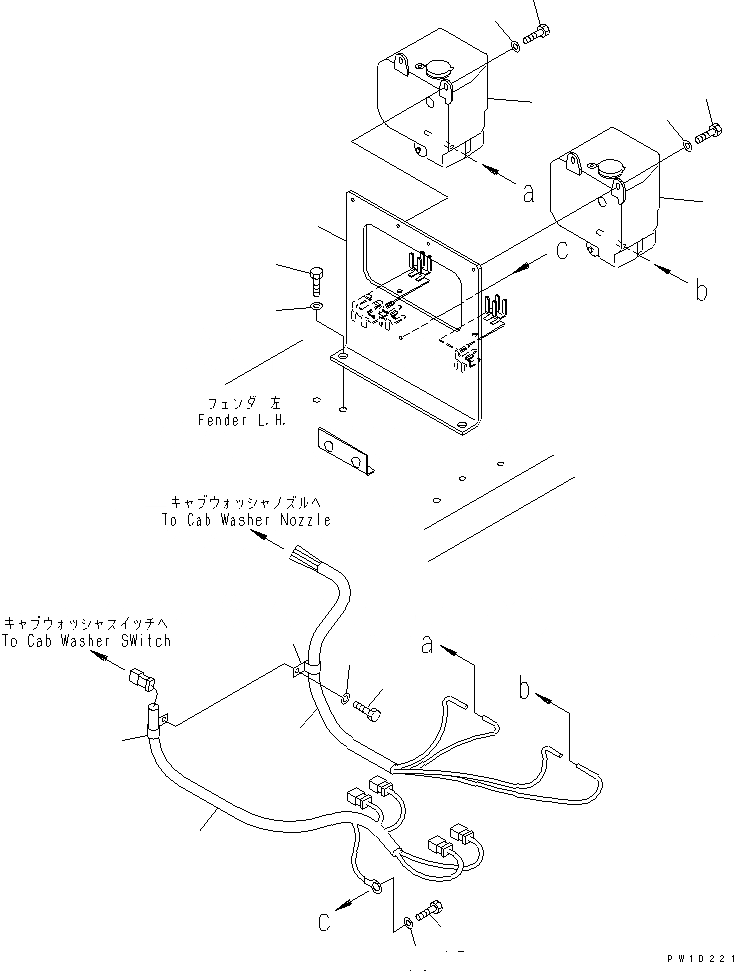
1
1
2
2
3
3
4
5
6
7
8
9
9
10
11
12
13
FIT
1:1
100%

Артикул

Название

Примечание

Количество

1

14X-911-1160

WASHER TANK

SN: 25001-UP

2шт.

2

01010-80616

BOLT

SN: 25001-UP

4шт.

3

01643-30623

WASHER

SN: 25001-UP

4шт.

4

17M-911-5340

BRACKET

SN: 25001-UP

1шт.

5

01010-81230

BOLT

SN: 25001-UP

2шт.

6

01643-31232

WASHER

SN: 25001-UP

2шт.

7

17M-911-5350

HOSE ASS'Y

SN: 25001-UP

1шт.

8

17M-06-41261

WIRING HARNESS

SN: 25001-UP

1шт.

9

04434-51710

CLIP

SN: 25001-UP

2шт.

10

01010-81020

BOLT

SN: 25001-UP

1шт.

11

01643-31032

WASHER

SN: 25001-UP

1шт.

12

01010-80612

BOLT

SN: 25001-UP

1шт.

13

01643-30623

WASHER

SN: 25001-UP

1шт.

Выбрано товаров: 0