Запчасти Komatsu D275A-5 КРЫЛО (ПЕРЕКОС. ОТВАЛА ТРУБЫ) (ДЛЯ ОТВАЛА С ПЕРЕКОСОМ)(№7-) ЧАСТИ КОРПУСА

Схема запчастей Komatsu D275A-5 - КРЫЛО (ПЕРЕКОС. ОТВАЛА ТРУБЫ) (ДЛЯ ОТВАЛА С ПЕРЕКОСОМ)(№7-) ЧАСТИ КОРПУСА
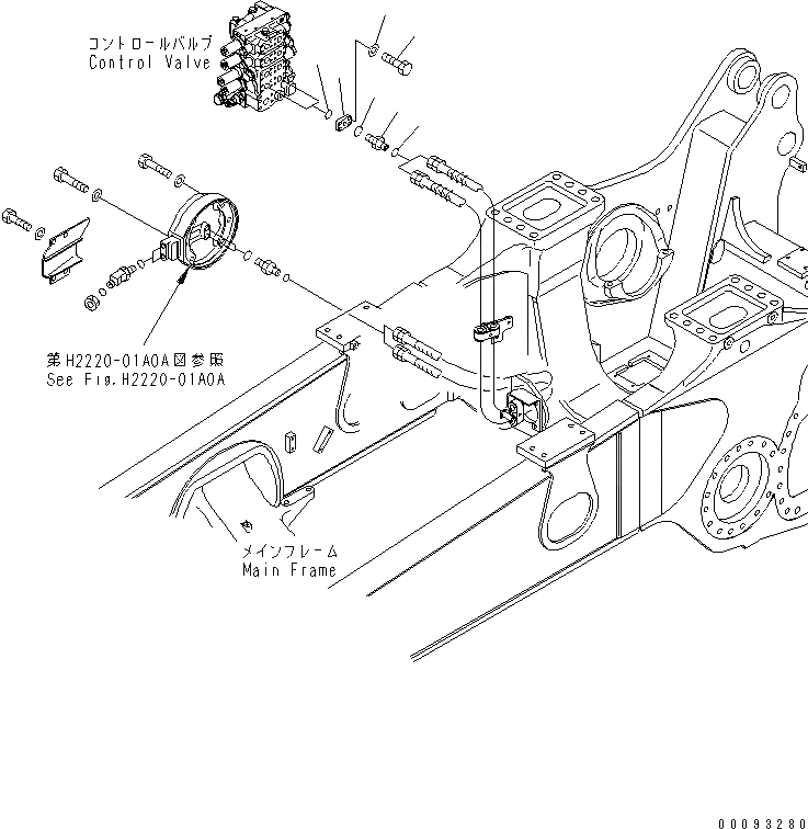
1
2
3
4
5
6
7
FIT
1:1
100%

Артикул

Название

Примечание

Количество

1

17M-61-43180

PLATE

SN: 25001-UP

2шт.

2

07000-13032

O-RING

SN: 25001-UP

2шт.

3

07372-21035

BOLT

SN: 25001-UP

8шт.

4

01643-51032

WASHER

SN: 25001-UP

8шт.

5

02781-00422

UNION

SN: 25001-UP

2шт.

6

02896-11012

O-RING

SN: 25001-UP

2шт.

7

07002-12034

O-RING

SN: 25001-UP

2шт.

Выбрано товаров: 7