Качественные детали и логистика
Оригинальные и аналоговые запчасти с доставкой по России, Казахстану и Беларуси
©2022 PartSell ООО "Система" ИНН 2463123282 ОГРН 1212400004838
Центральный офис: г. Красноярск, Академика Киренского, д.87, пом.4
Телефон: 8 (800) 777-65-74 Email: zakaz@partsell.ru
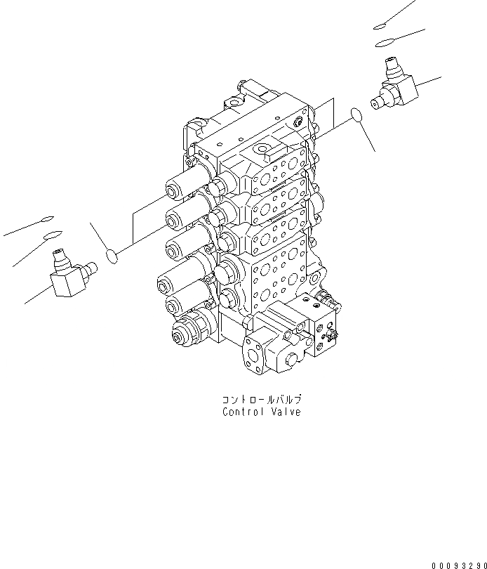
КРЫЛО (УПРАВЛ-Е РЫХЛИТЕЛЕМ)(№7-)
№
Артикул
Название
Примечание
Количество
1
20Y-62-22271
ELBOW
SN: 25001-UP
4шт.
2
201-60-11390
O-RING
1шт.
3
20Y-62-19560
4
07002-11423
Выбрано товаров: 0