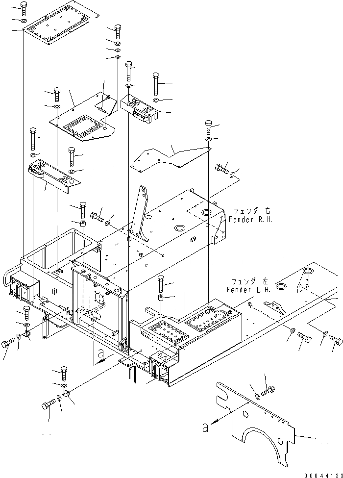
Запчасти Komatsu D275A-5 КРЫШКА КРЫЛА (/) (ДЛЯ СНГ) (МОРОЗОУСТОЙЧИВ. СПЕЦ-Я (A) СПЕЦ-Я.) ЧАСТИ КОРПУСА

Схема запчастей Komatsu D275A-5 - КРЫШКА КРЫЛА (/) (ДЛЯ СНГ) (МОРОЗОУСТОЙЧИВ. СПЕЦ-Я (A) СПЕЦ-Я.) ЧАСТИ КОРПУСА
1
2
3
4
5
6
7
8
9
10
11
12
13
14
15
16
17
18
19
20
21
22
23
24
25
26
27
28
29
30
31
32
33
34
35
36
37
38
38
39
39
40
41
41
42
42
43
44
45
FIT
1:1
100%

Артикул

Название

Примечание

Количество

1

01011-62410

BOLT

SN: 25001-UP

4шт.

2

17M-54-25570

SPACER

SN: 25001-UP

4шт.

3

01010-62460

BOLT

SN: 25001-UP

2шт.

4

20Y-09-11150

SPACER

SN: 25001-UP

2шт.

5

01010-62490

BOLT

SN: 25001-UP

3шт.

6

01643-32460

WASHER

SN: 25001-UP

3шт.

7

01010-62490

BOLT

SN: 25001-UP

3шт.

8

01643-32460

WASHER

SN: 25001-UP

3шт.

9

01011-62410

BOLT

SN: 25001-UP

4шт.

10

17M-54-25570

SPACER

SN: 25001-UP

4шт.

11

01010-62460

BOLT

SN: 25001-UP

2шт.

12

20Y-09-11150

SPACER

SN: 25001-UP

2шт.

13

17M-54-45311

COVER,L.H.

SN: 25001-UP

1шт.

14

01010-81245

BOLT

SN: 25001-UP

2шт.

15

01643-31232

WASHER

SN: 25001-UP

2шт.

16

01010-81295

BOLT

SN: 25001-UP

2шт.

17

01643-31232

WASHER

SN: 25001-UP

2шт.

18

17M-54-45321

COVER,R.H.

SN: 25001-UP

1шт.

19

01010-81245

BOLT

SN: 25001-UP

2шт.

20

01643-31232

WASHER

SN: 25001-UP

2шт.

21

01010-81295

BOLT

SN: 25001-UP

2шт.

22

01643-31232

WASHER

SN: 25001-UP

2шт.

23

17M-54-45231

COVER,L.H.

SN: 25001-UP

1шт.

24

01010-81225

BOLT

SN: 25001-UP

6шт.

25

01643-31232

WASHER

SN: 25001-UP

6шт.

26

17M-54-45242

COVER,R.H.

SN: 25001-UP

1шт.

27

144-851-1960

HINGE (WELDED)

SN: 25001-UP

1шт.

28

01010-81230

BOLT

SN: 25001-UP

5шт.

29

01643-31232

WASHER

SN: 25001-UP

5шт.

30

20Y-973-2430

COLLAR

SN: 25001-UP

1шт.

31

195-54-75990

SPACER

SN: 25001-UP

1шт.

32

01010-81240

BOLT

SN: 25001-UP

1шт.

33

01643-31232

WASHER

SN: 25001-UP

1шт.

34

17M-54-45641

COVER,R.H.

SN: 25001-UP

1шт.

35

01010-81225

BOLT

SN: 25001-UP

6шт.

36

01643-31232

WASHER

SN: 25001-UP

6шт.

37

17M-54-45331

BRACKET

SN: 25001-UP

1шт.

38

01010-81225

BOLT

SN: 25001-UP

2шт.

39

01643-31232

WASHER

SN: 25001-UP

2шт.

40

17M-54-45341

BRACKET,R.H.

SN: 25001-UP

1шт.

41

01010-81225

BOLT

SN: 25001-UP

2шт.

42

01643-31232

WASHER

SN: 25001-UP

2шт.

43

17M-54-49521

COVER

SN: 25001-UP

1шт.

44

01010-81220

BOLT

SN: 25001-UP

3шт.

45

01643-31232

WASHER

SN: 25001-UP

3шт.

Выбрано товаров: 45