Запчасти Komatsu D275A-5D КОНТРОЛЛЕР ЭЛЕКТРОПРОВОДКА (МОРОЗОУСТОЙЧИВ. СПЕЦ-Я) КАБИНА ОПЕРАТОРА И СИСТЕМА УПРАВЛЕНИЯ

Схема запчастей Komatsu D275A-5D - КОНТРОЛЛЕР ЭЛЕКТРОПРОВОДКА (МОРОЗОУСТОЙЧИВ. СПЕЦ-Я) КАБИНА ОПЕРАТОРА И СИСТЕМА УПРАВЛЕНИЯ
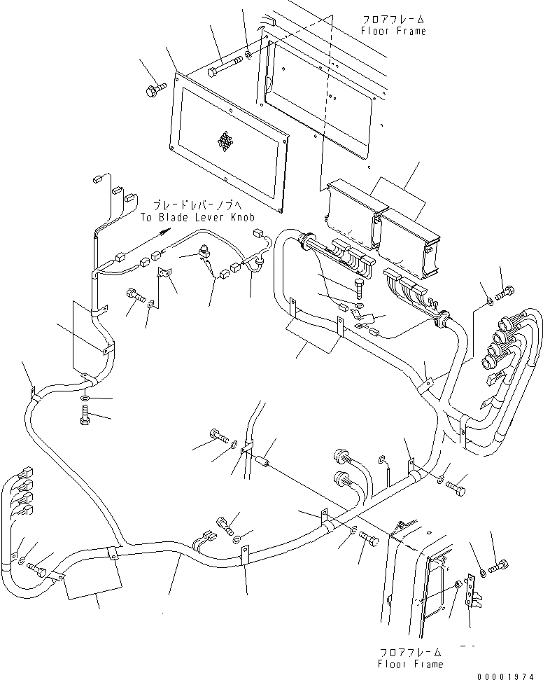
1
2
3
4
5
6
7
8
8
9
10
11
11
12
12
13
13
14
14
15
16
16A
16B
16C
16D
17
18
19
20
20
21
22
23
24
25
26
27
28
29
30
31
32
33
34
FIT
1:1
100%

Артикул

Название

Примечание

Количество

1

195-06-71171

WIRING HARNESS

SN: 25001-UP

1шт.

1

08055-00481

CONNECTOR

SN: 25001-UP

2шт.

1

19M-06-31720

RESISTOR

SN: 25001-UP

1шт.

2

08193-20010

CLIP

SN: 25001-UP

1шт.

3

01010-81020

BOLT

SN: 25001-UP

1шт.

4

01643-31032

WASHER

SN: 25001-UP

1шт.

5

08064-10000

HORN SWITCH

SN: 25001-UP

1шт.

6

7861-92-9120

WIRING HARNESS

SN: 25001-UP

1шт.

7

17M-06-49171

WIRING HARNESS

SN: 25001-UP

1шт.

7

19M-06-31720

RESISTOR

SN: 25001-UP

1шт.

8

23S-61-24870

CLIP

SN: 25001-UP

3шт.

9

01010-81020

BOLT

SN: 25001-UP

3шт.

10

01643-31032

WASHER

SN: 25001-UP

3шт.

11

04434-53411

CLIP

SN: 25001-UP

2шт.

12

01010-81020

BOLT

SN: 25001-UP

2шт.

13

01643-31032

WASHER

SN: 25001-UP

2шт.

14

04434-51410

CLIP

SN: 25001-UP

3шт.

15

01010-81020

BOLT

SN: 25001-UP

3шт.

16

01643-31032

WASHER

SN: 25001-UP

3шт.

16A

04434-51410

CLIP

SN: 25009-UP

1шт.

16B

01010-81070

BOLT

SN: 25009-UP

1шт.

16C

01643-31032

WASHER

SN: 25009-UP

1шт.

16D

6152-51-5520

SPACER

SN: 25009-UP

1шт.

17

04434-53412

CLIP

SN: 25001-UP

1шт.

18

01010-81225

BOLT

SN: 25001-UP

1шт.

19

01643-31232

WASHER

SN: 25001-UP

1шт.

20

04434-52310

CLIP

SN: 25009-UP

6шт.

20

04434-51410

CLIP

SN: 25001-25008

4шт.

21

01010-81020

BOLT

SN: 25001-UP

3шт.

22

01643-31032

WASHER

SN: 25001-UP

3шт.

23

17M-06-49920

BRACKET

SN: 25001-UP

1шт.

24

175-79-83760

SPACER

SN: 25001-UP

1шт.

25

01010-81045

BOLT

SN: 25001-UP

1шт.

26

01643-31032

WASHER

SN: 25001-UP

1шт.

27

7830-43-4002

CONTROLLER

SN: 26070-UP

2шт.

27

0

CONTROLLER

SN: 25746-26069

2шт.

27

0

CONTROLLER

SN: 25670-25745

2шт.

27

0

CONTROLLER

SN: 25232-25669

2шт.

27

0

CONTROLLER

SN: 25111-25231

2шт.

27

0

CONTROLLER

SN: 25001-25110

2шт.

28

01010-80890

BOLT

SN: 25001-UP

8шт.

29

01643-30823

WASHER

SN: 25001-UP

8шт.

30

08053-01510

CLIP

SN: 25001-UP

2шт.

31

01010-81020

BOLT

SN: 25001-UP

1шт.

32

01643-31032

WASHER

SN: 25001-UP

1шт.

33

17M-54-49810

COVER

SN: 25001-UP

1шт.

34

01435-00825

BOLT

SN: 25001-UP

6шт.

Выбрано товаров: 47