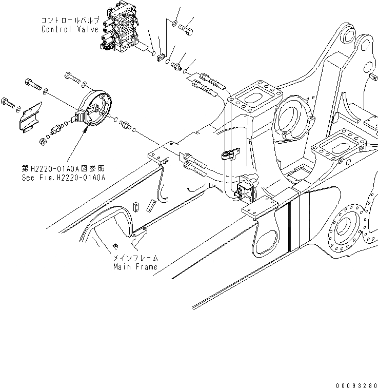
Запчасти Komatsu D275A-5D КРЫЛО (ПЕРЕКОС. ОТВАЛА ТРУБЫ) (ДЛЯ ОТВАЛА С ПЕРЕКОСОМ) (МОРОЗОУСТОЙЧИВ. СПЕЦ-Я)(№7-) ЧАСТИ КОРПУСА

Схема запчастей Komatsu D275A-5D - КРЫЛО (ПЕРЕКОС. ОТВАЛА ТРУБЫ) (ДЛЯ ОТВАЛА С ПЕРЕКОСОМ) (МОРОЗОУСТОЙЧИВ. СПЕЦ-Я)(№7-) ЧАСТИ КОРПУСА
1
2
3
4
5
6
7
FIT
1:1
100%

Артикул

Название

Примечание

Количество

1

17M-61-43180

PLATE

SN: 25001-UP

2шт.

2

07000-53032

O-RING

SN: 25001-UP

2шт.

3

07372-21035

BOLT

SN: 25001-UP

8шт.

4

01643-51032

WASHER

SN: 25001-UP

8шт.

5

02781-00422

UNION

SN: 25001-UP

2шт.

6

02896-51012

O-RING

SN: 25001-UP

2шт.

7

07002-52034

O-RING

SN: 25001-UP

2шт.

Выбрано товаров: 7