Запчасти Komatsu D275A-5D УПРАВЛЯЮЩ. КЛАПАН (4-Х СЕКЦИОНН.) (/) (МОРОЗОУСТОЙЧИВ. СПЕЦ-Я) ОСНОВН. КОМПОНЕНТЫ И РЕМКОМПЛЕКТЫ

Схема запчастей Komatsu D275A-5D - УПРАВЛЯЮЩ. КЛАПАН (4-Х СЕКЦИОНН.) (/) (МОРОЗОУСТОЙЧИВ. СПЕЦ-Я) ОСНОВН. КОМПОНЕНТЫ И РЕМКОМПЛЕКТЫ
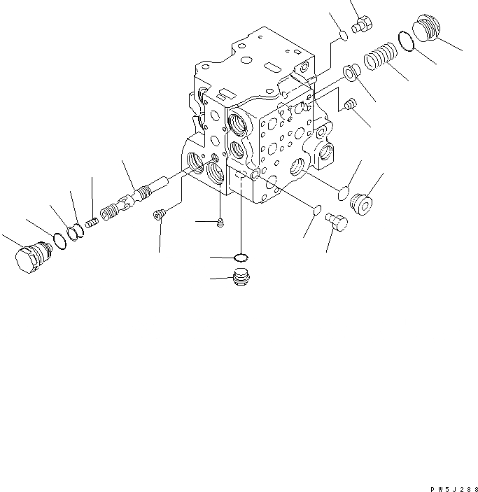
1
2
3
3
4
4
5
6
6
7
8
9
10
11
12
13
14
15
16
17
18
FIT
1:1
100%

Артикул

Название

Примечание

Количество

|$1

723-64-22500

CONTROL VALVE

SN: 25001-UP

1шт.

|$$2

THIS ASSEMBLY CONSISTS OF ALL PARTS SHOWN IN FIGS.Y1664-21A0 T0 Y1664-30A0.

-1шт.

1

709-74-91860

PLUG

SN: 25001-UP

1шт.

2

07002-52434

O-RING

SN: 25001-UP

1шт.

3

07040-11409

PLUG

SN: 25001-UP

2шт.

4

07002-51423

O-RING

SN: 25001-UP

2шт.

5

708-21-12541

PLUG

SN: 25001-UP

10шт.

6

0

PLUG

SN: 25001-UP

2шт.

7

07040-13316

PLUG

SN: 25001-UP

1шт.

8

07002-53334

O-RING

SN: 25001-UP

1шт.

9

0

SPOOL

SN: 25001-UP

1шт.

10

0

PISTON

SN: 25001-UP

1шт.

11

723-63-32570

PLUG

SN: 25001-UP

1шт.

12

07002-54234

O-RING

SN: 25001-UP

1шт.

13

07000-53032

O-RING

SN: 25001-UP

1шт.

14

07001-03032

RING

SN: 25001-UP

1шт.

15

723-63-32560

SPRING

SN: 25001-UP

1шт.

16

723-63-31540

RETAINER

SN: 25001-UP

1шт.

17

723-63-31550

PLUG

SN: 25001-UP

1шт.

18

07002-54234

O-RING

SN: 25001-UP

1шт.

Выбрано товаров: 20