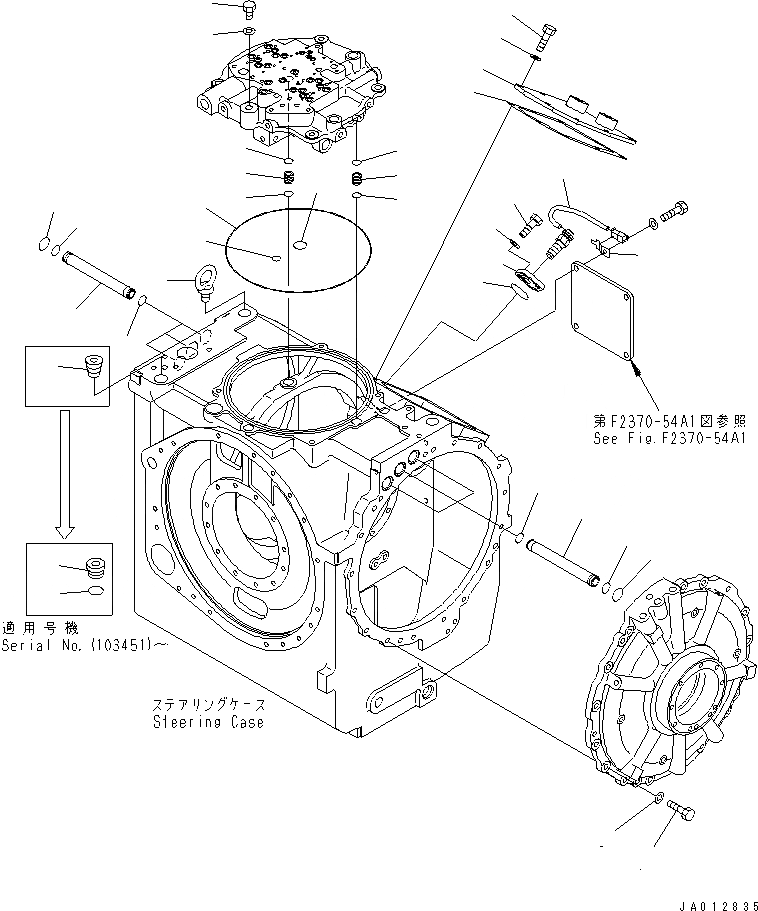
Запчасти Komatsu D275A-5D РУЛЕВ. УПРАВЛЕНИЕ (ГТР КОРПУС) (/) (МОРОЗОУСТОЙЧИВ. СПЕЦ-Я) СИЛОВАЯ ПЕРЕДАЧА И КОНЕЧНАЯ ПЕРЕДАЧА

Схема запчастей Komatsu D275A-5D - РУЛЕВ. УПРАВЛЕНИЕ (ГТР КОРПУС) (/) (МОРОЗОУСТОЙЧИВ. СПЕЦ-Я) СИЛОВАЯ ПЕРЕДАЧА И КОНЕЧНАЯ ПЕРЕДАЧА
1
1
2
2
3
3
4
4
5
5
6
6
6
6
7
8
9
10
11
12
13
14
15
16
17
18
19
20
21
22
22
23
24
25
26
FIT
1:1
100%

Артикул

Название

Примечание

Количество

|$$1

SERIAL NO. IN ( ) INDICATES TRANSMISSION SERIAL NO.

-1шт.

|$3

17M-22-51031

STEERING ASS'Y,-50ЯC

SN: (103135)-UP

1шт.

|$4

17M-22-51030

STEERING ASS'Y,-50ЯC

SN: 25001-(103134)

1шт.

|$$4

THESE ASSEMBLIES CONSIST OF ALL PARTS SHOWN IN FIGS.F2370-51A1 TO F2370-58A1.

-1шт.

1

17M-22-47290

TUBE

SN: 25001-UP

6шт.

2

07000-73022

O-RING

SN: 25001-UP

6шт.

3

07000-72022

O-RING

SN: 25001-UP

6шт.

4

07000-73038

O-RING

SN: 25001-UP

6шт.

5

14X-22-16170

SLEEVE

SN: 25001-UP

2шт.

6

07000-72018

O-RING

SN: 25001-UP

4шт.

7

01010-81260

BOLT

SN: (101547)-UP

26шт.

7

01010-81260

BOLT

SN: 25001-(101546)

32шт.

8

01643-31232

WASHER

SN: (101547)-UP

26шт.

8

01643-31232

WASHER

SN: 25001-(101546)

32шт.

9

04530-13045

BOLT

SN: 25001-UP

2шт.

10

17M-22-47460

FLANGE

SN: 25001-UP

1шт.

11

7861-93-2330

SENSOR

SN: 25001-UP

1шт.

12

07000-73050

O-RING

SN: 25001-UP

1шт.

13

01010-80825

BOLT

SN: 25001-UP

2шт.

14

01643-30823

WASHER

SN: 25001-UP

2шт.

15

08193-20012

CLIP

SN: 25001-UP

1шт.

16

17M-22-47930

COVER

SN: 25001-UP

1шт.

17

17M-22-57390

GASKET

SN: 25001-UP

1шт.

18

01010-81230

BOLT

SN: (101547)-UP

6шт.

18

01010-81230

BOLT

SN: 25001-(101546)

8шт.

19

01643-31232

WASHER

SN: (101547)-UP

6шт.

19

01643-31232

WASHER

SN: 25001-(101546)

8шт.

20

07005-01612

SEAL, WASHER

SN: 25001-UP

1шт.

21

07040-11612

PLUG

SN: 25001-UP

1шт.

22

708-8H-16141

PLUG

SN: (103451)-UP

2шт.

22

07043-71019

PLUG

SN: 25001-(103450)

2шт.

23

17M-22-47830

O-RING

SN: (103451)-UP

2шт.

24

07000-75355

O-RING

SN: 25001-UP

1шт.

25

07000-73028

O-RING

SN: 25001-UP

1шт.

26

07000-72021

O-RING

SN: 25001-UP

1шт.

Выбрано товаров: 35